
Guaranteed Fitment
Always the correct part
have questions?
Always the correct part
We know our products
Diagnostics, Repairs, and Maintenance
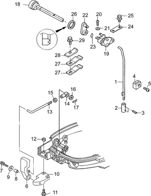
Disclaimer: Please note that the items featured in the image (schematic diagram) are not sold as a bundled set. To facilitate your search, kindly refer to the schematic object key provided below in order to locate a specific item within the image.
Schematic Object Key : 35
Product Description: Lever, Shift Rod
Category: EVINRUDE / 1972 / 18 / 18203R 1972 / EXHAUST HOUSING
Disclaimer: Each item listed in the table below is available for individual purchase and is not sold as part of a package or set.
Parts List:
Key | Part No. | Product Name | Additional_info |
---|---|---|---|
1 | 0314421 | Gasket, baffle | |
2 | 0305756 | Screw, clamp to motor | |
3 | 0314360 | Screw | |
4 | 0385689 | Exhaust housing assy | |
5 | 0313564 | Exhaust tube, inner | |
6 | 0313435 | Restrictor, exhaust housing | |
7 | 0306325 | . . lockwasher, solenoid screw | |
8 | 0303879 | Mount rubber, upper side, std. only | |
9 | 0303887 | Washeer, pin to swivel bracket | |
10 | 0306461 | Screw, steering arm | |
11 | 0317968 | Screw, cylinder to clevis | This part replaces 0302871. |
12 | 0304023 | Gasket, cover plate | |
13 | 0303862 | Cover plate, extension long shaft models | |
14 | 0303587 | Scres,cover plate | |
15 | 0304168 | Gasket, mount, lower side | |
16 | 0316478 | Rubber mount, lower side | |
17 | 0323109 | Houising,lower mount,stbd. | This part replaces 0316438. |
18 | 0303890 | Acorn nut, lower side mount | |
19 | 0330437 | Screw | This part replaces 0303888. |
20 | 0303886 | Lockwasher | |
21 | 0321469 | Mount, rubber, lower front | This part replaces 0303881. |
22 | 0304169 | Gasket, lower front mount | |
23 | 0309942 | Screw, anchor bracket | |
24 | 0387524 | Rod, thrust and retainer | This part replaces 0378158. |
25 | 0323108 | Housing, lower mount port | This part replaces 0316437. |
26 | 0342540 | Screw, exhaust housing to ext. | This part replaces 0316440. |
27 | 0303884 | Washer | |
28 | 0303889 | .nut | |
29 | 0304800 | Mount, rubber, upper front | |
30 | 0304377 | Pin, shaft rod to lever | |
31 | 0306376 | Cotter pin | |
32 | 0308017 | Screw, bellcrank to shift lever | |
33 | 0304380 | , bow | |
34 | 0303721 | Clip, shift rod | |
35 | 0304378 | Lever, shift rod | |
36 | 0303775 | Wahser, lever to hsg | |
37 | 0304859 | Rod, shaft, upper | |
38 | 0203688 | Nut | |
39 | 0379523 | Adj. lever shaft assy | |
40 | 0303191 | "o" ring, lever shaft | |
41 | 0313607 | Lube fitting | |
42 | 0384477 | Shift lever pin | |
43 | 0132679 | Screw, handle adjustment | |
44 | 0323099 | Screw, bumper | This part replaces 0301989. |
45 | 0315477 | Nut, tilting shaft bolt | |
46 | 0306433 | Washer | |
47 | 0302051 | Spring tilting bolt | |
48 | 0383949 | Stern brkt, assy, stbd | |
49 | 0433675 | Clamp scr. hand. assy. | This part replaces 0377311. |
50 | 0337017 | Plate, swivel | This part replaces 0307561. |
51 | 0302420 | . retainer | |
52 | 0304144 | Lock washer | |
53 | 0383948 | Stern bbrkt., assy., port incl. items 49, 5 0, 51 | |
54 | 0319756 | Bolt, tilting shaft | This part replaces 0301984. |
55 | 0901889 | Screw | This part replaces 0303396. |
56 | 0553556 | Screw, housing to cylinder | |
57 | 0328701 | Lockwasher, double ended bolt | This part replaces 0303480. |
58 | 0309967 | Bushing, pilot shaft, lower | |
59 | 0305270 | O ring | |
60 | 0309966 | Thrust washer, lower swivel bracket | |
61 | 0383912 | Bracket, swivel | |
62 | 0313607 | Lube fitting | |
63 | 0317595 | Transfer, tilt lock | |
64 | 0303843 | Spacer, co pilot plate | |
65 | 0303844 | Plate, co pilot | |
66 | 0303978 | Link, reverse lock arm to shaft | |
67 | 0303930 | Pin, cotter, pivot shaft | |
68 | 0306376 | Cotter pin | |
69 | 0303980 | Arm, manual locking lever | |
70 | 0303949 | Rod, reverse lock | |
71 | 0329962 | Lever, reverse lock | This part replaces 0303948. |
72 | 0551113 | Ressort de friction de direction | |
73 | 0323099 | Screw, bumper | This part replaces 0301989. |
74 | 0303950 | Link, reverse lock | |
75 | 0323471 | Spring, thrust rod | This part replaces 0307653. |
76 | 0303696 | Pin | |
77 | 0303846 | Liner, swivel brkt, upper | |
78 | 0303842 | Washer, thrust | |
79 | 0315632 | Shaft, pilot, steering brkt | |
80 | 0316358 | Bracket, steering | |
81 | 0313332 | Scerw, adj. bracket | |
82 | 0303854 | Bushi ng, throttle control | |
83 | 0384864 | Gear, throttle control | |
84 | 0304573 | Scr., idle adj. | |
85 | 0552368 | Spring, idle adj. screw | |
86 | 0393334 | Connector | This part replaces 0376154. |
87 | 0552062 | Screw, clamp | |
88 | 0306488 | Lock washer, solenoid ground | |
89 | 0303142 | Pinion, control throttle | |
90 | 0303951 | Screw, pin to shaft | |
91 | 0305347 | Bushing, throttle shaft | |
92 | 0377631 | Gear shaft, short | |
93 | 0133452 | Screw | |
94 | 0318213 | Handle, inner half | This part replaces 0312858. |
95 | 0330976 | Screw, handle halves | This part replaces 0303078. |
96 | 0303079 | Washer | |
97 | 0311354 | Cover, handle gears | |
98 | 0303110 | Plate, throttle control | |
99 | 0301983 | Conicak washer,stern brkt | |
100 | 0301656 | Spring | |
101 | 0303282 | Block | |
103 | 0310303 | 1 | |
104 | 0303252 | Wahser, grip spring | |
107 | 0377943 | Gear shaft, long | |
109 | 0133079 | Nut | |
111 | 0306396 | Lock washer, control to boat | |
112 | 0313565 | Gasket, inner hgs. | |
113 | 0301967 | O ring | |
115 | 0302035 | "o" ring, spacer to imp. hsg. | |
116 | 0301877 | O ring shift rod | |
117 | 0313523 | Retainer . shift rod | |
118 | 0314490 | Screw, exhaust housing | |
120 | 0308776 | O ring | |
121 | 0300364 | Link, conical, tilt shaft | |
122 | 0303979 | Spring, reverse lock |
All returns must be authorized. Items returned prior authorization will not be accepted.
Defective new equipment may be returned for warranty repair/exchange to us within five (5) days of the shipment receipt date. After five (5) days, returns will be handled by direct contact and in accordance with the warranty terms of the item's manufacturer. Items that have malfunctioned due to mishandling, electrical overload, etc., will be subject to a repair charge.
Non-Defective new equipment will be authorized for return within five (5) days of the shipment receipt date if the equipment is still in new, re-sellable condition with the original manual(s), accessories, packing material and carton. We reserve the right to reject returns in which there is no original packaging, missing accessories, damage or visible signs of usage of the item. A restocking fee of up to 25% of purchase price may apply. Special orders and dangerous goods are non-returnable.
**There's a 20% Restocking Fee on All Returned Palmgren Products in Original Packaging
To get your RMA, simply call (800) 364-4637 for a return authorization number or email sales@palmerpower.com .
(Do not write anything on the manufacturer's original package or use as a shipping carton. Include all accessories, manuals and warranties.) Please include a copy of the packing list or invoice with a reason for the return. Your return authorization number is valid for thirty days.
To check the status of your return, please email us at sales@palmerpower.com. Please be sure to include your RMA number. For more information please check our FAQ page.
Shipping
We can ship to virtually any address in the world. Note that there are restrictions on some products, and some products cannot be shipped to international destinations.
When you place an order, we will estimate shipping and delivery dates for you based on the availability of your items and the shipping options you choose. Depending on the shipping provider you choose, shipping date estimates may appear on the shipping quotes page.
Please also note that the shipping rates for many items we sell are weight-based. The weight of any such item can be found on its detail page. To reflect the policies of the shipping companies we use, all weights will be rounded up to the next full pound.
We will service your boat whether you bought it from us or not. Our award-winning boat service department has a full-time staff of seasoned, factory-certified technicians dedicated to ensuring that your boat runs well for years to come. Our team is trained to correctly diagnose issues, advise you of any developing problems, and address any unique service issues your boat may require. Whether you need complex engine work and repairs, canvas and upholstery, boat tune Up, electronics installation or repair, or boat detailing, our technicians will work quickly to keep you out of the shop and on the water. Not only does our service department provide the highest quality service, we also have a large parts department for the do-it-yourself types. Ask about our inventory of parts and aftermarket additions to make your own repairs or upgrades.
All returns must be authorized. Items returned prior authorization will not be accepted. International customers must ship any returns to us freight and duty prepaid. Return freight charges for International shipments will be the responsibility of the customer.
Defective new equipment may be returned for warranty repair/exchange to us within five (5) days of the shipment receipt date. After five (5) days, returns will be handled by direct contact and in accordance with the warranty terms of the item's manufacturer. Items that have malfunctioned due to mishandling, electrical overload, etc., will be subject to a repair charge.
Non-Defective new equipment will be authorized for return within five (5) days of the shipment receipt date if the equipment is still in new, re-sellable condition with the original manual(s), accessories, packing material and carton. We reserve the right to reject returns in which there is no original packaging, missing accessories, damage or visible signs of usage of the item. A restocking fee of up to 25% of purchase price may apply. Special orders and dangerous goods are non-returnable.
(Do not write anything on the manufacturer's original package or use as a shipping carton. Include all accessories, manuals and warranties.) Please include a copy of the packing list or invoice with a reason for the return. Your return authorization number is valid for thirty days.Palmer Power accepts a variety of payment options for your convenience. For prepayment, we accept all major credit cards (Visa, MasterCard, Discover and American Express), Purchase Orders, and international wire transfers. We also offer credit terms to existing customers.