EVINRUDE-JOHNSON 313755 Pin, Rotor To C/Shaft | PalmerPower
close
close
click to zoom in
  • Guaranteed Fitment

    Always the correct part

  • In-House Experts

    We know our products

  • Boat Repair Service

    Diagnostics, Repairs, and Maintenance

  • Fast Delivery

EVINRUDE-JOHNSON 313755 PIN C=6

Write a Review
$9.99
SKU:
313755-OMC
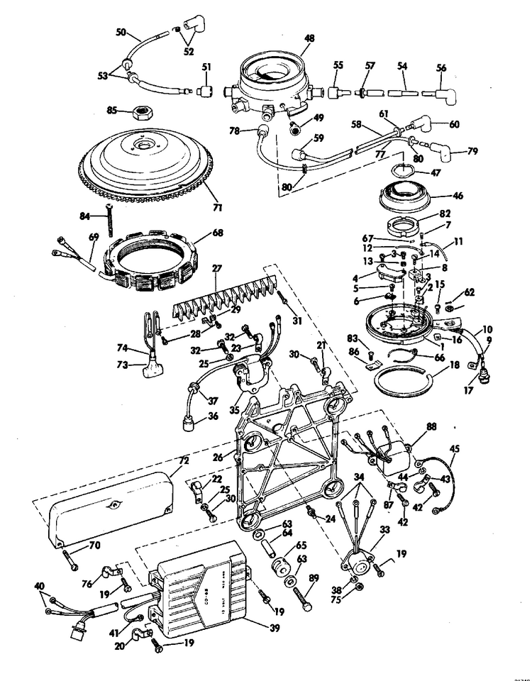
Schematic Object Key:
67

EVINRUDE-JOHNSON 313755 PIN C=6

$9.99

Disclaimer: Please note that the items featured in the image (schematic diagram) are not sold as a bundled set. To facilitate your search, kindly refer to the schematic object key provided below in order to locate a specific item within the image.

EVINRUDE-JOHNSON 313755 Pin, Rotor To C/Shaft

Schematic Object Key : 67

Product Description: Pin, Rotor To C/Shaft

Category: EVINRUDE / 1969 / 115 / 115983E 1969 / DISTRIBUTOR GROUP

Disclaimer: Each item listed in the table below is available for individual purchase and is not sold as part of a package or set.

Parts List:

Key Part No. Product Name Additional_info
0383527 0383527 Distributer base assembly, complete
1 0383528 Base plate assembly
2 0313585 Clip
3 0510338 Screw
4 0382534 Sensor assembly
5 0311389 Screw, lead clamps
6 0314200 Clamp
7 0314471 Screw
8 0382495 Contact assembly
9 0510794 Sleeve lead assembly
10 0510786 Tubing
11 0383531 Lead assembly
12 0382535 Lead assembly
13 0306547 3.washer, mounting stud
14 0306286 Screw, clamp
15 0306158 Screw, clamp
16 0313674 Clamp leads
17 0383530 Lead assembly
18 0313666 Ret., distributor base 1
19 0304607 Pulse pack screw assy
20 0330151 Cable clamp, filter This part replaces 0309322.
21 0330151 Cable clamp, filter This part replaces 0309846.
22 0310439 Clamp, battery cable This part replaces 0311339.
23 0310441 Clamp, small
24 0330143 Stud, ground This part replaces 0311328.
25 0306407 Locckwasher,cover latch
26 0315001 Bracket, electrical components
27 0315002 Terminal block
28 0315003 Screw, teminal to terinmal block
29 0315004 . . jumper, terminal board
30 0303311 Scr,clamp,eng cable
31 0510397 Screw
32 0309405 Screw
33 0580795 Housing, rectifier lead assembly
34 0309405 Screw
35 0580740 Coil and yoke assembly
36 0313586 Conver, h. t. lead
37 0551426 Gormmet
38 0328701 Lockwasher, double ended bolt This part replaces 0303480.
39 0383298 Pulse pack assembly
40 0510780 8 ring termianl This part replaces 0204037.
41 0510818 Terminal, ring This part replaces 0308294.
42 0307154 Ring, terminal
43 0330151 Cable clamp, filter This part replaces 0310440.
44 0328701 Lockwasher, double ended bolt This part replaces 0303480.
45 0376349 Lead, ground
46 0382424 Rotor
47 0313667 Spr, washer, flywheel to rotor
48 0383522 Distribution cap assembly
49 0382583 ,vent housing assy
50 0580761 Lead assembly, 1 spark plug
51 0313586 Conver, h. t. lead
52 0580339 Cover terminal assy, coil
53 0551426 Gormmet
54 0580763 Lead assembly, 3 spark plug
55 0313586 Conver, h. t. lead
56 0580339 Cover terminal assy, coil
57 0551426 Gormmet
58 0580762 Lead assembly, 2 spark plug
59 0313586 Conver, h. t. lead
60 0580339 Cover terminal assy, coil
61 0551426 Gormmet
62 0120356 Cotter pi, retainer
63 0328700 Washer This part replaces 0302407.
64 0302406 Sleeve
65 0315057 Mount, bracket
66 0313743 Ring, reverse cut off
67 0313755 Pin, rotor to c shaft
68 0580744 Starter assy, 9 amp
69 0510772 Sleeve
70 0313742 Connector
71 0580685 Flywheel ring gear
72 0383952 Cover, terminal board
73 0383840 Diode lead assembly
74 0510628 . sleeve
75 0328740 Nut, throttle friction This part replaces 0306375.
76 0330151 Cable clamp, filter This part replaces 0309041.
77 0580764 Lead assembley 4
78 0315586 Cover, h t lead
79 0580339 Cover terminal assy, coil
80 0551426 Gormmet
81 0330179 Washer This part replaces 0303304.
82 0313587 Rotor, distributor sensor
83 0302812 Screw, ground terminal
84 0313740 Screw, starter and distributor
85 0329267 Nut, flywheel This part replaces 0314209.
86 0313668 Clamp, dist.base
87 0310441 Clamp, small This part replaces 0310493.
88 0383950 Ign safety circuit assy
89 0306418 Screw, anchor block lower

Returns Policy

All returns must be authorized. Items returned prior authorization will not be accepted.

Defective new equipment may be returned for warranty repair/exchange to us within five (5) days of the shipment receipt date.  After five (5) days, returns will be handled by direct contact and in accordance with the warranty terms of the item's manufacturer.  Items that have malfunctioned due to mishandling, electrical overload, etc., will be subject to a repair charge. 

Non-Defective new equipment will be authorized for return within five (5) days of the shipment receipt date if the equipment is still in new, re-sellable condition with the original manual(s), accessories, packing material and carton. We reserve the right to reject returns in which there is no original packaging, missing accessories, damage or visible signs of usage of the item.  A restocking fee of up to 25% of purchase price may apply.  Special orders and dangerous goods are non-returnable.

**There's a 20% Restocking Fee on All Returned Palmgren Products in Original Packaging

To get your RMA, simply call (800) 364-4637 for a return authorization number or email sales@palmerpower.com .

(Do not write anything on the manufacturer's original package or use as a shipping carton. Include all accessories, manuals and warranties.) Please include a copy of the packing list or invoice with a reason for the return. Your return authorization number is valid for thirty days.

To check the status of your return, please email us at sales@palmerpower.com. Please be sure to include your RMA number. For more information please check our FAQ page.

Shipping

We can ship to virtually any address in the world. Note that there are restrictions on some products, and some products cannot be shipped to international destinations.

When you place an order, we will estimate shipping and delivery dates for you based on the availability of your items and the shipping options you choose. Depending on the shipping provider you choose, shipping date estimates may appear on the shipping quotes page.

Please also note that the shipping rates for many items we sell are weight-based. The weight of any such item can be found on its detail page. To reflect the policies of the shipping companies we use, all weights will be rounded up to the next full pound.

Boat Services & Repairs in Houston

We will service your boat whether you bought it from us or not. Our award-winning boat service department has a full-time staff of seasoned, factory-certified technicians dedicated to ensuring that your boat runs well for years to come. Our team is trained to correctly diagnose issues, advise you of any developing problems, and address any unique service issues your boat may require. Whether you need complex engine work and repairs, canvas and upholstery, boat tune Up, electronics installation or repair, or boat detailing, our technicians will work quickly to keep you out of the shop and on the water. Not only does our service department provide the highest quality service, we also have a large parts department for the do-it-yourself types. Ask about our inventory of parts and aftermarket additions to make your own repairs or upgrades.

Learn More

boat repair service boat Sterndrive repair

Frequently Asked Questions

  • How do I request a quote?
    To request a quote for pricing on any Palmer Power's products, please see our request a quote page. Fill out and submit our quote form and one of our representatives will contact you when your quote is ready.
  • Do you have any Minimum Order Restriction?
    Palmer Power Does not have any Minimum Order Restriction.
  • Will my order be subject to sales tax?
    Estimated state sales tax will appear within your shopping cart for all shipments within the United states unless a signed official state tax exemption certificate is furnished to Palmer Power.
  • How do I check my Order Status?
    To check the status of an online order, email sales@palmerpower.com. Please be sure to include your order number.
  • How do I Return items?

    All returns must be authorized. Items returned prior authorization will not be accepted. International customers must ship any returns to us freight and duty prepaid. Return freight charges for International shipments will be the responsibility of the customer.

    Defective new equipment may be returned for warranty repair/exchange to us within five (5) days of the shipment receipt date. After five (5) days, returns will be handled by direct contact and in accordance with the warranty terms of the item's manufacturer. Items that have malfunctioned due to mishandling, electrical overload, etc., will be subject to a repair charge.

    Non-Defective new equipment will be authorized for return within five (5) days of the shipment receipt date if the equipment is still in new, re-sellable condition with the original manual(s), accessories, packing material and carton. We reserve the right to reject returns in which there is no original packaging, missing accessories, damage or visible signs of usage of the item. A restocking fee of up to 25% of purchase price may apply. Special orders and dangerous goods are non-returnable.

    (Do not write anything on the manufacturer's original package or use as a shipping carton. Include all accessories, manuals and warranties.) Please include a copy of the packing list or invoice with a reason for the return. Your return authorization number is valid for thirty days.

  • What payment options do I have?

    Palmer Power accepts a variety of payment options for your convenience. For prepayment, we accept all major credit cards (Visa, MasterCard, Discover and American Express), Purchase Orders, and international wire transfers. We also offer credit terms to existing customers.

Fast Delivery
Dealer Program
Secure Shopping
30-Day Free Returns