
Guaranteed Fitment
Always the correct part
have questions?
Always the correct part
We know our products
Diagnostics, Repairs, and Maintenance
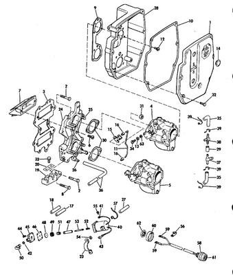
Disclaimer: Please note that the items featured in the image (schematic diagram) are not sold as a bundled set. To facilitate your search, kindly refer to the schematic object key provided below in order to locate a specific item within the image.
Schematic Object Key : 9
Product Description: Gasket, Air Silencer
Category: JOHNSON / 1968 / 55 / TRL-10R 1968 / INTAKE MANIFOLD AND CARBURETOR GROUP
Disclaimer: Each item listed in the table below is available for individual purchase and is not sold as part of a package or set.
Parts List:
Key | Part No. | Product Name | Additional_info |
---|---|---|---|
1 | 0302471 | W.asher, plain | |
2 | 0303398 | Screw, lower | This part replaces 0302030. |
3 | 0313422 | Gasket, base to crankcase | |
4 | 0317306 | Base, leaf plate | This part replaces 0313423. |
5 | 0317305 | Gasket, manifold to base | This part replaces 0313424. |
6 | 0307609 | Screw | |
7 | 0389731 | Leaf plate assembly | This part replaces 0382442. |
8 | 0327074 | Screw | This part replaces 0307129. |
9 | 0314115 | Gasket, air silencer | |
10 | 0314322 | Gasket, base to cover | |
11 | 0383057 | Cover assembly | |
12 | 0314496 | Screw, air silencer | |
13 | 0314326 | Screw, rear cover to base | |
14 | 0314739 | Spring, plunger to solenoid | |
15 | 0378984 | Arm screw | |
16 | 0313329 | Lockwasher, carburetor link | |
17 | 0313695 | Link, carburetor throttle | |
18 | 0314310 | Link, carburetor choke | |
19 | 0382982 | Solenoid assembly | |
20 | 0510684 | .housing, connector | |
21 | 0314424 | Housing, conn. | |
22 | 0313636 | Plunger | |
23 | 0314193 | Spring, choke solenoid | |
24 | 0319292 | Screw, clamp | This part replaces 0308762. |
25 | 0314327 | Clamp, choke solenoid | |
26 | 0310441 | Clamp, small | |
27 | 0313958 | Cover, air silencer, rear | |
28 | 0383082 | Base and nipple assy. | |
29 | 0314513 | Fitting, fuel inlet | |
30 | 0325092 | Gasket | This part replaces 0314477. |
31 | 0306320 | Nut | |
32 | 0314576 | Screw | |
33 | 0306799 | L'washer,bracket to hsg. | |
34 | 0386662 | Manifold, intake | This part replaces 0383193. |
35 | 0314497 | Stud, carburetor mounting | |
36 | 0314513 | Fitting, fuel inlet | |
37 | 0314021 | Bumber, exhaust manifold | |
38 | 0314119 | Link, slow speed adjust | |
39 | 0313791 | Arm, slow speed adjust, middle | |
40 | 0313792 | Arm, slow spd adj., upper lower | |
41 | 0313790 | Lever, slow speed adjust, carburetor | |
42 | 0302647 | Clamp | |
43 | 0313537 | Fitting, tee recirculation hose | |
44 | 0333387 | Hose, tee to primer | This part replaces 0314512. |
45 | 0203909 | Hose, oil return | This part replaces 0314191. |
46 | 0307529 | "o" ring, cam follower | |
47 | 0306418 | Screw, anchor block lower | |
48 | 0313996 | Guard, ring gear | |
49 | 0308506 | Hose, oil line | This part replaces 0552613. |
50 | 0306493 | Screw, regulator mounting | |
51 | 0314807 | Spring | |
52 | 0382316 | Carburetor assembly, complete, upper lowe | |
53 | 0382317 | Carburetor assembly, complete, middle |
All returns must be authorized. Items returned prior authorization will not be accepted.
Defective new equipment may be returned for warranty repair/exchange to us within five (5) days of the shipment receipt date. After five (5) days, returns will be handled by direct contact and in accordance with the warranty terms of the item's manufacturer. Items that have malfunctioned due to mishandling, electrical overload, etc., will be subject to a repair charge.
Non-Defective new equipment will be authorized for return within five (5) days of the shipment receipt date if the equipment is still in new, re-sellable condition with the original manual(s), accessories, packing material and carton. We reserve the right to reject returns in which there is no original packaging, missing accessories, damage or visible signs of usage of the item. A restocking fee of up to 25% of purchase price may apply. Special orders and dangerous goods are non-returnable.
**There's a 20% Restocking Fee on All Returned Palmgren Products in Original Packaging
To get your RMA, simply call (800) 364-4637 for a return authorization number or email sales@palmerpower.com .
(Do not write anything on the manufacturer's original package or use as a shipping carton. Include all accessories, manuals and warranties.) Please include a copy of the packing list or invoice with a reason for the return. Your return authorization number is valid for thirty days.
To check the status of your return, please email us at sales@palmerpower.com. Please be sure to include your RMA number. For more information please check our FAQ page.
Shipping
We can ship to virtually any address in the world. Note that there are restrictions on some products, and some products cannot be shipped to international destinations.
When you place an order, we will estimate shipping and delivery dates for you based on the availability of your items and the shipping options you choose. Depending on the shipping provider you choose, shipping date estimates may appear on the shipping quotes page.
Please also note that the shipping rates for many items we sell are weight-based. The weight of any such item can be found on its detail page. To reflect the policies of the shipping companies we use, all weights will be rounded up to the next full pound.
We will service your boat whether you bought it from us or not. Our award-winning boat service department has a full-time staff of seasoned, factory-certified technicians dedicated to ensuring that your boat runs well for years to come. Our team is trained to correctly diagnose issues, advise you of any developing problems, and address any unique service issues your boat may require. Whether you need complex engine work and repairs, canvas and upholstery, boat tune Up, electronics installation or repair, or boat detailing, our technicians will work quickly to keep you out of the shop and on the water. Not only does our service department provide the highest quality service, we also have a large parts department for the do-it-yourself types. Ask about our inventory of parts and aftermarket additions to make your own repairs or upgrades.
All returns must be authorized. Items returned prior authorization will not be accepted. International customers must ship any returns to us freight and duty prepaid. Return freight charges for International shipments will be the responsibility of the customer.
Defective new equipment may be returned for warranty repair/exchange to us within five (5) days of the shipment receipt date. After five (5) days, returns will be handled by direct contact and in accordance with the warranty terms of the item's manufacturer. Items that have malfunctioned due to mishandling, electrical overload, etc., will be subject to a repair charge.
Non-Defective new equipment will be authorized for return within five (5) days of the shipment receipt date if the equipment is still in new, re-sellable condition with the original manual(s), accessories, packing material and carton. We reserve the right to reject returns in which there is no original packaging, missing accessories, damage or visible signs of usage of the item. A restocking fee of up to 25% of purchase price may apply. Special orders and dangerous goods are non-returnable.
(Do not write anything on the manufacturer's original package or use as a shipping carton. Include all accessories, manuals and warranties.) Please include a copy of the packing list or invoice with a reason for the return. Your return authorization number is valid for thirty days.Palmer Power accepts a variety of payment options for your convenience. For prepayment, we accept all major credit cards (Visa, MasterCard, Discover and American Express), Purchase Orders, and international wire transfers. We also offer credit terms to existing customers.