
Guaranteed Fitment
Always the correct part
have questions?
Always the correct part
We know our products
Diagnostics, Repairs, and Maintenance
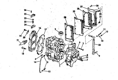
Disclaimer: Please note that the items featured in the image (schematic diagram) are not sold as a bundled set. To facilitate your search, kindly refer to the schematic object key provided below in order to locate a specific item within the image.
Schematic Object Key : 16
Product Description: Seal, Cyl, To C'Case
Category: JOHNSON / 1977 / 115 / 115ETL77 1977 / CYLINDER & CRANKCASE
Disclaimer: Each item listed in the table below is available for individual purchase and is not sold as part of a package or set.
Parts List:
Key | Part No. | Product Name | Additional_info |
---|---|---|---|
1 | 0386070 | Cylinder c'case assy. | |
1 | 0388526 | Cylinder c'case assy.,115hp | |
2 | 0304178 | Pin, dowel | |
3 | 0310221 | Core plug | |
4 | 0314969 | Stud | |
5 | 0310507 | Plug | |
6 | 0310872 | Stud | |
7 | 0308752 | Screw, main brg. upper lower | |
8 | 0318907 | Screw, c'case to cyl top | |
9 | 0305070 | Axe, carter moteur vers bloc | |
10 | 0322411 | Deflector, water pass | |
11 | 0318558 | Stud, throttle lever | |
12 | 0319592 | Scerw,cyl.to c'case,center | |
13 | 0318562 | Washer, stud | |
14 | 0314416 | Bumber, advance screw | |
15 | 0334218 | Screw, spark adjustment | This part replaces 0316286. |
16 | 0314964 | Seal, cyl, to c'case | |
17 | 0300646 | Screw, clamp, fuel filter | |
18 | 0307133 | Gasket | |
19 | 0310532 | Cover by pass | |
20 | 0323045 | Cover, by pass | This part replaces 0311240. |
21 | 0328741 | Nut, input stud | This part replaces 0304753. |
22 | 0318590 | Bushig,bellcrank rod | |
23 | 0328701 | Lockwasher, double ended bolt | This part replaces 0303480. |
24 | 0376349 | Lead, ground | |
25 | 0306049 | Screw | |
26 | 0908158 | Screw, anode | This part replaces 0305284. |
27 | 0318662 | Gasket, cyl. head 85 hp | |
27 | 0318358 | Gasket, cyl. head | |
28 | 0318332 | Cylinder head, stbd | |
28 | 0326503 | Cylinder head, stbd., 115 only | This part replaces 0322215. |
29 | 0318335 | Cover, cylinder head | |
30 | 0318333 | Cover, cylinder head | |
31 | 0309040 | Clamp, exhaust cover | |
32 | 0306409 | Screw, anchor block lower | |
33 | 0307267 | Screw | |
34 | 0386941 | Spark plub,champion l77j4 | |
34 | 0386939 | Park plug,ac m40ffx | |
35 | 0386686 | Switch temp | |
36 | 0303806 | Tubing | |
37 | 0318388 | Hose, cyl. head, stbd | |
38 | 0318387 | Hose, cyl. head port | |
39 | 0324825 | Clamp, cylinder head hose | This part replaces 0305646. |
40 | 0321898 | Cyl.head,port,85 hp | |
40 | 0321900 | Cyl.head,port,115 hp | |
41 | 0322684 | Filler block | |
42 | 0317951 | Gasket, water pass. cover | |
43 | 0318473 | Cover, water passage | |
44 | 0308742 | Screw, crankcase to cylinder | |
45 | 0385833 | Bellcrank shoulder stud assembly | |
46 | 0317914 | Gasket, exh. cover | |
47 | 0326365 | Clip, spring | This part replaces 0315197. |
48 | 0303311 | Scr,clamp,eng cable | |
49 | 0317729 | Cover, exh. inner | |
49 | 0322689 | Cover, exh. inner | |
50 | 0553766 | Bow washer | |
51 | 0317902 | Cover, exhause outer | |
52 | 0318205 | Shoulder screw, shift lever | |
53 | 0309905 | Scew,cylinder head | |
54 | 0306531 | Nut, screw throttle | |
55 | 0318208 | Bushing, shift lever | |
56 | 0120356 | Cotter pi, retainer | |
57 | 0306396 | Lock washer, control to boat | |
58 | 0385684 | Shift lever stud assy | |
59 | 0330143 | Stud, ground | This part replaces 0311328. |
60 | 0330266 | Washer, trail lock lever | This part replaces 0552993. |
61 | 0318660 | Bumper, screw, throttle stop | |
62 | 0330179 | Washer | This part replaces 0303304. |
63 | 0313774 | Retainer cyl. head cover | |
64 | 0316602 | Screw, letdown plate | |
65 | 0314125 | Bushing, shift handle linkage rod | |
66 | 0385683 | Bellcrank shldr pin assy | |
67 | 0306778 | Ecrew,exhaust cover,1 3 8"long | |
68 | 0315104 | Retainer, 3 ing. lead | |
69 | 0315182 | Clamp, cables | |
70 | 0306547 | 3.washer, mounting stud | |
71 | 0331025 | Screw | This part replaces 0308751. |
72 | 0318248 | Bushing bellcrank | |
73 | 0308993 | Ressort, friction d'accélération | |
74 | 0203688 | Nut | |
75 | 0322357 | Screw, idle adjust | |
76 | 0318561 | Lever, spark adjust | |
77 | 0319274 | Seal, cyl to c'case, stbd. | |
78 | 0395310 | Throttle cam assy. | This part replaces 0386588. |
79 | 0310928 | Clamp, steering bracket | |
80 | 0305650 | Cotter pin | |
81 | 0310524 | Yoke | |
82 | 0318207 | Bushing,shift lever | |
83 | 0328064 | Nut | This part replaces 0554427. |
84 | 0318559 | Bushing | |
85 | 0553766 | Bow washer | |
86 | 0318560 | Bushing, spark lever | |
87 | 0314098 | Washer, throttle lever | |
88 | 0314094 | Link, throttle lever to cam | |
89 | 0315107 | Link, throttle lever | |
90 | 0314136 | Screw, shift lever to bracket | |
91 | 0314137 | Nylon bushing | |
92 | 0204445 | Bow washer | |
93 | 0204757 | Bow washer | |
94 | 0302474 | Wahser,link | |
95 | 0310441 | Clamp, small | |
96 | 0319217 | Pin,clevis to shift lock | |
97 | 0319218 | Support bnrace,stbd. | |
98 | 0328740 | Nut, throttle friction | This part replaces 0301472. |
99 | 0395448 | Ball socket assy | This part replaces 0313700. |
101 | 0318402 | Rod, spare advance | |
103 | 0320397 | Washer in tiller kit .390 i.d. x .750 o.d. x 0.120 in | |
104 | 0306358 | Flat washer, helm mounting | |
105 | 0204757 | Bow washer | |
106 | 0322657 | Rod,shift lever to bellcrank | |
107 | 0313581 | Bumber, mount screw | |
108 | 0317973 | Lift bracket | |
109 | 0314515 | Screw | |
110 | 0388602 | Powerhead gasket set less cylinder head gask |
All returns must be authorized. Items returned prior authorization will not be accepted.
Defective new equipment may be returned for warranty repair/exchange to us within five (5) days of the shipment receipt date. After five (5) days, returns will be handled by direct contact and in accordance with the warranty terms of the item's manufacturer. Items that have malfunctioned due to mishandling, electrical overload, etc., will be subject to a repair charge.
Non-Defective new equipment will be authorized for return within five (5) days of the shipment receipt date if the equipment is still in new, re-sellable condition with the original manual(s), accessories, packing material and carton. We reserve the right to reject returns in which there is no original packaging, missing accessories, damage or visible signs of usage of the item. A restocking fee of up to 25% of purchase price may apply. Special orders and dangerous goods are non-returnable.
**There's a 20% Restocking Fee on All Returned Palmgren Products in Original Packaging
To get your RMA, simply call (800) 364-4637 for a return authorization number or email sales@palmerpower.com .
(Do not write anything on the manufacturer's original package or use as a shipping carton. Include all accessories, manuals and warranties.) Please include a copy of the packing list or invoice with a reason for the return. Your return authorization number is valid for thirty days.
To check the status of your return, please email us at sales@palmerpower.com. Please be sure to include your RMA number. For more information please check our FAQ page.
Shipping
We can ship to virtually any address in the world. Note that there are restrictions on some products, and some products cannot be shipped to international destinations.
When you place an order, we will estimate shipping and delivery dates for you based on the availability of your items and the shipping options you choose. Depending on the shipping provider you choose, shipping date estimates may appear on the shipping quotes page.
Please also note that the shipping rates for many items we sell are weight-based. The weight of any such item can be found on its detail page. To reflect the policies of the shipping companies we use, all weights will be rounded up to the next full pound.
We will service your boat whether you bought it from us or not. Our award-winning boat service department has a full-time staff of seasoned, factory-certified technicians dedicated to ensuring that your boat runs well for years to come. Our team is trained to correctly diagnose issues, advise you of any developing problems, and address any unique service issues your boat may require. Whether you need complex engine work and repairs, canvas and upholstery, boat tune Up, electronics installation or repair, or boat detailing, our technicians will work quickly to keep you out of the shop and on the water. Not only does our service department provide the highest quality service, we also have a large parts department for the do-it-yourself types. Ask about our inventory of parts and aftermarket additions to make your own repairs or upgrades.
All returns must be authorized. Items returned prior authorization will not be accepted. International customers must ship any returns to us freight and duty prepaid. Return freight charges for International shipments will be the responsibility of the customer.
Defective new equipment may be returned for warranty repair/exchange to us within five (5) days of the shipment receipt date. After five (5) days, returns will be handled by direct contact and in accordance with the warranty terms of the item's manufacturer. Items that have malfunctioned due to mishandling, electrical overload, etc., will be subject to a repair charge.
Non-Defective new equipment will be authorized for return within five (5) days of the shipment receipt date if the equipment is still in new, re-sellable condition with the original manual(s), accessories, packing material and carton. We reserve the right to reject returns in which there is no original packaging, missing accessories, damage or visible signs of usage of the item. A restocking fee of up to 25% of purchase price may apply. Special orders and dangerous goods are non-returnable.
(Do not write anything on the manufacturer's original package or use as a shipping carton. Include all accessories, manuals and warranties.) Please include a copy of the packing list or invoice with a reason for the return. Your return authorization number is valid for thirty days.Palmer Power accepts a variety of payment options for your convenience. For prepayment, we accept all major credit cards (Visa, MasterCard, Discover and American Express), Purchase Orders, and international wire transfers. We also offer credit terms to existing customers.