
Guaranteed Fitment
Always the correct part
have questions?
Always the correct part
We know our products
Diagnostics, Repairs, and Maintenance
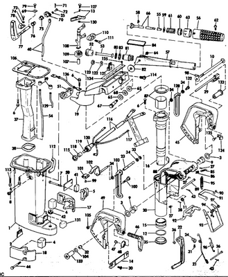
Disclaimer: Please note that the items featured in the image (schematic diagram) are not sold as a bundled set. To facilitate your search, kindly refer to the schematic object key provided below in order to locate a specific item within the image.
Schematic Object Key : 23
Product Description: Bushing, Tilt Lock Shaft To Sw. Brkt.
Category: EVINRUDE / 1983 / 15 / E15ECTR 1983 / EXHAUST HOUSING-9.9"C" MODELS,15 ROPE "R" MODELS
Disclaimer: Each item listed in the table below is available for individual purchase and is not sold as part of a package or set.
Parts List:
Key | Part No. | Product Name | Additional_info |
---|---|---|---|
1 | 0391578 | Exhaust housing assy on 15 hp use p n 432442 on 9.9 hp use p n 432496 | |
2 | 0322210 | Baffle , exhaust hsg. | |
3 | 0432294 | Screw nut assembly | This part replaces 0313966. |
4 | 0318997 | Lateral mount, lower | |
5 | 0386033 | Mount assy,.upper | |
6 | 0324334 | Screw | |
7 | 0313600 | Screw, upper mounts to steering bracket | |
8 | 0319125 | Screw | |
9 | 0300364 | Link, conical, tilt shaft | |
10 | 0319756 | Bolt, tilting shaft | |
11 | 0302051 | Spring tilting bolt | |
12 | 0301917 | O ring | |
13 | 0391105 | Starter pawl spring | |
14 | 0309738 | Plate stern bracket | |
15 | 0309967 | Bushing, pilot shaft, lower | |
16 | 0318528 | Pilot shaft, swivel brkt. | |
17 | 0329021 | Mount bracket, lower port | This part replaces 0322288. |
17 | 0329021 | Mount bracket, lower port | |
18 | 0329020 | Mount bracket, lower, stbd | This part replaces 0322289. |
18 | 0329020 | Mount bracket, lower, stbd | |
19 | 0395463 | Steering bracket | This part replaces 0320686. |
20 | 0329102 | Swivel bracket | |
21 | 0320416 | Wire, reverse lock release | |
22 | 0338874 | Carrying handle | This part replaces 0318956. |
23 | 0319046 | Bushing, tilt lock shaft to sw. brkt. | |
24 | 0319049 | Bell crank, reverse lock | |
25 | 0304380 | , bow | |
26 | 0326943 | Pin, link to lock lever | |
27 | 0313607 | Lube fitting | |
28 | 0319270 | Spring, tilt lock bushing | |
29 | 0432453 | Knob tilt pin assy. | This part replaces 0390441. |
30 | 0308684 | Screw, cover to housing | |
31 | 0319108 | Screw belcrank | |
32 | 0315077 | Locknut, 3 8 24 ss | This part replaces 0325451. |
33 | 0301983 | Conicak washer,stern brkt | |
34 | 0308052 | Washer | |
35 | 0309966 | Thrust washer, lower swivel bracket | |
36 | 0310540 | .washer, shaft | |
37 | 0330439 | Exhaust tube, inner | This part replaces 0324048. |
37 | 0330440 | Exhaust tube, inner | This part replaces 0325333. |
38 | 0318996 | Seal, inner to outer exh, hsg | |
39 | 0324045 | Grommer, upper, water tube | |
40 | 0319124 | Shift rod, upper | |
41 | 0318993 | Thrust mount upper | |
41 | 0329045 | Thrust mount, upper | |
42 | 0319229 | Grommet, exh, hsg, to shift rod | |
43 | 0305650 | Cotter pin | |
44 | 0319042 | Screw bracket and clampscrew assy., port | |
45 | 0327928 | Stern bracket, port | This part replaces 0392831. |
46 | 0391421 | Clamp screw handle | |
46 | 0433675 | Clamp scr. hand. assy. | This part replaces 0388347. |
47 | 0321922 | Screw, shoulder | |
48 | 0337017 | Plate, swivel | This part replaces 0307561. |
49 | 0327929 | Stern brkt., stbd. | This part replaces 0392832. |
50 | 0319084 | Link, upper mounts | |
50 | 0339613 | Plate, upper mounts | This part replaces 0329047. |
51 | 0318989 | Seal, upper mounts exh. hsg. | |
53 | 0319006 | Shaft, link to starter interlock bellcrank | |
54 | 0395122 | Water tube grommet, inlet, std. | This part replaces 0326994. |
54 | 0395123 | Eater tube, long | This part replaces 0326995. |
54 | 0395124 | Water tube | This part replaces 0328304. |
55 | 0319089 | Bushing | |
56 | 0393556 | Grip sleeve assy. | |
57 | 0322133 | Steering handle | |
58 | 0322134 | Retaining ring | |
59 | 0303252 | Wahser, grip spring | |
60 | 0303282 | Block | |
61 | 0301656 | Spring | |
62 | 0310303 | 1 | |
63 | 0320842 | Plate | |
64 | 0320266 | Locknut, cooler bracket | |
65 | 0319278 | Rondelle, pivot | |
66 | 0390680 | Gear shaft assy. | |
67 | 0318977 | Screw, stgr. hdle. to brkt | |
68 | 0319041 | Bow washer, scerw to brkt | |
69 | 0319537 | Clip | |
70 | 0320790 | Bellcrank, shift rod | |
71 | 0305650 | Cotter pin | |
72 | 0319541 | Pin, bellcrank to shift rod | |
73 | 0319563 | Scerw, lever to shaft | |
74 | 0311407 | Lockwasher, lever to shaft | |
75 | 0318950 | Bushing, shift lever to motor cover, inner | |
76 | 0318951 | Bushing, shift lever to c'case | |
77 | 0392878 | Shift lever bracket to hsg. | |
78 | 0320931 | Lever, shaft lever to shift lock link. | |
79 | 0308017 | Screw, bellcrank to shift lever | |
80 | 0908141 | Retaining ring | |
81 | 0389720 | Gear bushing assy., strg. hdl. | |
82 | 0304278 | Washer | |
83 | 0319316 | Rondelle, tube de direction | |
84 | 0319339 | Cover, steering hdl. gears | |
85 | 0313035 | Screw | |
86 | 0551113 | Ressort de friction de direction | |
87 | 0397736 | Block assy., friction | This part replaces 0388748. |
88 | 0397736 | Block assy., friction | This part replaces 0319086. |
89 | 0319055 | Pin, link to bracket | |
90 | 0310540 | .washer, shaft | |
91 | 0319050 | Lever, reverse locking | |
92 | 0322949 | Link, reverse lock | |
93 | 0338657 | Link, shallow water drive | This part replaces 0320426. |
94 | 0320427 | Spring, shallow water drive | |
95 | 0319279 | Spring, reverse lock | |
96 | 0320428 | Spring, reverse lock rod | |
97 | 0204293 | Washer, hinge pin | |
98 | 0304278 | Washer | |
99 | 0319227 | Screw, knob | |
100 | 0319047 | Pin, tilt lock to stern bracket | |
101 | 0328048 | Knob, tilt reverse lock lever | |
102 | 0386163 | Lever shaft assy,.lock | |
104 | 0604174 | Washer, tilt bolt | |
105 | 0313022 | Locknut, double ended bolt | |
106 | 0325721 | Gasket, cyl. c'case to lower engine cover | |
107 | 0321997 | Pin, control shaft lever | |
109 | 0319035 | Gear, vertical control shaft | |
110 | 0327588 | Bearing clamp, control shaft | |
111 | 0908159 | Screw, bearing clamp | |
112 | 0319280 | Sea.,exhaust housing to lower motor cover | |
113 | 0319126 | Screw, muffler, upper | |
114 | 0800177 | Screw | |
115 | 0319601 | . nut, switch | |
117 | 0510780 | 8 ring termianl | |
118 | 0321963 | Boot, switch | |
120 | 0511532 | Tubing, starter switch | |
122 | 0306799 | L'washer,bracket to hsg. | |
123 | 0306932 | Nut | |
126 | 0376349 | Lead, ground | |
127 | 0323700 | Screw, pawl to control shaft | |
128 | 0393204 | Lever link assy. | |
130 | 0308279 | Washer | |
131 | 0318994 | Thrust mount, lower | |
131 | 0329046 | Thrust mount | |
132 | 0315776 | Rondelle | |
133 | 0327969 | Ãcrou de blocage | |
134 | 0321792 | Plate, starting instructions | |
135 | 0308873 | Drivescrew, applique to lever |
All returns must be authorized. Items returned prior authorization will not be accepted.
Defective new equipment may be returned for warranty repair/exchange to us within five (5) days of the shipment receipt date. After five (5) days, returns will be handled by direct contact and in accordance with the warranty terms of the item's manufacturer. Items that have malfunctioned due to mishandling, electrical overload, etc., will be subject to a repair charge.
Non-Defective new equipment will be authorized for return within five (5) days of the shipment receipt date if the equipment is still in new, re-sellable condition with the original manual(s), accessories, packing material and carton. We reserve the right to reject returns in which there is no original packaging, missing accessories, damage or visible signs of usage of the item. A restocking fee of up to 25% of purchase price may apply. Special orders and dangerous goods are non-returnable.
**There's a 20% Restocking Fee on All Returned Palmgren Products in Original Packaging
To get your RMA, simply call (800) 364-4637 for a return authorization number or email sales@palmerpower.com .
(Do not write anything on the manufacturer's original package or use as a shipping carton. Include all accessories, manuals and warranties.) Please include a copy of the packing list or invoice with a reason for the return. Your return authorization number is valid for thirty days.
To check the status of your return, please email us at sales@palmerpower.com. Please be sure to include your RMA number. For more information please check our FAQ page.
Shipping
We can ship to virtually any address in the world. Note that there are restrictions on some products, and some products cannot be shipped to international destinations.
When you place an order, we will estimate shipping and delivery dates for you based on the availability of your items and the shipping options you choose. Depending on the shipping provider you choose, shipping date estimates may appear on the shipping quotes page.
Please also note that the shipping rates for many items we sell are weight-based. The weight of any such item can be found on its detail page. To reflect the policies of the shipping companies we use, all weights will be rounded up to the next full pound.
We will service your boat whether you bought it from us or not. Our award-winning boat service department has a full-time staff of seasoned, factory-certified technicians dedicated to ensuring that your boat runs well for years to come. Our team is trained to correctly diagnose issues, advise you of any developing problems, and address any unique service issues your boat may require. Whether you need complex engine work and repairs, canvas and upholstery, boat tune Up, electronics installation or repair, or boat detailing, our technicians will work quickly to keep you out of the shop and on the water. Not only does our service department provide the highest quality service, we also have a large parts department for the do-it-yourself types. Ask about our inventory of parts and aftermarket additions to make your own repairs or upgrades.
All returns must be authorized. Items returned prior authorization will not be accepted. International customers must ship any returns to us freight and duty prepaid. Return freight charges for International shipments will be the responsibility of the customer.
Defective new equipment may be returned for warranty repair/exchange to us within five (5) days of the shipment receipt date. After five (5) days, returns will be handled by direct contact and in accordance with the warranty terms of the item's manufacturer. Items that have malfunctioned due to mishandling, electrical overload, etc., will be subject to a repair charge.
Non-Defective new equipment will be authorized for return within five (5) days of the shipment receipt date if the equipment is still in new, re-sellable condition with the original manual(s), accessories, packing material and carton. We reserve the right to reject returns in which there is no original packaging, missing accessories, damage or visible signs of usage of the item. A restocking fee of up to 25% of purchase price may apply. Special orders and dangerous goods are non-returnable.
(Do not write anything on the manufacturer's original package or use as a shipping carton. Include all accessories, manuals and warranties.) Please include a copy of the packing list or invoice with a reason for the return. Your return authorization number is valid for thirty days.Palmer Power accepts a variety of payment options for your convenience. For prepayment, we accept all major credit cards (Visa, MasterCard, Discover and American Express), Purchase Orders, and international wire transfers. We also offer credit terms to existing customers.