
Guaranteed Fitment
Always the correct part
have questions?
Always the correct part
We know our products
Diagnostics, Repairs, and Maintenance
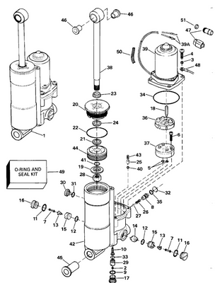
Disclaimer: Please note that the items featured in the image (schematic diagram) are not sold as a bundled set. To facilitate your search, kindly refer to the schematic object key provided below in order to locate a specific item within the image.
Schematic Object Key : 68
Product Description: O-Ring, Valve Seat
Category: EVINRUDE / 1981 / 75 / E75ERCIM 1981 / POWER TILT & TRIM MODELS WITH "M" SUFFIX ONLY (EXPT 75 TRL)
Disclaimer: Each item listed in the table below is available for individual purchase and is not sold as part of a package or set.
Parts List:
Key | Part No. | Product Name | Additional_info |
---|---|---|---|
0391037 | 0391037 | Hydraulic assy | |
1 | 0398110 | Manifold, power trim tilt | This part replaces 0390703. |
2 | 0321195 | . plub, manifold | |
3 | 0321164 | Plug | |
4 | 0323846 | Spring, piston | |
5 | 0325863 | Spring, relief valve | |
6 | 0324677 | O ring, valve core, upper | |
7 | 0325862 | Valve core, relief valve | |
8 | 0324678 | O ring, valve core, lower | |
9 | 0323848 | Piston, pump control | |
10 | 0391155 | Seat, valve core, relief valve | |
11 | 0326425 | O ring, value seat | |
12 | 0320780 | Screw, motor reservoir | |
13 | 0321163 | O ring, motor | |
14 | 0320980 | Sleeve, trim cylinder | |
15 | 0316602 | Screw, letdown plate | |
16 | 0300154 | Washer | |
17 | 0323408 | Plate, manifold | |
18 | 0321347 | . valve core, pilot valve | |
19 | 0321113 | . spring, pilot valve | |
20 | 0160084 | Ball | |
21 | 0983767 | Valve assy., relief valve | This part replaces 0323406. |
22 | 0202893 | "o" ring, drive shaft | |
23 | 0321345 | . valve seat, pilot valve | |
24 | 0321165 | Filter, reservoir | |
25 | 0320788 | End cap, trim cylinder | |
26 | 0321226 | Valve seat, filter | |
27 | 0319662 | O ring, end cap | |
28 | 0393988 | Motor and cable assy | This part replaces 0391264. |
29 | 0511657 | . . ring terminal | |
0392202 | 0392202 | . end cap brush assy. | |
0390986 | 0390986 | . end cap brush assy. | |
30 | 0321284 | Plug, reservoir | |
31 | 0307450 | "o" ring, large | |
32 | 0321350 | Filter, oil pump | |
33 | 0321716 | Ring, backup sleeve | |
34 | 0122757 | Seal, valve pump relief | |
35 | 0321357 | O ring | |
36 | 0321282 | Spring, relief valve | |
37 | 0122759 | Valve, pump relief | |
38 | 0390443 | Oil line assy., upper | |
39 | 0387397 | Oil line assy., lower | |
40 | 0360252 | Washer | This part replaces 0306311. |
0387248 | 0387248 | Cylinder assy., tilt | |
41 | 0387248 | Cylinder assy., tilt | This part replaces 0387584. |
0321117 | 0321117 | O ring, cam follower | |
42 | 0173594 | . . end head assy. | This part replaces 0387585. |
43 | 0174003 | 0 ring package | This part replaces 0387586. |
44 | 0387587 | . . piston head assy. | |
45 | 0321446 | . . . o ring | |
46 | 0387588 | . . piston rod assy. | |
0387248 | 0387248 | Cylinder assy., tilt | |
47 | 0387248 | Cylinder assy., tilt | This part replaces 0390005. |
48 | 0387248 | Cylinder assy., tilt | This part replaces 0390004. |
0390002 | 0390002 | Rod assy. complete | |
49 | 0390006 | Cap, o ring seal assy. | |
50 | 0390000 | Piston assy. | |
51 | 0390001 | Rod eyelet | |
52 | 0324385 | Washer, rod end | |
53 | 0324390 | Hex nut, rod end | |
54 | 0390007 | O ring package | |
55 | 0321246 | Bushing, shock lower | |
56 | 0321202 | Pivot pin, shock lower | |
57 | 0387517 | Valve seat, housing seal assy. | |
58 | 0304174 | "o" ring, tube adapter | |
59 | 0326649 | O ring | |
60 | 0387376 | Valve seat, housing seal | |
61 | 0326649 | O ring | |
62 | 0304174 | "o" ring, tube adapter | |
63 | 0391163 | Reservoir, trim tilt | |
64 | 0321239 | . piston, let down control | |
65 | 0122494 | Wiper, trim rod | |
66 | 0387990 | Manual release valve | |
67 | 0321362 | Retaining ring, manual release | |
68 | 0321542 | O ring, valve seat | |
69 | 0302290 | Washer | |
70 | 0321715 | Ring backup, end cap | |
71 | 0389836 | Oil pump assy. | |
72 | 0321219 | Screw, pump to manifold | |
73 | 0322174 | Drive coupling | |
74 | 0322175 | Ball, coupling | |
75 | 0321942 | Screw, oil pump to manifold, short | |
76 | 0323407 | . spring, relief valve | |
77 | 0321283 | O ring, trim cylinder | |
78 | 0983767 | Valve assy., relief valve | This part replaces 0389000. |
79 | 0326649 | O ring | |
80 | 0321117 | O ring, cam follower | |
81 | 0322724 | Trim rod assy. | |
82 | 0330809 | Seal, trim rod | This part replaces 0391622. |
83 | 0321209 | . . screw | |
84 | 0511465 | Connector, 3 pin recepticale | |
85 | 0582093 | Lead assy | This part replaces 0582092. |
86 | 0510151 | . . terminal | |
87 | 0511469 | Terminal, pin | |
88 | 0582878 | Indicator gauge assy. | This part replaces 0387758. |
89 | 0122552 | Ampoule | |
90 | 0122553 | Bulb socket | |
91 | 0320107 | Tie strap | |
92 | 0310981 | . screw, junction box mounting | |
93 | 0317000 | Cable, starter cable | |
0582192 | 0582192 | Junction box cover | |
94 | 0304489 | Screw, strap | |
95 | 0582191 | Colver transfer assy | |
96 | 0329182 | Screw, ground terminal | This part replaces 0327569. |
97 | 0315004 | . . jumper, terminal board | |
98 | 0321209 | . . screw | |
99 | 0512066 | Clamp | |
101 | 0581960 | . . cable assy., sending unit | |
102 | 0309433 | Borne | |
103 | 0510780 | 8 ring termianl | |
104 | 0511848 | . . . connector | |
104 | 0511848 | . . . connector | |
105 | 0582182 | Cable assy, battery | |
107 | 0510780 | 8 ring termianl | |
108 | 0511386 | . . . fuse | |
110 | 0511869 | . seal relay | |
111 | 0582186 | Connector lead | |
112 | 0511866 | Connector | |
113 | 0582187 | Cable assy, trim switch guage | |
115 | 0309433 | Borne | |
116 | 0309474 | . . . connector | |
117 | 0510780 | 8 ring termianl | |
118 | 0511865 | . terminal | |
119 | 0582188 | Cable assy tnt motor | |
120 | 0511865 | . terminal | |
121 | 0325699 | . connector | |
122 | 0511656 | Terminal | |
123 | 0511849 | . connector | |
124 | 0319603 | Screw, primer terminal | |
125 | 0511847 | Connector, sender | |
126 | 0511496 | Plug, seal |
All returns must be authorized. Items returned prior authorization will not be accepted.
Defective new equipment may be returned for warranty repair/exchange to us within five (5) days of the shipment receipt date. After five (5) days, returns will be handled by direct contact and in accordance with the warranty terms of the item's manufacturer. Items that have malfunctioned due to mishandling, electrical overload, etc., will be subject to a repair charge.
Non-Defective new equipment will be authorized for return within five (5) days of the shipment receipt date if the equipment is still in new, re-sellable condition with the original manual(s), accessories, packing material and carton. We reserve the right to reject returns in which there is no original packaging, missing accessories, damage or visible signs of usage of the item. A restocking fee of up to 25% of purchase price may apply. Special orders and dangerous goods are non-returnable.
**There's a 20% Restocking Fee on All Returned Palmgren Products in Original Packaging
To get your RMA, simply call (800) 364-4637 for a return authorization number or email sales@palmerpower.com .
(Do not write anything on the manufacturer's original package or use as a shipping carton. Include all accessories, manuals and warranties.) Please include a copy of the packing list or invoice with a reason for the return. Your return authorization number is valid for thirty days.
To check the status of your return, please email us at sales@palmerpower.com. Please be sure to include your RMA number. For more information please check our FAQ page.
Shipping
We can ship to virtually any address in the world. Note that there are restrictions on some products, and some products cannot be shipped to international destinations.
When you place an order, we will estimate shipping and delivery dates for you based on the availability of your items and the shipping options you choose. Depending on the shipping provider you choose, shipping date estimates may appear on the shipping quotes page.
Please also note that the shipping rates for many items we sell are weight-based. The weight of any such item can be found on its detail page. To reflect the policies of the shipping companies we use, all weights will be rounded up to the next full pound.
We will service your boat whether you bought it from us or not. Our award-winning boat service department has a full-time staff of seasoned, factory-certified technicians dedicated to ensuring that your boat runs well for years to come. Our team is trained to correctly diagnose issues, advise you of any developing problems, and address any unique service issues your boat may require. Whether you need complex engine work and repairs, canvas and upholstery, boat tune Up, electronics installation or repair, or boat detailing, our technicians will work quickly to keep you out of the shop and on the water. Not only does our service department provide the highest quality service, we also have a large parts department for the do-it-yourself types. Ask about our inventory of parts and aftermarket additions to make your own repairs or upgrades.
All returns must be authorized. Items returned prior authorization will not be accepted. International customers must ship any returns to us freight and duty prepaid. Return freight charges for International shipments will be the responsibility of the customer.
Defective new equipment may be returned for warranty repair/exchange to us within five (5) days of the shipment receipt date. After five (5) days, returns will be handled by direct contact and in accordance with the warranty terms of the item's manufacturer. Items that have malfunctioned due to mishandling, electrical overload, etc., will be subject to a repair charge.
Non-Defective new equipment will be authorized for return within five (5) days of the shipment receipt date if the equipment is still in new, re-sellable condition with the original manual(s), accessories, packing material and carton. We reserve the right to reject returns in which there is no original packaging, missing accessories, damage or visible signs of usage of the item. A restocking fee of up to 25% of purchase price may apply. Special orders and dangerous goods are non-returnable.
(Do not write anything on the manufacturer's original package or use as a shipping carton. Include all accessories, manuals and warranties.) Please include a copy of the packing list or invoice with a reason for the return. Your return authorization number is valid for thirty days.Palmer Power accepts a variety of payment options for your convenience. For prepayment, we accept all major credit cards (Visa, MasterCard, Discover and American Express), Purchase Orders, and international wire transfers. We also offer credit terms to existing customers.