EVINRUDE-JOHNSON 324512 Gear, Throttle Control | PalmerPower
close
close
click to zoom in
  • Guaranteed Fitment

    Always the correct part

  • In-House Experts

    We know our products

  • Boat Repair Service

    Diagnostics, Repairs, and Maintenance

  • Fast Delivery

EVINRUDE-JOHNSON 324512 Gear, Throttle Control

Write a Review
$38.99
SKU:
324512
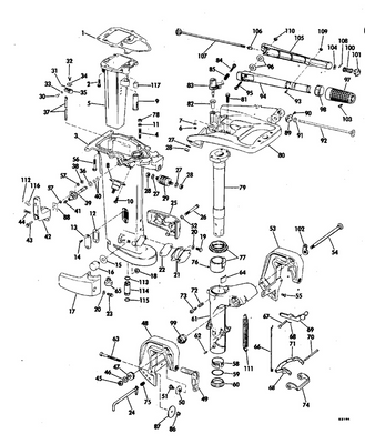
Schematic Object Key:
73

EVINRUDE-JOHNSON 324512 Gear, Throttle Control

$38.99

Disclaimer: Please note that the items featured in the image (schematic diagram) are not sold as a bundled set. To facilitate your search, kindly refer to the schematic object key provided below in order to locate a specific item within the image.

EVINRUDE-JOHNSON 324512 Gear, Throttle Control

Schematic Object Key : 73

Replacement: This part (324512) replaces 0321669.

Product Description: Gear, Throttle Control

Category: EVINRUDE / 1977 / 6 / 6705M 1977 / EXHAUST HOUSING

Disclaimer: Each item listed in the table below is available for individual purchase and is not sold as part of a package or set.

Parts List:

Key Part No. Product Name Additional_info
1 0385850 Exhaust housing assy
2 0303393 Screw
3 0304304 Plate, exhaust hsg cover
4 0318510 Spacer
5 0314986 Screw, inner exhaust tube
6 0303889 .nut
7 0308688 Washer
8 0303880 Mount, rubber lower side
9 0380680 Mount, rubber side
10 0303887 Washeer, pin to swivel bracket
11 0312241 Screw, electrical bracket
12 0308728 Screw
13 0304168 Gasket, mount, lower side
14 0324424 Screw, carb. body, long This part replaces 0304299.
15 0307555 Lock washer, anode
16 0305554 Housing, lower mount, port
17 0303890 Acorn nut, lower side mount
18 0305555 Housing, lower mount, starboard
19 0385837 Handle, gearshaft
20 0551113 Ressort de friction de direction
21 0909533 Screw, adapter This part replaces 0309646.
22 0303191 "o" ring, lever shaft
23 0318378 Lever, arm shift lever
24 0395022 Lever bushing, shift rod This part replaces 0385826.
25 0303714 Screw
26 0303715 Washer, rivet
27 0552938 Locking nut, 3 8 x 24 This part replaces 0306319.
28 0306433 Washer
29 0302051 Spring tilting bolt
30 0391955 Stern bracket assy This part replaces 0388033.
31 0433675 Clamp scr. hand. assy. This part replaces 0388346.
32 0337017 Plate, swivel This part replaces 0307561.
33 0321922 Screw, shoulder
34 0304278 Washer
35 0304283 Spring, stabilizer, tilting lever
36 0202021 Spring, link to shallow water drive
37 0301983 Conicak washer,stern brkt
38 0901889 Screw This part replaces 0303396.
39 0376505 Lever, tilting
40 0391956 Stern bracket assy., port incl. item 23 This part replaces 0388032.
41 0326134 Bolt, tilting This part replaces 0304277.
42 0303978 Link, reverse lock arm to shaft
43 0303949 Rod, reverse lock
44 0306376 Cotter pin
45 0303950 Link, reverse lock
46 0329962 Lever, reverse lock This part replaces 0303948.
47 0303370 Bushing, upper swivel bracket
48 0304290 Washer, thrust
49 0304293 Shaft, pilot, steering bracket
50 0304282 Spring, reverse lock
51 0303696 Pin
52 0303697 Spacer, co pilot plate to upper liner
53 0303363 Plate, co pilot
54 0379284 Swivel bracket bshg
55 0309976 Washer, lower pilot shaft
56 0309977 Bushing, lower, pilot shaft
57 0309978 O ring
58 0313607 Lube fitting
59 0317595 Transfer, tilt lock
60 0313035 Screw
61 0303930 Pin, cotter, pivot shaft
62 0329640 Arm, reverse lock This part replaces 0311351.
63 0303049 Cotter pin
64 0304376 Washer, handle to bracket
65 0311381 Shift rod, upper
66 0311382 Shaft rod, upper, long
66 0304027 Screw
67 0380184 Steering bracket
68 0376689 Gear shaft, short
69 0303107 Washer, pulse nipple
70 0303142 Pinion, control throttle
71 0303951 Screw, pin to shaft
72 0303140 Bushing, throttle control
73 0324512 Gear, throttle control This part replaces 0321669.
74 0303217 Groove pin This part replaces 0302877.
75 0388243 Gear shaft, long
76 0310303 1
77 0393556 Grip sleeve assy. This part replaces 0279600.
78 0319213 Plate
79 0313065 Gasket, exhaust housing
80 0133452 Screw
81 0303282 Block
82 0301656 Spring
83 0330976 Screw, handle halves This part replaces 0303078.
84 0318213 Handle, inner half
85 0303079 Washer
86 0311354 Cover, handle gears
87 0318214 Handle, outer half
88 0325074 Bushing This part replaces 0305100.
89 0303252 Wahser, grip spring
90 0133079 Nut
91 0328742 Nut This part replaces 0306338.
92 0303236 Spring, handle to washer
93 0303775 Wahser, lever to hsg

Returns Policy

All returns must be authorized. Items returned prior authorization will not be accepted.

Defective new equipment may be returned for warranty repair/exchange to us within five (5) days of the shipment receipt date.  After five (5) days, returns will be handled by direct contact and in accordance with the warranty terms of the item's manufacturer.  Items that have malfunctioned due to mishandling, electrical overload, etc., will be subject to a repair charge. 

Non-Defective new equipment will be authorized for return within five (5) days of the shipment receipt date if the equipment is still in new, re-sellable condition with the original manual(s), accessories, packing material and carton. We reserve the right to reject returns in which there is no original packaging, missing accessories, damage or visible signs of usage of the item.  A restocking fee of up to 25% of purchase price may apply.  Special orders and dangerous goods are non-returnable.

**There's a 20% Restocking Fee on All Returned Palmgren Products in Original Packaging

To get your RMA, simply call (800) 364-4637 for a return authorization number or email sales@palmerpower.com .

(Do not write anything on the manufacturer's original package or use as a shipping carton. Include all accessories, manuals and warranties.) Please include a copy of the packing list or invoice with a reason for the return. Your return authorization number is valid for thirty days.

To check the status of your return, please email us at sales@palmerpower.com. Please be sure to include your RMA number. For more information please check our FAQ page.

Shipping

We can ship to virtually any address in the world. Note that there are restrictions on some products, and some products cannot be shipped to international destinations.

When you place an order, we will estimate shipping and delivery dates for you based on the availability of your items and the shipping options you choose. Depending on the shipping provider you choose, shipping date estimates may appear on the shipping quotes page.

Please also note that the shipping rates for many items we sell are weight-based. The weight of any such item can be found on its detail page. To reflect the policies of the shipping companies we use, all weights will be rounded up to the next full pound.

Boat Services & Repairs in Houston

We will service your boat whether you bought it from us or not. Our award-winning boat service department has a full-time staff of seasoned, factory-certified technicians dedicated to ensuring that your boat runs well for years to come. Our team is trained to correctly diagnose issues, advise you of any developing problems, and address any unique service issues your boat may require. Whether you need complex engine work and repairs, canvas and upholstery, boat tune Up, electronics installation or repair, or boat detailing, our technicians will work quickly to keep you out of the shop and on the water. Not only does our service department provide the highest quality service, we also have a large parts department for the do-it-yourself types. Ask about our inventory of parts and aftermarket additions to make your own repairs or upgrades.

Learn More

boat repair service boat Sterndrive repair

Frequently Asked Questions

  • How do I request a quote?
    To request a quote for pricing on any Palmer Power's products, please see our request a quote page. Fill out and submit our quote form and one of our representatives will contact you when your quote is ready.
  • Do you have any Minimum Order Restriction?
    Palmer Power Does not have any Minimum Order Restriction.
  • Will my order be subject to sales tax?
    Estimated state sales tax will appear within your shopping cart for all shipments within the United states unless a signed official state tax exemption certificate is furnished to Palmer Power.
  • How do I check my Order Status?
    To check the status of an online order, email sales@palmerpower.com. Please be sure to include your order number.
  • How do I Return items?

    All returns must be authorized. Items returned prior authorization will not be accepted. International customers must ship any returns to us freight and duty prepaid. Return freight charges for International shipments will be the responsibility of the customer.

    Defective new equipment may be returned for warranty repair/exchange to us within five (5) days of the shipment receipt date. After five (5) days, returns will be handled by direct contact and in accordance with the warranty terms of the item's manufacturer. Items that have malfunctioned due to mishandling, electrical overload, etc., will be subject to a repair charge.

    Non-Defective new equipment will be authorized for return within five (5) days of the shipment receipt date if the equipment is still in new, re-sellable condition with the original manual(s), accessories, packing material and carton. We reserve the right to reject returns in which there is no original packaging, missing accessories, damage or visible signs of usage of the item. A restocking fee of up to 25% of purchase price may apply. Special orders and dangerous goods are non-returnable.

    (Do not write anything on the manufacturer's original package or use as a shipping carton. Include all accessories, manuals and warranties.) Please include a copy of the packing list or invoice with a reason for the return. Your return authorization number is valid for thirty days.

  • What payment options do I have?

    Palmer Power accepts a variety of payment options for your convenience. For prepayment, we accept all major credit cards (Visa, MasterCard, Discover and American Express), Purchase Orders, and international wire transfers. We also offer credit terms to existing customers.

Fast Delivery
Dealer Program
Secure Shopping
30-Day Free Returns