
Guaranteed Fitment
Always the correct part
have questions?
Always the correct part
We know our products
Diagnostics, Repairs, and Maintenance
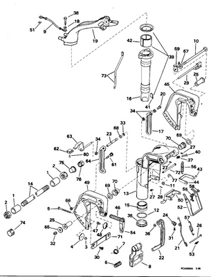
Disclaimer: Please note that the items featured in the image (schematic diagram) are not sold as a bundled set. To facilitate your search, kindly refer to the schematic object key provided below in order to locate a specific item within the image.
Schematic Object Key : 37
Product Description: Shift Rod, Upper
Category: JOHNSON / 1983 / 35 / J35ECTS 1983 / EXHAUST HOUSING - 35
Disclaimer: Each item listed in the table below is available for individual purchase and is not sold as part of a package or set.
Parts List:
Key | Part No. | Product Name | Additional_info |
---|---|---|---|
1 | 0330621 | Gasket, powerhead base | This part replaces 0324332. |
2 | 0308743 | Screw, injector to manifold | This part replaces 0320179. |
3 | 0324871 | Screw, housing to cylinder | |
4 | 0436192 | Exhaust housing assy 15" | This part replaces 0392944. |
4 | 0395155 | Exhaust housing assy. long | This part replaces 0392945. |
5 | 0324815 | Stud | This part replaces 0320152. |
6 | 0327163 | Spacer, shift lever | |
7 | 0313607 | Lube fitting | |
8 | 0396741 | Actuator cam, shift | This part replaces 0325582. |
9 | 0324333 | Exhaust tube, inner | |
10 | 0325018 | Bolt, tilting shaft | |
11 | 0303879 | Mount rubber, upper side, std. only | |
11 | 0325974 | Mount, rubber, upper | |
12 | 0303887 | Washeer, pin to swivel bracket | |
13 | 0329217 | Screw, retainer | This part replaces 0310259. |
14 | 0325017 | Nut, tilt lock pin | |
15 | 0314898 | L'nut, stud, alt frt | |
16 | 0321470 | Mount, rubber, lower side | |
16 | 0325975 | Mount, rubber, lower | |
17 | 0323109 | Houising,lower mount,stbd. | |
18 | 0315776 | Rondelle | |
19 | 0330437 | Screw | This part replaces 0303888. |
20 | 0303886 | Lockwasher | |
21 | 0321469 | Mount, rubber, lower front | |
22 | 0327969 | Ecrou de blocage | |
23 | 0309942 | Screw, anchor bracket | |
24 | 0436387 | Tilt pin | This part replaces 0391271. |
25 | 0323108 | Housing, lower mount port | |
26 | 0342540 | Screw, exhaust housing to ext. | This part replaces 0316440. |
27 | 0303884 | Washer | |
28 | 0303889 | .nut | |
29 | 0304800 | Mount, rubber, upper front | |
30 | 0319541 | Pin, bellcrank to shift rod | |
31 | 0305650 | Cotter pin | |
32 | 0321532 | Screw | |
33 | 0304380 | , bow | |
34 | 0319537 | Clip | |
35 | 0322092 | Lever, shift rod | |
36 | 0303775 | Wahser, lever to hsg | |
37 | 0325540 | Shift rod, upper | |
37 | 0325541 | Shift rod, upper | |
38 | 0203688 | Nut | |
39 | 0394574 | Adj. lever shaft assy | This part replaces 0390252. |
40 | 0303191 | "o" ring, lever shaft | |
41 | 0325914 | Bushing, stern bracket | |
42 | 0325358 | Shift lever | |
42 | 0392563 | Shift lever assy. | |
42A | 0327675 | Bolt, double ended | |
42B | 0327725 | Washer, bolt to shift lever | |
42C | 0328266 | Washer, bolt to shift lever | |
42D | 0313022 | Locknut, double ended bolt | |
43 | 0327945 | Fitting, lube | |
44 | 0314408 | . .ring, tru arc | |
45 | 0323599 | Locknut | This part replaces 0316828. |
46 | 0437876 | Lock assembly, tilt port | This part replaces 0387667. |
47 | 0437875 | Lock assembly, tilt starboard | This part replaces 0387668. |
48 | 0391943 | Stern brkt. assy., stbd use on one of p n 342536 one of p n 433675 | |
49 | 0433675 | Clamp scr. hand. assy. | This part replaces 0388347. |
49 | 0391421 | Clamp screw handle | |
50 | 0337017 | Plate, swivel | This part replaces 0307561. |
51 | 0321922 | Screw, shoulder | |
52 | 0304144 | Lock washer | |
53 | 0391942 | Stern brkt. at., port includes items 49, 51 use on one of p n 342535 one of p n 433675 | |
54 | 0351896 | Tilt tube | This part replaces 0321511. |
55 | 0319699 | Thrust washer, stern bracket | |
56 | 0357240 | Tie bar, stern bracket | This part replaces 0319709. |
57 | 0328701 | Lockwasher, double ended bolt | This part replaces 0303480. |
58 | 0309967 | Bushing, pilot shaft, lower | |
59 | 0301917 | O ring | |
60 | 0309966 | Thrust washer, lower swivel bracket | |
61 | 0323158 | Bracket, rubber, lower side | |
62 | 0328230 | Screw, shift lever | |
63 | 0338657 | Link, shallow water drive | This part replaces 0320426. |
64 | 0397736 | Block assy., friction | This part replaces 0319086. |
65 | 0303887 | Washeer, pin to swivel bracket | |
66 | 0388662 | Leveer shaft, lock | |
67 | 0305650 | Cotter pin | |
68 | 0319692 | Pin tilt lock | |
69 | 0319693 | Bushing, tilt lock | |
70 | 0319694 | Spring, tilt lock | |
71 | 0322950 | Lever, reverse lock | |
72 | 0551113 | Ressort de friction de direction | |
73 | 0321531 | Screw, friction adjust. swivel brkt. | |
74 | 0322949 | Link, reverse lock | |
75 | 0315786 | Retainer, knob | |
76 | 0328048 | Knob, tilt reverse lock lever | |
77 | 0397736 | Block assy., friction | This part replaces 0388748. |
78 | 0326071 | Bumper, mount housing | |
79 | 0326315 | Pilot shaft electric models use 394342 rope models use 394343 | |
80 | 0326044 | Bracket, steering | |
80 | 0326045 | Bracket, steering | |
81 | 0317624 | Screw, driveshaft hsg | |
82 | 0303854 | Bushi ng, throttle control | |
83 | 0393943 | Gear, throttle control | This part replaces 0387634. |
84 | 0304573 | Scr., idle adj. | |
85 | 0552368 | Spring, idle adj. screw | |
86 | 0322947 | Head assy. | |
87 | 0322945 | Pin, link shallow water drive | |
88 | 0324579 | Screw | |
89 | 0303142 | Pinion, control throttle | |
90 | 0303951 | Screw, pin to shaft | |
91 | 0305347 | Bushing, throttle shaft | |
92 | 0387057 | Gear shaft, short | |
0391273 | 0391273 | Steering handle assy. | |
93 | 0133452 | Screw | |
94 | 0322933 | Handle ,sterring,inner half | |
95 | 0330976 | Screw, handle halves | This part replaces 0303078. |
96 | 0303079 | Washer | |
97 | 0393556 | Grip sleeve assy. | |
98 | 0319215 | Plate | |
99 | 0328742 | Nut | This part replaces 0306338. |
100 | 0301656 | Spring | |
101 | 0303282 | Block | |
102 | 0133079 | Nut | |
103 | 0310303 | 1 | |
104 | 0303252 | Wahser, grip spring | |
105 | 0322932 | Handle, outer half | |
106 | 0325074 | Bushing | |
107 | 0390676 | Gear shaft, long | |
109 | 0319227 | Screw, knob | |
110 | 0319787 | Bushing | |
111 | 0315078 | Spring, reverse lock | |
113 | 0319697 | Spring reverse lock | |
114 | 0321513 | Guide, water tube | |
115 | 0302497 | Grommet, lower water tube | |
116 | 0303049 | Cotter pin | |
117 | 0322946 | Spring, shallow water drive | |
118 | 0388661 | Cam shift assy., tilt lock | |
120 | 0604174 | Washer, tilt bolt | |
121 | 0319696 | Rod, reverse lock | |
122 | 0326943 | Pin, link to lock lever | |
123 | 0319695 | Bell crank | |
124 | 0319108 | Screw belcrank | |
125 | 0313838 | Nut, bracket to steering arm | |
0393220 | 0393220 | Remote control adapter kit | |
126 | 0328059 | Clamp, cable to trunnion | |
127 | 0328064 | Nut | |
128 | 0310685 | Abchor blcok, trunnion | |
129 | 0310686 | Screw |
All returns must be authorized. Items returned prior authorization will not be accepted.
Defective new equipment may be returned for warranty repair/exchange to us within five (5) days of the shipment receipt date. After five (5) days, returns will be handled by direct contact and in accordance with the warranty terms of the item's manufacturer. Items that have malfunctioned due to mishandling, electrical overload, etc., will be subject to a repair charge.
Non-Defective new equipment will be authorized for return within five (5) days of the shipment receipt date if the equipment is still in new, re-sellable condition with the original manual(s), accessories, packing material and carton. We reserve the right to reject returns in which there is no original packaging, missing accessories, damage or visible signs of usage of the item. A restocking fee of up to 25% of purchase price may apply. Special orders and dangerous goods are non-returnable.
**There's a 20% Restocking Fee on All Returned Palmgren Products in Original Packaging
To get your RMA, simply call (800) 364-4637 for a return authorization number or email sales@palmerpower.com .
(Do not write anything on the manufacturer's original package or use as a shipping carton. Include all accessories, manuals and warranties.) Please include a copy of the packing list or invoice with a reason for the return. Your return authorization number is valid for thirty days.
To check the status of your return, please email us at sales@palmerpower.com. Please be sure to include your RMA number. For more information please check our FAQ page.
Shipping
We can ship to virtually any address in the world. Note that there are restrictions on some products, and some products cannot be shipped to international destinations.
When you place an order, we will estimate shipping and delivery dates for you based on the availability of your items and the shipping options you choose. Depending on the shipping provider you choose, shipping date estimates may appear on the shipping quotes page.
Please also note that the shipping rates for many items we sell are weight-based. The weight of any such item can be found on its detail page. To reflect the policies of the shipping companies we use, all weights will be rounded up to the next full pound.
We will service your boat whether you bought it from us or not. Our award-winning boat service department has a full-time staff of seasoned, factory-certified technicians dedicated to ensuring that your boat runs well for years to come. Our team is trained to correctly diagnose issues, advise you of any developing problems, and address any unique service issues your boat may require. Whether you need complex engine work and repairs, canvas and upholstery, boat tune Up, electronics installation or repair, or boat detailing, our technicians will work quickly to keep you out of the shop and on the water. Not only does our service department provide the highest quality service, we also have a large parts department for the do-it-yourself types. Ask about our inventory of parts and aftermarket additions to make your own repairs or upgrades.
All returns must be authorized. Items returned prior authorization will not be accepted. International customers must ship any returns to us freight and duty prepaid. Return freight charges for International shipments will be the responsibility of the customer.
Defective new equipment may be returned for warranty repair/exchange to us within five (5) days of the shipment receipt date. After five (5) days, returns will be handled by direct contact and in accordance with the warranty terms of the item's manufacturer. Items that have malfunctioned due to mishandling, electrical overload, etc., will be subject to a repair charge.
Non-Defective new equipment will be authorized for return within five (5) days of the shipment receipt date if the equipment is still in new, re-sellable condition with the original manual(s), accessories, packing material and carton. We reserve the right to reject returns in which there is no original packaging, missing accessories, damage or visible signs of usage of the item. A restocking fee of up to 25% of purchase price may apply. Special orders and dangerous goods are non-returnable.
(Do not write anything on the manufacturer's original package or use as a shipping carton. Include all accessories, manuals and warranties.) Please include a copy of the packing list or invoice with a reason for the return. Your return authorization number is valid for thirty days.Palmer Power accepts a variety of payment options for your convenience. For prepayment, we accept all major credit cards (Visa, MasterCard, Discover and American Express), Purchase Orders, and international wire transfers. We also offer credit terms to existing customers.