
Guaranteed Fitment
Always the correct part
have questions?
Always the correct part
We know our products
Diagnostics, Repairs, and Maintenance
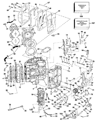
Disclaimer: Please note that the items featured in the image (schematic diagram) are not sold as a bundled set. To facilitate your search, kindly refer to the schematic object key provided below in order to locate a specific item within the image.
Schematic Object Key : 108
Product Description: Bow Washer
Category: JOHNSON / 1984 / 65 / J65WTLCRS 1984 / CYLINDER & CRANKCASE
Disclaimer: Each item listed in the table below is available for individual purchase and is not sold as part of a package or set.
Parts List:
Key | Part No. | Product Name | Additional_info |
---|---|---|---|
0394002 | 0394002 | Cylinder crankcase assy. | |
1 | 0304178 | Pin, dowel | |
2 | 0314616 | Stud | |
3 | 0305070 | Axe, carter moteur vers bloc | |
4 | 0302288 | Bolt | |
5 | 0300646 | Screw, clamp, fuel filter | |
6 | 0131794 | Screw, crankcase to cylinder | |
7 | 0313538 | Stud, crankcase to cylinder | |
8 | 0320372 | Locknut, crankcase to cylinder | |
9 | 0300343 | Washer, crankcase to cylinder | |
10 | 0307776 | Screw, lower main bearing | |
11 | SEAL, Crankcase | ||
12 | 0310439 | Clamp, battery cable | |
13 | 0323681 | Cylinder head | |
14 | 0318609 | Gasket, cover | |
15 | 0317218 | Cover, cylinder head | |
16 | 0330151 | Cable clamp, filter | This part replaces 0309041. |
17 | 0331025 | Screw | This part replaces 0308751. |
18 | 0308728 | Screw | This part replaces 0322098. |
19 | 0306470 | Lock washer | |
20 | 0307267 | Screw | |
21 | 0386941 | Spark plub,champion l77j4 | |
21 | 0502180 | Spark plug, champion ql77jc4 | This part replaces 0387633. |
22 | 0322610 | Screw, cylinder head | |
23 | 0317245 | Spring, control valve | |
24 | 0317219 | Cover, thermostat valves | |
25 | 0393545 | Bellcrank assy., shift | |
26 | 0325857 | Screw, fuel connector | |
27 | 0332108 | Gasket, thermostat cover | This part replaces 0317226. |
28 | 0331917 | Gasket, plate to crankcase | This part replaces 0317227. |
29 | 0324555 | Plate, exhaust manifold | |
30 | 0331916 | Gasket, exhaust manifold | This part replaces 0317228. |
31 | 0390041 | Cover, exhaust manifold | |
32 | 0328701 | Lockwasher, double ended bolt | |
33 | 0202026 | Washer, rod | |
34 | 0323691 | Manifold, exhaust | |
35 | 0321601 | Screw, exhaust cover | |
36 | 0310441 | Clamp, small | This part replaces 0310493. |
37 | 0396987 | Thermostat seal assy. | This part replaces 0382385. |
38 | 0316664 | Bracket, adjustment | |
39 | 0308993 | Ressort, friction d'accélération | |
40 | 0203688 | Nut | This part replaces 0328710. |
41 | 0306337 | Screw, adjustment | |
42 | 0314021 | Bumber, exhaust manifold | |
43 | 0329225 | Lever, spark advance | |
44 | 0395448 | Ball socket assy | This part replaces 0313700. |
45 | 0395448 | Ball socket assy | This part replaces 0313703. |
46 | 0329247 | Link, spark advance | |
47 | 0394466 | Cam pin assy., throttle | This part replaces 0386652. |
48 | 0318366 | Bracket, fuel pump | |
49 | 0306422 | Nut | |
50 | 0310524 | Yoke | |
51 | 0387800 | Lever, throttle | |
51 | 0329233 | Lever, throttle | |
52 | 0318192 | Shdlr. screw, throttle lever | |
52 | 0312316 | Capscrew, mounting brkt | |
53 | 0314002 | Bushing | |
54 | 0328739 | Rondelle entre ancrage et support | This part replaces 0313396. |
55 | 0319292 | Screw, clamp | |
56 | 0314098 | Washer, throttle lever | |
57 | 0121470 | Locknut, hook bolt to cross bar | |
58 | 0329889 | Link throttle lever to cam | This part replaces 0314133. |
59 | 0314136 | Screw, shift lever to bracket | |
60 | 0314137 | Nylon bushing | |
61 | 0328733 | Rondelle, ressort | |
62 | 0328734 | Bow washer | |
63 | 0328702 | Washer | |
64 | 0330777 | Bolt, double ended | |
65 | 0306012 | Bow washer | |
66 | 0328740 | Nut, throttle friction | |
67 | 0305650 | Cotter pin | |
68 | 0908060 | Bow washer, shoulder screw | |
69 | 0327589 | Pin, shift lever to shift rod | |
70 | 0302290 | Washer | |
71 | 0313413 | Gasket, cylinder head | |
72 | 0303398 | Screw, lower | This part replaces 0302030. |
73 | 0127386 | Rondelle | This part replaces 0303913. |
74 | 0386686 | Switch temp | |
75 | 0328064 | Nut | |
76 | 0303806 | Tubing | |
77 | 0376349 | Lead, ground | |
78 | 0316132 | Gormmet, valve | |
79 | 0326365 | Clip, spring | |
80 | 0330151 | Cable clamp, filter | This part replaces 0310440. |
81 | 0317000 | Cable, starter cable | |
82 | 0314125 | Bushing, shift handle linkage rod | |
83 | 0315081 | Bushing, shoulder screw | |
84 | 0318951 | Bushing, shift lever to c'case | |
85 | 0313607 | Lube fitting | |
86 | 0331916 | Gasket, exhaust manifold | This part replaces 0319097. |
87 | 0552906 | Cotter pin, upper pivot | |
88 | 0315900 | Screw, cable clamp | |
89 | 0306387 | . cotter pin, connector to guide | |
90 | 0328567 | Link, bellcrank | |
91 | 0306322 | Bolt, water pump | |
92 | 0321886 | Elbow | |
93 | 0318197 | Pin, link | |
94 | 0328702 | Washer | |
95 | 0328708 | Washer, injector screw | |
96 | 0327710 | Hose, indicator | |
97 | 0318193 | Bushing | |
98 | 0326642 | Lever, shift rod | |
99 | 0329229 | Shift lever | |
100 | 0313416 | Gasket, thermostat | |
102 | 0314125 | Bushing, shift handle linkage rod | |
103 | 0394007 | Lift bracket | |
104 | 0318205 | Shoulder screw, shift lever | |
106 | 0330202 | Shift lever | |
107 | 0327400 | Rondelle, poignée de commande de sens de marche | |
108 | 0330234 | Bow washer | |
109 | 0316045 | Connector, shift rod | |
110 | 0329230 | Shift detent | |
111 | 0307999 | Nut | |
112 | 0316602 | Screw, letdown plate | |
113 | 0329223 | Bracket, detent spring | |
114 | 0308728 | Screw | |
116 | 0330212 | Spring, shift detent | |
118 | 0390078 | Powerhead gasket set |
All returns must be authorized. Items returned prior authorization will not be accepted.
Defective new equipment may be returned for warranty repair/exchange to us within five (5) days of the shipment receipt date. After five (5) days, returns will be handled by direct contact and in accordance with the warranty terms of the item's manufacturer. Items that have malfunctioned due to mishandling, electrical overload, etc., will be subject to a repair charge.
Non-Defective new equipment will be authorized for return within five (5) days of the shipment receipt date if the equipment is still in new, re-sellable condition with the original manual(s), accessories, packing material and carton. We reserve the right to reject returns in which there is no original packaging, missing accessories, damage or visible signs of usage of the item. A restocking fee of up to 25% of purchase price may apply. Special orders and dangerous goods are non-returnable.
**There's a 20% Restocking Fee on All Returned Palmgren Products in Original Packaging
To get your RMA, simply call (800) 364-4637 for a return authorization number or email sales@palmerpower.com .
(Do not write anything on the manufacturer's original package or use as a shipping carton. Include all accessories, manuals and warranties.) Please include a copy of the packing list or invoice with a reason for the return. Your return authorization number is valid for thirty days.
To check the status of your return, please email us at sales@palmerpower.com. Please be sure to include your RMA number. For more information please check our FAQ page.
Shipping
We can ship to virtually any address in the world. Note that there are restrictions on some products, and some products cannot be shipped to international destinations.
When you place an order, we will estimate shipping and delivery dates for you based on the availability of your items and the shipping options you choose. Depending on the shipping provider you choose, shipping date estimates may appear on the shipping quotes page.
Please also note that the shipping rates for many items we sell are weight-based. The weight of any such item can be found on its detail page. To reflect the policies of the shipping companies we use, all weights will be rounded up to the next full pound.
We will service your boat whether you bought it from us or not. Our award-winning boat service department has a full-time staff of seasoned, factory-certified technicians dedicated to ensuring that your boat runs well for years to come. Our team is trained to correctly diagnose issues, advise you of any developing problems, and address any unique service issues your boat may require. Whether you need complex engine work and repairs, canvas and upholstery, boat tune Up, electronics installation or repair, or boat detailing, our technicians will work quickly to keep you out of the shop and on the water. Not only does our service department provide the highest quality service, we also have a large parts department for the do-it-yourself types. Ask about our inventory of parts and aftermarket additions to make your own repairs or upgrades.
All returns must be authorized. Items returned prior authorization will not be accepted. International customers must ship any returns to us freight and duty prepaid. Return freight charges for International shipments will be the responsibility of the customer.
Defective new equipment may be returned for warranty repair/exchange to us within five (5) days of the shipment receipt date. After five (5) days, returns will be handled by direct contact and in accordance with the warranty terms of the item's manufacturer. Items that have malfunctioned due to mishandling, electrical overload, etc., will be subject to a repair charge.
Non-Defective new equipment will be authorized for return within five (5) days of the shipment receipt date if the equipment is still in new, re-sellable condition with the original manual(s), accessories, packing material and carton. We reserve the right to reject returns in which there is no original packaging, missing accessories, damage or visible signs of usage of the item. A restocking fee of up to 25% of purchase price may apply. Special orders and dangerous goods are non-returnable.
(Do not write anything on the manufacturer's original package or use as a shipping carton. Include all accessories, manuals and warranties.) Please include a copy of the packing list or invoice with a reason for the return. Your return authorization number is valid for thirty days.Palmer Power accepts a variety of payment options for your convenience. For prepayment, we accept all major credit cards (Visa, MasterCard, Discover and American Express), Purchase Orders, and international wire transfers. We also offer credit terms to existing customers.