EVINRUDE-JOHNSON 336491 Link, Dwell | PalmerPower
close
close
click to zoom in
  • Guaranteed Fitment

    Always the correct part

  • In-House Experts

    We know our products

  • Boat Repair Service

    Diagnostics, Repairs, and Maintenance

  • Fast Delivery

EVINRUDE-JOHNSON 336491 Link, Dwell

Write a Review
$7.79
SKU:
336491
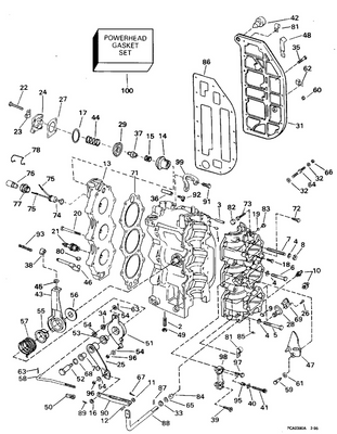
Schematic Object Key:
46

EVINRUDE-JOHNSON 336491 Link, Dwell

$7.79

Disclaimer: Please note that the items featured in the image (schematic diagram) are not sold as a bundled set. To facilitate your search, kindly refer to the schematic object key provided below in order to locate a specific item within the image.

EVINRUDE-JOHNSON 336491 Link, Dwell

Schematic Object Key : 46

Product Description: Link, Dwell

Category: JOHNSON / 1996 / 60 / SJ60TLEDR 1996 / CYLINDER & CRANKCASE

Disclaimer: Each item listed in the table below is available for individual purchase and is not sold as part of a package or set.

Parts List:

Key Part No. Product Name Additional_info
1 0304178 Pin, dowel
2 0314616 Stud
3 0305070 Axe, carter moteur vers bloc
4 0300343 Washer, crankcase to cylinder
5 0307776 Screw, lower main bearing
6 0131794 Screw, crankcase to cylinder
7 0313538 Stud, crankcase to cylinder
8 0320372 Locknut, crankcase to cylinder
9 0321164 Plug
10 0435009 Pulse limiter
10 0303492 Fitting, crankcase
11 0328702 Washer
12 0318197 Pin, link
13 0339221 Cylinder head
13 0339288 Cylinder head
14 0336178 Housing, thermostat
15 0336179 Spring
16 0328708 Washer, injector screw
17 0336185 Washer
18 0306049 Screw
19 0302290 Washer
20 0322323 Screw
21 0437929 Bougie, champion, ql78yc
21 0502180 Spark plug, champion ql77jc4 This part replaces 0387633.
21 0432424 Spark plug , ql16v
21 0386941 Spark plub,champion l77j4
22 0306049 Screw
23 0310439 Clamp, battery cable
24 0343141 Cover, thermostat This part replaces 0339207.
25 0393545 Bellcrank assy., shift
26 0317581 Screw, actuator cam
27 0329830 Gasket, cover
28 0330935 Bague, retenue de la tige du levier de sens de marche
29 0435957 Diaphragm
31 0343864 Cover, exhaust manifold This part replaces 0329834.
32 0328701 Lockwasher, double ended bolt
33 0202026 Washer, rod
34 0322631 Bushing, link
35 0308743 Screw, injector to manifold
36 0911237 Hose, indicator
37 0436195 Thermostat
38 0336456 Guide, lever to link
39 0333710 Screw, anchor bracket This part replaces 0332012.
40 0203688 Nut
41 0306337 Screw, adjustment
42 0314021 Bumber, exhaust manifold
43 0319318 Lever, spark adavance
44 0342421 Spring
45 0395448 Ball socket assy
46 0336491 Link, dwell
47 0434171 Cam pin assy., throttle
48 0316487 Retainer
49 0316355 But, carburetor mounting This part replaces 0315204.
50 0334153 Connecteur, câble d'accélérateur
51 0387800 Lever, throttle
52 0318192 Shdlr. screw, throttle lever
53 0314002 Bushing
54 0328737 Washer
55 0314003 Bshing, spark lever
56 0314098 Washer, throttle lever
57 0314094 Link, throttle lever to cam
58 0336424 Link, throttle lever to cam
59 0314136 Screw, shift lever to bracket
60 0321164 Plug
61 0330179 Washer
62 0310439 Clamp, battery cable
63 0303049 Cotter pin
64 0334109 Bolt, double end
65 0306012 Bow washer
66 0328740 Nut, throttle friction
67 0305650 Cotter pin
68 0908060 Bow washer, shoulder screw
69 0395588 Lever pin assy., shift lever
70 0318193 Bushing
71 0329836 Gasket, cylinder head
72 0306049 Screw
73 0328722 Screw, spark adjust
74 0585023 Interrupteur thermostatique, bâbord
74 0584152 Temperature switch
75 0511469 Terminal, pin
76 0512746 Connecteur, 2 broches
77 0329562 Cache, interrupteur
78 0512741 Retainer, connector, 1 pin
80 0395448 Ball socket assy
81 0330151 Cable clamp, filter
82 0314416 Bumber, advance screw
83 0328741 Nut, input stud
84 0318951 Bushing, shift lever to c'case
85 0313607 Lube fitting
86 0343863 Gasket, exhaust manifold This part replaces 0329833.
87 0330941 Pin, retainer
88 0345600 Shift lever This part replaces 0330940.
89 0306387 . cotter pin, connector to guide
90 0328567 Link, bellcrank
91 0306322 Bolt, water pump
92 0321886 Elbow
93 0336447 Spring, dwell linkage
95 0308993 Ressort, friction d'accélération
96 0328064 Nut
97 0331025 Screw This part replaces 0308751.
98 0316664 Bracket, adjustment
99 0333962 Lift bracket

Returns Policy

All returns must be authorized. Items returned prior authorization will not be accepted.

Defective new equipment may be returned for warranty repair/exchange to us within five (5) days of the shipment receipt date.  After five (5) days, returns will be handled by direct contact and in accordance with the warranty terms of the item's manufacturer.  Items that have malfunctioned due to mishandling, electrical overload, etc., will be subject to a repair charge. 

Non-Defective new equipment will be authorized for return within five (5) days of the shipment receipt date if the equipment is still in new, re-sellable condition with the original manual(s), accessories, packing material and carton. We reserve the right to reject returns in which there is no original packaging, missing accessories, damage or visible signs of usage of the item.  A restocking fee of up to 25% of purchase price may apply.  Special orders and dangerous goods are non-returnable.

**There's a 20% Restocking Fee on All Returned Palmgren Products in Original Packaging

To get your RMA, simply call (800) 364-4637 for a return authorization number or email sales@palmerpower.com .

(Do not write anything on the manufacturer's original package or use as a shipping carton. Include all accessories, manuals and warranties.) Please include a copy of the packing list or invoice with a reason for the return. Your return authorization number is valid for thirty days.

To check the status of your return, please email us at sales@palmerpower.com. Please be sure to include your RMA number. For more information please check our FAQ page.

Shipping

We can ship to virtually any address in the world. Note that there are restrictions on some products, and some products cannot be shipped to international destinations.

When you place an order, we will estimate shipping and delivery dates for you based on the availability of your items and the shipping options you choose. Depending on the shipping provider you choose, shipping date estimates may appear on the shipping quotes page.

Please also note that the shipping rates for many items we sell are weight-based. The weight of any such item can be found on its detail page. To reflect the policies of the shipping companies we use, all weights will be rounded up to the next full pound.

Boat Services & Repairs in Houston

We will service your boat whether you bought it from us or not. Our award-winning boat service department has a full-time staff of seasoned, factory-certified technicians dedicated to ensuring that your boat runs well for years to come. Our team is trained to correctly diagnose issues, advise you of any developing problems, and address any unique service issues your boat may require. Whether you need complex engine work and repairs, canvas and upholstery, boat tune Up, electronics installation or repair, or boat detailing, our technicians will work quickly to keep you out of the shop and on the water. Not only does our service department provide the highest quality service, we also have a large parts department for the do-it-yourself types. Ask about our inventory of parts and aftermarket additions to make your own repairs or upgrades.

Learn More

boat repair service boat Sterndrive repair

Frequently Asked Questions

  • How do I request a quote?
    To request a quote for pricing on any Palmer Power's products, please see our request a quote page. Fill out and submit our quote form and one of our representatives will contact you when your quote is ready.
  • Do you have any Minimum Order Restriction?
    Palmer Power Does not have any Minimum Order Restriction.
  • Will my order be subject to sales tax?
    Estimated state sales tax will appear within your shopping cart for all shipments within the United states unless a signed official state tax exemption certificate is furnished to Palmer Power.
  • How do I check my Order Status?
    To check the status of an online order, email sales@palmerpower.com. Please be sure to include your order number.
  • How do I Return items?

    All returns must be authorized. Items returned prior authorization will not be accepted. International customers must ship any returns to us freight and duty prepaid. Return freight charges for International shipments will be the responsibility of the customer.

    Defective new equipment may be returned for warranty repair/exchange to us within five (5) days of the shipment receipt date. After five (5) days, returns will be handled by direct contact and in accordance with the warranty terms of the item's manufacturer. Items that have malfunctioned due to mishandling, electrical overload, etc., will be subject to a repair charge.

    Non-Defective new equipment will be authorized for return within five (5) days of the shipment receipt date if the equipment is still in new, re-sellable condition with the original manual(s), accessories, packing material and carton. We reserve the right to reject returns in which there is no original packaging, missing accessories, damage or visible signs of usage of the item. A restocking fee of up to 25% of purchase price may apply. Special orders and dangerous goods are non-returnable.

    (Do not write anything on the manufacturer's original package or use as a shipping carton. Include all accessories, manuals and warranties.) Please include a copy of the packing list or invoice with a reason for the return. Your return authorization number is valid for thirty days.

  • What payment options do I have?

    Palmer Power accepts a variety of payment options for your convenience. For prepayment, we accept all major credit cards (Visa, MasterCard, Discover and American Express), Purchase Orders, and international wire transfers. We also offer credit terms to existing customers.

Fast Delivery
Dealer Program
Secure Shopping
30-Day Free Returns