
Guaranteed Fitment
Always the correct part
have questions?
Always the correct part
We know our products
Diagnostics, Repairs, and Maintenance
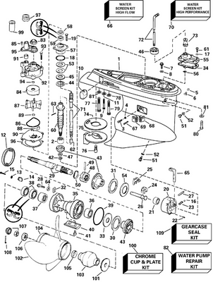
Disclaimer: Please note that the items featured in the image (schematic diagram) are not sold as a bundled set. To facilitate your search, kindly refer to the schematic object key provided below in order to locate a specific item within the image.
Schematic Object Key : 72
Product Description: Shift Rod | (Fpl Models.)
Category: EVINRUDE / 2002 / 250 / E250FCZSNF Ficht RAM Injection, 30 in., White, Counter Rotation 2002 / GEARCASE - FPL - FPX - FPZ MODELS
Disclaimer: Each item listed in the table below is available for individual purchase and is not sold as part of a package or set.
Parts List:
Key | Part No. | Product Name | Additional_info |
---|---|---|---|
5009259 | GEARCASE ASSEMBLY, Complete | This part replaces 5004633. | |
1 | 5001589 | Gearcase bearing assy | |
2 | 0387817 | Bearing, pinion | |
3 | 0324852 | Retaining screw seal | |
4 | 0332584 | Washer, seal ring | |
5 | 0305749 | Cap, nipple | |
6 | 0336535 | Fitting, pitot tube | |
7 | 0341220 | Screw, pitot seal | |
8 | 0437330 | Rondelle joint, tube de pitot contents of gearcase seal kit. | |
9 | 0341219 | Screw, anode | |
10 | 0436745 | Anode | |
11 | 0307161 | Lock washer, anode | |
12 | 0346462 | Ring, propeller seal | |
13 | 0345998 | Spring washer | |
14 | 0349001 | Wedge | |
15 | 0916070 | Screw, wedge | |
16 | 0160084 | Ball | |
17 | 0328702 | Washer | |
18 | 0354731 | O ring contents of gearcase seal kit. | This part replaces 0314728. |
19 | 0317624 | Screw, driveshaft hsg | |
20 | 5001601 | Bearing hsg assy, fwd gear | |
21 | 0389039 | Bearing, forward gear | |
22 | 0331880 | Pin, housing to gearcase | |
23 | 0911962 | Spring | |
24 | 0334163 | Cradle, shifter | |
25 | 0322938 | Lever, shift | |
26 | 0348483 | Shaft, shift | |
27 | 0317274 | Pin, shift lever | |
28 | 0350271 | Screw | |
29 | 5004765 | Propeller shaft | |
30 | 0389042 | Thrust bearing assembly, foward gear | |
31 | 0389042 | Thrust bearing assembly, foward gear | |
32 | 0333957 | Languette, de retenue | |
33 | 0349193 | Thrust washer, reverse gear | |
34 | 0352165 | Gasket, shift rod cover contents of gearcase seal kit. | This part replaces 0324670. |
35 | 5001587 | Bearing hsg assy, propshaft | |
36 | 0382407 | Bearing assy, forward gear | |
37 | 0436752 | Bearing, propshaft | |
38 | 0334950 | Seal contents of gearcase seal kit. | |
39 | 0326849 | O ring, propshaft housing contents of gearcase seal kit. | |
40 | 0431708 | Anode, bearing housing | |
41 | 0908158 | Screw, anode | |
42 | 0314730 | Nut, pinion to driveshaft | |
43 | 5001582 | Gear set, fwd, rev, pinion | |
44 | 0387656 | Butée, arbre d'entraînement | |
45 | 0327656 | Rondelle de butée, arbre d'entraînement | |
46 | 0321008 | Grommet, exh hsg to shift rod | |
47 | 0350038 | Washer, pinion nut | |
48 | 0337774 | Shifter, clutch dog | |
49 | 0313448 | Pin, clutch dog | |
50 | 0324369 | Spring, clutch dog pin | |
51 | 0318544 | Screw, fill drain contents of gearcase seal kit. | |
52 | 0311598 | Seal | |
53 | 0323362 | Cale, 0,003" 0,07 mm | |
53 | 0323361 | Cale, 0,004" 0,10 mm | |
53 | 0314745 | Cale, 0,005" 0,12 mm | |
54 | 0327669 | Thrust washer, forward gear | |
55 | 5006241 | Couvercle joint, tige de commande de sens de marche | This part replaces 5004598. |
56 | 0318372 | "o" ring, shift rod contents of gearcase seal kit. | |
57 | 0439476 | Bearing housing seal | |
58 | 0329922 | Joint, supérieur contents of gearcase seal kit. | |
59 | 0329923 | Joint, inférieur contents of gearcase seal kit. | |
60 | 0356900 | Driveshaft, lower | This part replaces 0347371. |
61 | 0302325 | Screw, impeller housing | |
62 | 0338504 | Retainer, driveshaft | |
63 | 0311538 | Roll pin, driveshaft | |
64 | 0328743 | Rondelle | |
65 | 0356754 | Detent, shifter | This part replaces 0347377. |
66 | 5005063 | Water screen kit, high flow | |
67 | 0337061 | Screw, water intake screens | |
68 | 0350264 | Screen, wtr intake port | |
69 | 0350265 | Screen, wtr intake stbd | |
70 | 5005124 | Water screen kit, high perf. | |
71 | 5007672 | Driveshaft assembly, upper fpx models. | This part replaces 5000623. |
71 | 5007671 | Driveshaft assembly, upper fpl models. | This part replaces 5000614. |
71 | 5007673 | Driveshaft assembly, upper fpz models. | This part replaces 5000628. |
72 | 0347301 | Shift rod fpx models. | |
72 | 0347300 | Shift rod fpl models. | |
72 | 0347391 | Shift rod fpz models. | |
73 | 0321122 | Spacer, shift rod fpx models. fpz models. | |
74 | 0331409 | Seal, trim tab | |
75 | 0338742 | Compensateur de dérive | |
76 | 0313715 | Screw, cap, hex hd, 7 16 14 x 1 | |
77 | 0330263 | Screw, upper mount retention | |
78 | 0330265 | Washer | |
79 | 0331998 | Screw, gearcase to housing | |
80 | 0331999 | Screw, gearcase housing | |
81 | 0330266 | Washer, trail lock lever | |
82 | 5001595 | Water pump repair kit | |
83 | 0320943 | Bague, pompe vers carter d'échap. | |
84 | 0338486 | Coupelle, turbine inox | |
85 | 0306643 | Screw | |
86 | 0331353 | Seal, impeller housing plate. | |
87 | 5001593 | Impeller assembly | |
88 | 0331107 | Clavette, turbine | |
89 | 0302035 | "o" ring, spacer to imp. hsg. | |
90 | 0338485 | Plate, impeller | |
91 | 0314008 | Bague, tube à eau vers capot | |
92 | 0360347 | Housing, impeller | This part replaces 0435959. |
93 | 0302325 | Screw, impeller housing | |
94 | 0331188 | O ring | |
95 | 0338893 | Capot, carter de turbine | |
96 | 0338484 | Gasket, imp. hsg. plate contents of gearcase seal kit. | |
97 | 0338601 | Grommet, sleeve to exh hsg fpx models. | |
99 | 0354580 | Sleeve, extension fpx models. | This part replaces 0338636. |
99 | 0354579 | Sleeve, extension fpz models. | This part replaces 0338667. |
100 | 0435526 | Chrome cup plate kit | |
101 | 0126870 | Bague, de butée | |
103 | 0387157 | Bushing assy, prop, std | |
103 | 0175401 | Bushing assy, prop, sst | |
104 | 0332394 | Converging ring | |
105 | 0313926 | Propeller hub sleeve | |
106 | 0320570 | Spacer, nut | |
108 | 0306394 | Cotter pin | |
110 | 0339346 | Extension, shift rod spacer fpz models. |
All returns must be authorized. Items returned prior authorization will not be accepted.
Defective new equipment may be returned for warranty repair/exchange to us within five (5) days of the shipment receipt date. After five (5) days, returns will be handled by direct contact and in accordance with the warranty terms of the item's manufacturer. Items that have malfunctioned due to mishandling, electrical overload, etc., will be subject to a repair charge.
Non-Defective new equipment will be authorized for return within five (5) days of the shipment receipt date if the equipment is still in new, re-sellable condition with the original manual(s), accessories, packing material and carton. We reserve the right to reject returns in which there is no original packaging, missing accessories, damage or visible signs of usage of the item. A restocking fee of up to 25% of purchase price may apply. Special orders and dangerous goods are non-returnable.
**There's a 20% Restocking Fee on All Returned Palmgren Products in Original Packaging
To get your RMA, simply call (800) 364-4637 for a return authorization number or email sales@palmerpower.com .
(Do not write anything on the manufacturer's original package or use as a shipping carton. Include all accessories, manuals and warranties.) Please include a copy of the packing list or invoice with a reason for the return. Your return authorization number is valid for thirty days.
To check the status of your return, please email us at sales@palmerpower.com. Please be sure to include your RMA number. For more information please check our FAQ page.
Shipping
We can ship to virtually any address in the world. Note that there are restrictions on some products, and some products cannot be shipped to international destinations.
When you place an order, we will estimate shipping and delivery dates for you based on the availability of your items and the shipping options you choose. Depending on the shipping provider you choose, shipping date estimates may appear on the shipping quotes page.
Please also note that the shipping rates for many items we sell are weight-based. The weight of any such item can be found on its detail page. To reflect the policies of the shipping companies we use, all weights will be rounded up to the next full pound.
We will service your boat whether you bought it from us or not. Our award-winning boat service department has a full-time staff of seasoned, factory-certified technicians dedicated to ensuring that your boat runs well for years to come. Our team is trained to correctly diagnose issues, advise you of any developing problems, and address any unique service issues your boat may require. Whether you need complex engine work and repairs, canvas and upholstery, boat tune Up, electronics installation or repair, or boat detailing, our technicians will work quickly to keep you out of the shop and on the water. Not only does our service department provide the highest quality service, we also have a large parts department for the do-it-yourself types. Ask about our inventory of parts and aftermarket additions to make your own repairs or upgrades.
All returns must be authorized. Items returned prior authorization will not be accepted. International customers must ship any returns to us freight and duty prepaid. Return freight charges for International shipments will be the responsibility of the customer.
Defective new equipment may be returned for warranty repair/exchange to us within five (5) days of the shipment receipt date. After five (5) days, returns will be handled by direct contact and in accordance with the warranty terms of the item's manufacturer. Items that have malfunctioned due to mishandling, electrical overload, etc., will be subject to a repair charge.
Non-Defective new equipment will be authorized for return within five (5) days of the shipment receipt date if the equipment is still in new, re-sellable condition with the original manual(s), accessories, packing material and carton. We reserve the right to reject returns in which there is no original packaging, missing accessories, damage or visible signs of usage of the item. A restocking fee of up to 25% of purchase price may apply. Special orders and dangerous goods are non-returnable.
(Do not write anything on the manufacturer's original package or use as a shipping carton. Include all accessories, manuals and warranties.) Please include a copy of the packing list or invoice with a reason for the return. Your return authorization number is valid for thirty days.Palmer Power accepts a variety of payment options for your convenience. For prepayment, we accept all major credit cards (Visa, MasterCard, Discover and American Express), Purchase Orders, and international wire transfers. We also offer credit terms to existing customers.