
Guaranteed Fitment
Always the correct part
have questions?
Always the correct part
We know our products
Diagnostics, Repairs, and Maintenance
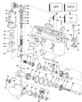
Disclaimer: Please note that the items featured in the image (schematic diagram) are not sold as a bundled set. To facilitate your search, kindly refer to the schematic object key provided below in order to locate a specific item within the image.
Schematic Object Key : 50
Product Description: Bearing Housing Assembly
Category: EVINRUDE / AA Models / 115 - (G2, Inline 3-Cyl, 1.865 L) / K115HGLPAAB - (G2, Inline 3-Cyl., 1.865 L) / 07-1_GEARCASE, SLX2-Type (Ratio: 13:27, 0.48, 2.08:1)
Disclaimer: Each item listed in the table below is available for individual purchase and is not sold as part of a package or set.
Parts List:
Key | Part No. | Product Name | Additional_info |
---|---|---|---|
– | 5010982 | Gearcase complete id code gstna20 gray, standard rotation, no actuator, 20 inch shaft | |
– | 5011021 | Gearcase complete id code gstna25 gray, standard rotation, no actuator, 25 inch shaft | |
– | 5010984 | Gearcase complete id code gcrna25 gray, counter rotation, no actuator, 25 inch shaft | |
– | 5011113 | Gearcase complete id code wstna20 white, standard rotation, no actuator, 20 inch shaft | |
– | 5011117 | Gearcase complete id code wstna25 white, standard rotation, no actuator, 25 inch shaft | |
– | 5011121 | Gearcase complete id code wcrna25 white, counter rotation, no actuator, 25 inch shaft | |
1 | 5010985 | Gearcase bearing assembly | |
2 | 5008904 | Bearing, pinion 5008904 | This part replaces 5010332. |
3 | 0353931 | Pin, alignment | |
4 | 0321357 | O ring | |
5 | 0318544 | Screw, fill drain contents of gearcase seal kit | |
6 | 0311598 | Seal contents of gearcase seal kit | |
7 | 5011718 | Detent assembly | |
8 | 0360491 | O ring, detent | |
9 | 0160084 | Ball | |
10 | 0911962 | Spring | |
11 | 0361212 | Seal | |
12 | 0361888 | Housing, shifter | |
13 | 0360691 | Screw, shifter housing | |
14 | 0360225 | Pin, shift lever | |
15 | 0322938 | Lever, shift | |
16 | 0334163 | Cradle, shifter | |
17 | 0359256 | Shaft, shifter | |
18 | 5010986 | Gearset, forward, reverse pinion standard rotaion ratio 976 | |
18 | 5011307 | Gearset, forward, reverse pinion counter rotaion ratio 13 27, 0.48 , 2.08 1 | |
18 | **GEAR, Front | Not available separately | ||
18 | **GEAR, Pinion | Not available separately | ||
19 | **GEAR, Reverse | Not available separately | ||
20 | 0359432 | Screw, pinion gear 3 8 24 x 2.500 | |
21 | 0360540 | Washer, pinion gear screw | |
22 | 0385043 | Thrust bearing assy. | |
23 | 0324766 | Thrust washer, forward gear | |
24 | 5009768 | Bearing assembly, needle outer | |
25 | 5009769 | Bearing assembly, tapered roller inner | |
26 | 0359338 | Spacer tapered roller bearing to retaining ring | |
27 | 0358571 | Ring, retaining | |
28 | 0352317 | Shifter, clutch dog | |
29 | 0313448 | Pin, clutch dog | |
30 | 0324369 | Spring, clutch dog pin | |
31 | 0359303 | Propeller shaft | |
32 | 5010341 | Bearing assembly, roller inner | |
33 | 0358571 | Ring, retaining | |
34 | 0385043 | Thrust bearing assy. | |
35 | 0324766 | Thrust washer, forward gear | |
36 | 5009768 | Bearing assembly, needle outer | |
37 | 5011166 | Bearing housing assembly, propeller shaft | |
37A | 0363178 | Anode | |
37B | 0325115 | Screw | |
37C | 0313022 | Locknut, double ended bolt | |
38 | 0360749 | O ring, propeller shaft housing | |
39 | 5010042 | Bearing assembly, ball | |
40 | 0379504 | Propshaft bearing assembly | |
41 | 0330137 | Seal | |
42 | 0360028 | Ring, retaining | |
43 | 0359300 | Lock ring | |
44 | 0359299 | Spanner nut | |
45 | 0362333 | Driveshaft, 20 inch for k150 aaa models | |
45 | 0362334 | Driveshaft, 25 inch for k150 aaa models | |
45 | 0363425 | Driveshaft, 20 inch for k150 aab models | |
45 | 0363642 | Driveshaft, 25 inch for k150 aab models | |
46 | 5011083 | Thrust bearing | |
47 | 0362340 | Thrust washer | |
48 | 0362337 | Shim, 0.003 inch | |
48 | 0362338 | Shim, 0.004 inch | |
48 | 0362339 | Shim, 0.005 inch | |
50 | 5011478 | Bearing housing assembly | |
51 | 0362335 | Spanner nut | |
53 | 5010987 | Manifold assembly | |
54 | 0353931 | Pin, alignment manifold housing to impeller housing | |
55 | 0329923 | Joint, inférieur contents of gearcase seal kit | |
56 | 0329922 | Joint, supérieur contents of gearcase seal kit | |
57 | 0362028 | O ring, manifold to driveshaft bearing contents of gearcase seal kit | |
58 | 0361893 | Seal, manifold | |
59 | 0362382 | Seal, oil tube | |
60 | 0353590 | Screw contents of gearcase seal kit | |
61 | 0360339 | Screw, shift actuator m6 x 35 | |
62 | 5010988 | Shift actuator assembly | |
63 | 3011704 | Connector, 6 socket plug | |
64 | 3011705 | Lockwedge, 6 socket plug | |
65 | 3011706 | Terminal, socket | |
66 | 0307551 | Screw contents of gearcase seal kit | |
67 | 0311598 | Seal contents of gearcase seal kit | |
68 | 0359311 | Seal, shift actuator to manifold contents of gearcase seal kit | |
69 | 0361154 | Shift rod | |
70 | 0361570 | Tube, oil | |
71 | 0361376 | Tube, water | |
72 | 0362029 | O ring, water tube | |
73 | 5010736 | Seal pin assembly | |
74 | 0362085 | Trim tab, standard gray | |
74 | 0362376 | Trim tab, standard white | |
74 | 0362820 | Trim tab, counter rotation gray | |
74 | 0362821 | Trim tab, counter rotation white | |
75 | 0313715 | Screw, cap, hex hd, 7 16 14 x 1 | |
77 | 5011392 | Water screen kit, standard flow | |
77 | 5011393 | Water screen kit, high flow | |
78 | 0337061 | Screw, water intake screens | |
79 | 0360661 | Anode insert, rear | |
80 | 0325115 | Screw | |
81 | 0313022 | Locknut, double ended bolt | |
82 | 5011570 | Anode kit, front | |
83 | 0363371 | Screw, anode | |
84A | 0362476 | Screw, gearcase to exhaust housing 20 inch models | |
84B | 0353741 | Washer all models | |
85A | 0363263 | Stud, m10 x 172 gearcase retention to exhaust housing 25 inch models | |
85B | 0358565 | Nut, flanged 25 inch models | |
86 | 0346786 | Clamp | |
87 | 0361716 | Hose, gearcase manifold to oil reservoir | |
86 | 0346786 | Clamp | |
87 | 0361716 | Hose, gearcase manifold to oil reservoir | |
88 | 5009873 | Oil reservoir, gearcase | |
– | 0358892 | Screw | |
89 | 0339276 | Clamp | This part replaces 0357477. |
90 | 0357427 | Hose 0.25 in. 6.35 mm diameter bulk roll 25 ft. 7.62 m | |
91 | 0348838 | Clamp, 10.5 mm | |
92 | 0346786 | Clamp | |
93 | 5008843 | Plug tie strap | |
94 | 0320107 | Tie strap | |
95 | 5010989 | Water pump repair kit | |
96 | 0360148 | Gasket, impeller plate contents of gearcase seal kit | |
97 | 0338485 | Plate, impeller stainless | |
98 | 0331353 | Seal, impeller housing plate. | |
99 | 5010990 | Impeller repair kit | |
– | 5001469 | Impeller assembly | |
100 | 0302035 | "o" ring, spacer to imp. hsg. contents of gearcase seal kit | |
101 | 0331107 | Clavette, turbine | |
102 | 0338486 | Coupelle, turbine inox | |
103 | 0362670 | O ring, cup to housing | |
104 | 0360347 | Housing, impeller | |
105 | 0346865 | O ring, water tube | |
106 | 0360836 | Water tube | |
107 | 0360230 | Tube, 20 in | |
107 | 0360281 | Tube, 25 in | |
108 | 0360643 | Screw, tube to impeller housing | |
109 | 0353590 | Screw | |
110 | 5010991 | Gearcase seal kit |
All returns must be authorized. Items returned prior authorization will not be accepted.
Defective new equipment may be returned for warranty repair/exchange to us within five (5) days of the shipment receipt date. After five (5) days, returns will be handled by direct contact and in accordance with the warranty terms of the item's manufacturer. Items that have malfunctioned due to mishandling, electrical overload, etc., will be subject to a repair charge.
Non-Defective new equipment will be authorized for return within five (5) days of the shipment receipt date if the equipment is still in new, re-sellable condition with the original manual(s), accessories, packing material and carton. We reserve the right to reject returns in which there is no original packaging, missing accessories, damage or visible signs of usage of the item. A restocking fee of up to 25% of purchase price may apply. Special orders and dangerous goods are non-returnable.
**There's a 20% Restocking Fee on All Returned Palmgren Products in Original Packaging
To get your RMA, simply call (800) 364-4637 for a return authorization number or email sales@palmerpower.com .
(Do not write anything on the manufacturer's original package or use as a shipping carton. Include all accessories, manuals and warranties.) Please include a copy of the packing list or invoice with a reason for the return. Your return authorization number is valid for thirty days.
To check the status of your return, please email us at sales@palmerpower.com. Please be sure to include your RMA number. For more information please check our FAQ page.
Shipping
We can ship to virtually any address in the world. Note that there are restrictions on some products, and some products cannot be shipped to international destinations.
When you place an order, we will estimate shipping and delivery dates for you based on the availability of your items and the shipping options you choose. Depending on the shipping provider you choose, shipping date estimates may appear on the shipping quotes page.
Please also note that the shipping rates for many items we sell are weight-based. The weight of any such item can be found on its detail page. To reflect the policies of the shipping companies we use, all weights will be rounded up to the next full pound.
We will service your boat whether you bought it from us or not. Our award-winning boat service department has a full-time staff of seasoned, factory-certified technicians dedicated to ensuring that your boat runs well for years to come. Our team is trained to correctly diagnose issues, advise you of any developing problems, and address any unique service issues your boat may require. Whether you need complex engine work and repairs, canvas and upholstery, boat tune Up, electronics installation or repair, or boat detailing, our technicians will work quickly to keep you out of the shop and on the water. Not only does our service department provide the highest quality service, we also have a large parts department for the do-it-yourself types. Ask about our inventory of parts and aftermarket additions to make your own repairs or upgrades.
All returns must be authorized. Items returned prior authorization will not be accepted. International customers must ship any returns to us freight and duty prepaid. Return freight charges for International shipments will be the responsibility of the customer.
Defective new equipment may be returned for warranty repair/exchange to us within five (5) days of the shipment receipt date. After five (5) days, returns will be handled by direct contact and in accordance with the warranty terms of the item's manufacturer. Items that have malfunctioned due to mishandling, electrical overload, etc., will be subject to a repair charge.
Non-Defective new equipment will be authorized for return within five (5) days of the shipment receipt date if the equipment is still in new, re-sellable condition with the original manual(s), accessories, packing material and carton. We reserve the right to reject returns in which there is no original packaging, missing accessories, damage or visible signs of usage of the item. A restocking fee of up to 25% of purchase price may apply. Special orders and dangerous goods are non-returnable.
(Do not write anything on the manufacturer's original package or use as a shipping carton. Include all accessories, manuals and warranties.) Please include a copy of the packing list or invoice with a reason for the return. Your return authorization number is valid for thirty days.Palmer Power accepts a variety of payment options for your convenience. For prepayment, we accept all major credit cards (Visa, MasterCard, Discover and American Express), Purchase Orders, and international wire transfers. We also offer credit terms to existing customers.