EVINRUDE-JOHNSON 5037020 Pin, Reverse Lock Arm Link | PalmerPower
close
close
click to zoom in
  • Guaranteed Fitment

    Always the correct part

  • In-House Experts

    We know our products

  • Boat Repair Service

    Diagnostics, Repairs, and Maintenance

  • Fast Delivery

EVINRUDE-JOHNSON 5037020 Pin, Reverse Lock Arm Link

Write a Review
$5.00
SKU:
5037020
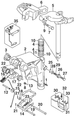
Schematic Object Key:
21

EVINRUDE-JOHNSON 5037020 Pin, Reverse Lock Arm Link

$5.00

Disclaimer: Please note that the items featured in the image (schematic diagram) are not sold as a bundled set. To facilitate your search, kindly refer to the schematic object key provided below in order to locate a specific item within the image.

EVINRUDE-JOHNSON 5037020 Pin, Reverse Lock Arm Link

Schematic Object Key : 21

Product Description: Pin, Reverse Lock Arm Link

Category: JOHNSON / 2006 / 25 / BJ25EL4SDS / SWIVEL BRACKET

Disclaimer: Each item listed in the table below is available for individual purchase and is not sold as part of a package or set.

Parts List:

Key Part No. Product Name Additional_info
1 5030207 Fitting, grease
2 5037010 Bracket, swivel 15"
2 5037158 Bracket, swivel 20"
3 5036058 Bush, swivel bracket
4 5032064 Bush, steering
5 5037011 Bracket, steering 15"
5 5037159 Bracket, steering 20"
6 5030477 Shim
7 5030548 Seal
8 5030456 Washer
8A 5037012 Plate, steering
9 5030572 Circlip
10 5031907 Key
11 5031705 Anode
12 5036691 Bolt
13 5033166 Axe, bras de déblocage
14 5037014 Spring, reverse lock
15 5037015 Arm, reverse lock
16 5037016 Link, reverse lock arm
17 5037017 Link, release
18 5037018 Lever, release
19 5030429 Washer
20 5037019 Pin, reverse lock arm
21 5037020 Pin, reverse lock arm link
22 5030086 Pin
23 5033016 Bush
24 5037021 Arm, tilt stop
25 5037022 Bolt, shallow water drive arm
26 5031499 Cache, dispositif de réglage de direction
27 5036855 Adjuster, steering
28 5032355 Bolt 8x27
29 5030433 Washer
30 5031284 Spring
31 5036856 Lever, steering adjuster tiller models
32 5036857 Plate, steering adjuster tiller models
33 5036866 Shaft, steering adjuster tiller models
34 5036295 Rondelle, plateau de friction tiller models
35 5036948 Plate, friction tiller models
36 5034697 Washer, steering adjuster tiller models
37 5034400 Bolt 8x22 tiller models
38 5036956 Nut, steering adjuster tiller models
39 5037137 Plug, steering adjuster remote models
40 5037138 Arm, shallow water drive
41 5037139 Spring, shallow water drive
42 5037022 Bolt, shallow water drive arm
43 5037089 Attachment, steering bracket remote models
44 5032177 Bolt remote models
45 5031611 Lock washer remote models
46 *5033995 Decal tiller models

Returns Policy

All returns must be authorized. Items returned prior authorization will not be accepted.

Defective new equipment may be returned for warranty repair/exchange to us within five (5) days of the shipment receipt date.  After five (5) days, returns will be handled by direct contact and in accordance with the warranty terms of the item's manufacturer.  Items that have malfunctioned due to mishandling, electrical overload, etc., will be subject to a repair charge. 

Non-Defective new equipment will be authorized for return within five (5) days of the shipment receipt date if the equipment is still in new, re-sellable condition with the original manual(s), accessories, packing material and carton. We reserve the right to reject returns in which there is no original packaging, missing accessories, damage or visible signs of usage of the item.  A restocking fee of up to 25% of purchase price may apply.  Special orders and dangerous goods are non-returnable.

**There's a 20% Restocking Fee on All Returned Palmgren Products in Original Packaging

To get your RMA, simply call (800) 364-4637 for a return authorization number or email sales@palmerpower.com .

(Do not write anything on the manufacturer's original package or use as a shipping carton. Include all accessories, manuals and warranties.) Please include a copy of the packing list or invoice with a reason for the return. Your return authorization number is valid for thirty days.

To check the status of your return, please email us at sales@palmerpower.com. Please be sure to include your RMA number. For more information please check our FAQ page.

Shipping

We can ship to virtually any address in the world. Note that there are restrictions on some products, and some products cannot be shipped to international destinations.

When you place an order, we will estimate shipping and delivery dates for you based on the availability of your items and the shipping options you choose. Depending on the shipping provider you choose, shipping date estimates may appear on the shipping quotes page.

Please also note that the shipping rates for many items we sell are weight-based. The weight of any such item can be found on its detail page. To reflect the policies of the shipping companies we use, all weights will be rounded up to the next full pound.

Boat Services & Repairs in Houston

We will service your boat whether you bought it from us or not. Our award-winning boat service department has a full-time staff of seasoned, factory-certified technicians dedicated to ensuring that your boat runs well for years to come. Our team is trained to correctly diagnose issues, advise you of any developing problems, and address any unique service issues your boat may require. Whether you need complex engine work and repairs, canvas and upholstery, boat tune Up, electronics installation or repair, or boat detailing, our technicians will work quickly to keep you out of the shop and on the water. Not only does our service department provide the highest quality service, we also have a large parts department for the do-it-yourself types. Ask about our inventory of parts and aftermarket additions to make your own repairs or upgrades.

Learn More

boat repair service boat Sterndrive repair

Frequently Asked Questions

  • How do I request a quote?
    To request a quote for pricing on any Palmer Power's products, please see our request a quote page. Fill out and submit our quote form and one of our representatives will contact you when your quote is ready.
  • Do you have any Minimum Order Restriction?
    Palmer Power Does not have any Minimum Order Restriction.
  • Will my order be subject to sales tax?
    Estimated state sales tax will appear within your shopping cart for all shipments within the United states unless a signed official state tax exemption certificate is furnished to Palmer Power.
  • How do I check my Order Status?
    To check the status of an online order, email sales@palmerpower.com. Please be sure to include your order number.
  • How do I Return items?

    All returns must be authorized. Items returned prior authorization will not be accepted. International customers must ship any returns to us freight and duty prepaid. Return freight charges for International shipments will be the responsibility of the customer.

    Defective new equipment may be returned for warranty repair/exchange to us within five (5) days of the shipment receipt date. After five (5) days, returns will be handled by direct contact and in accordance with the warranty terms of the item's manufacturer. Items that have malfunctioned due to mishandling, electrical overload, etc., will be subject to a repair charge.

    Non-Defective new equipment will be authorized for return within five (5) days of the shipment receipt date if the equipment is still in new, re-sellable condition with the original manual(s), accessories, packing material and carton. We reserve the right to reject returns in which there is no original packaging, missing accessories, damage or visible signs of usage of the item. A restocking fee of up to 25% of purchase price may apply. Special orders and dangerous goods are non-returnable.

    (Do not write anything on the manufacturer's original package or use as a shipping carton. Include all accessories, manuals and warranties.) Please include a copy of the packing list or invoice with a reason for the return. Your return authorization number is valid for thirty days.

  • What payment options do I have?

    Palmer Power accepts a variety of payment options for your convenience. For prepayment, we accept all major credit cards (Visa, MasterCard, Discover and American Express), Purchase Orders, and international wire transfers. We also offer credit terms to existing customers.

Fast Delivery
Dealer Program
Secure Shopping
30-Day Free Returns