
Guaranteed Fitment
Always the correct part
have questions?
Always the correct part
We know our products
Diagnostics, Repairs, and Maintenance
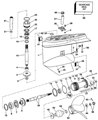
Disclaimer: Please note that the items featured in the image (schematic diagram) are not sold as a bundled set. To facilitate your search, kindly refer to the schematic object key provided below in order to locate a specific item within the image.
Schematic Object Key : 37
Product Description: Screw, Screen
Category: STERN DRIVE / 1990 / 7.4 / 744APEPWS 1990 / LOWER GEARCASE
Disclaimer: Each item listed in the table below is available for individual purchase and is not sold as part of a package or set.
Parts List:
Key | Part No. | Product Name | Additional_info |
---|---|---|---|
1 | 3854459 | Gearcase bearing | This part replaces 0986202. |
2 | 0910901 | Insert | |
3 | 3852567 | Insert | This part replaces 0911858. |
4 | 3853934 | Bearing, pinion | This part replaces 0986182. |
5 | 0986187 | Propeller shaft | |
6 | 0986627 | Gear set, 17 20 | |
6 | 0987549 | Gear set | This part replaces 0986628. |
7 | 3853941 | Oil slinger pins | This part replaces 0986275. |
8 | 3850942 | Bearing, gear to gearcase | This part replaces 0986211. |
9 | 0913869 | Housing, propeller shaft | |
10 | 3854249 | Bearing, driveshaft, lower | This part replaces 0386768. |
11 | 0915703 | Seal, prop shaft housing | This part replaces 0911840. |
12 | 3852865 | O ring, propeller shaft hsg. | This part replaces 0913849. |
13 | 0913871 | Shim, gear position, 0.003" | |
13 | 0913870 | Shim, gear position, 0.004" | |
13 | 0913872 | Shim, gear position, 0.005" | |
13 | 0913873 | Shim, gear position, 0.010" | |
14 | 3852881 | Ring, shim, 0.096 in. | This part replaces 0913865. |
14 | 3852882 | Ring, shim, 0.098 in. | This part replaces 0913866. |
14 | 3852868 | Ring, shim, 0.100 in. | This part replaces 0913852. |
14 | 3852869 | Ring, shim, 0.102 in. | This part replaces 0913853. |
14 | 3852870 | Ring, shim, 0.104 in. | This part replaces 0913854. |
14 | 3852871 | Ring, shim, 0.106 in. | This part replaces 0913855. |
14 | 3852872 | Ring, shim, 0.108 in. | This part replaces 0913856. |
14 | 3852873 | Ring, shim, 0.110 in. | This part replaces 0913857. |
14 | 3852874 | Ring, shim, 0.112 in. | This part replaces 0913858. |
14 | 3852875 | Ring, shim, 0.114 in. | This part replaces 0913859. |
14 | 3852876 | Ring, shim, 0.116 in. | This part replaces 0913860. |
14 | 3852877 | Ring, shim, 0.118 in. | This part replaces 0913861. |
14 | 3852878 | Ring, shim, 0.120 in. | This part replaces 0913862. |
14 | 3852879 | Ring, shim, 0.122 in. | This part replaces 0913863. |
14 | 3852880 | Ring, shim, 0.124 in. | This part replaces 0913864. |
15 | 3852884 | Driveshaft, lower | This part replaces 0913868. |
16 | 3854249 | Bearing, driveshaft, lower | This part replaces 0386768. |
17 | 3854250 | Bearing, driveshaft, upper | This part replaces 0979986. |
18 | 3852889 | Shim, pinion position, 0.003 in. | This part replaces 0913874. |
18 | 3852890 | Shim, pinion position, 0.004 in. | This part replaces 0913875. |
18 | 3852891 | Shim, pinion position, 0.005 in. | This part replaces 0913876. |
18 | 3852892 | Shim, pinion position, 0.010 in. | This part replaces 0913877. |
19 | 3852861 | Nut, pinion to driveshaft | This part replaces 0913842. |
20 | 3853272 | Set screw, prop shaft housing | This part replaces 0914559. |
21 | 3852863 | Support, driveshaft | This part replaces 0913847. |
22 | 3852862 | Washer, retaining | This part replaces 0913845. |
23 | 3852866 | O ring, support housing | This part replaces 0913850. |
24 | 3852959 | O ring, oil passage | This part replaces 0914023. |
25 | 0318544 | Screw, fill drain | |
26 | 0333572 | O ring | |
27 | 3852970 | Anode, prop shaft housing | This part replaces 0914040. |
28 | 0914041 | Retainer, anode | |
29 | 0914042 | Screw, anode | |
30 | 0914673 | Screw, anode retainer | |
31 | 3852973 | Washer, anode | This part replaces 0914043. |
32 | 3852883 | Retainer, driveshaft | This part replaces 0913867. |
33 | 3853371 | Retainer, prop shaft housing | This part replaces 0914931. |
34 | 3852478 | Screw, prop shaft retainer | This part replaces 0909937. |
35 | 3853932 | Guide seal, water tube | This part replaces 0986176. |
36 | 0341013 | Screw, cover | This part replaces 0908668. |
37 | 0914915 | Screw, screen | |
38 | 0913835 | Screen, water intake port | |
39 | 0913836 | Screen, water intake, port | |
40 | 3852867 | Screw, lower to upper housing | This part replaces 0913851. |
41 | 0914024 | Screw, c c to block | |
42 | 3852902 | Driveshaft, intermediate | This part replaces 0913888. |
43 | 0306394 | Cotter pin | |
44 | 0320570 | Spacer, nut | |
45 | 0333592 | Thrust bushing | |
46 | 5008966 | Nut keeper, propeller | This part replaces 0398042. |
47 | 3852963 | Tube, water supply | This part replaces 0914029. |
48 | 0911705 | Guide, water tube | |
49 | 0174927 | Propeller, 15 x 15 sst | |
49 | 0431930 | Propeller, 15 x 17 sss ii | |
49 | 0390821 | Propeller, 14 1 2 x 19 sst ii | |
49 | 0390822 | Propeller 14 1 4 x 21 | |
49 | 0390823 | Propeller 14 1 4 x 23 | |
49 | 0398502 | Propeller, 14 1 2 x 20 racker | |
49 | 0398503 | Lh raker 14 1 2 x 22 | |
49 | 0398504 | Lh raker 14 1 2 x 24 | |
49 | 0398505 | Lh raker 14 1 2 x 26 | |
49 | 0398506 | Lh raker 14 1 2 x 28 | |
49 | 0174890 | Propeller 15 x 17 omc viper | |
49 | 0174811 | Propeller, 14 1 2 x 19 omc viper | |
49 | 0174812 | Propeller, 14 1 2 x 21 omc viper | |
49 | 0174813 | Lh viper 14 1 4 x 23 | |
49 | 0174926 | Propeller, 15 x 15 sst | |
49 | 0391290 | Prop, 15 x 17 sst | |
49 | 0389924 | Prop, 14 1 2 x 19 sst | |
49 | 0389923 | Prop, 14 1 2 x 21 sst | |
49 | 0389019 | Prop, 14 1 2 x 23 sst | |
49 | 0394752 | Propeller, 14 1 2 x 18 omc raker | |
49 | 0394753 | Propeller, 14 1 2 x 20 omc raker | |
49 | 0394754 | Propeller, 14 1 2 x 22 omc raker | |
49 | 0394755 | Propeller, 13 1 2 x 24 omc raker | |
49 | 0394756 | Propeller, 14 1 2 x 26 omc raker | |
49 | 0394757 | Propeller, 14 1 2 x 28 omc raker | |
49 | 0174889 | Propeller, 15 x 17 omc viper | |
49 | 0174814 | Propeller, 14 1 2 x 19 omc viper | |
49 | 0174815 | Propeller, 14 1 2 x 21 omc viper | |
49 | 0174816 | Propeller, 14 1 2 x 23 omc viper | |
50 | 0387157 | Bushing assy, prop, std | |
51 | 0313926 | Propeller hub sleeve | |
52 | 0986629 | Gearcase seal kit |
All returns must be authorized. Items returned prior authorization will not be accepted.
Defective new equipment may be returned for warranty repair/exchange to us within five (5) days of the shipment receipt date. After five (5) days, returns will be handled by direct contact and in accordance with the warranty terms of the item's manufacturer. Items that have malfunctioned due to mishandling, electrical overload, etc., will be subject to a repair charge.
Non-Defective new equipment will be authorized for return within five (5) days of the shipment receipt date if the equipment is still in new, re-sellable condition with the original manual(s), accessories, packing material and carton. We reserve the right to reject returns in which there is no original packaging, missing accessories, damage or visible signs of usage of the item. A restocking fee of up to 25% of purchase price may apply. Special orders and dangerous goods are non-returnable.
**There's a 20% Restocking Fee on All Returned Palmgren Products in Original Packaging
To get your RMA, simply call (800) 364-4637 for a return authorization number or email sales@palmerpower.com .
(Do not write anything on the manufacturer's original package or use as a shipping carton. Include all accessories, manuals and warranties.) Please include a copy of the packing list or invoice with a reason for the return. Your return authorization number is valid for thirty days.
To check the status of your return, please email us at sales@palmerpower.com. Please be sure to include your RMA number. For more information please check our FAQ page.
Shipping
We can ship to virtually any address in the world. Note that there are restrictions on some products, and some products cannot be shipped to international destinations.
When you place an order, we will estimate shipping and delivery dates for you based on the availability of your items and the shipping options you choose. Depending on the shipping provider you choose, shipping date estimates may appear on the shipping quotes page.
Please also note that the shipping rates for many items we sell are weight-based. The weight of any such item can be found on its detail page. To reflect the policies of the shipping companies we use, all weights will be rounded up to the next full pound.
We will service your boat whether you bought it from us or not. Our award-winning boat service department has a full-time staff of seasoned, factory-certified technicians dedicated to ensuring that your boat runs well for years to come. Our team is trained to correctly diagnose issues, advise you of any developing problems, and address any unique service issues your boat may require. Whether you need complex engine work and repairs, canvas and upholstery, boat tune Up, electronics installation or repair, or boat detailing, our technicians will work quickly to keep you out of the shop and on the water. Not only does our service department provide the highest quality service, we also have a large parts department for the do-it-yourself types. Ask about our inventory of parts and aftermarket additions to make your own repairs or upgrades.
All returns must be authorized. Items returned prior authorization will not be accepted. International customers must ship any returns to us freight and duty prepaid. Return freight charges for International shipments will be the responsibility of the customer.
Defective new equipment may be returned for warranty repair/exchange to us within five (5) days of the shipment receipt date. After five (5) days, returns will be handled by direct contact and in accordance with the warranty terms of the item's manufacturer. Items that have malfunctioned due to mishandling, electrical overload, etc., will be subject to a repair charge.
Non-Defective new equipment will be authorized for return within five (5) days of the shipment receipt date if the equipment is still in new, re-sellable condition with the original manual(s), accessories, packing material and carton. We reserve the right to reject returns in which there is no original packaging, missing accessories, damage or visible signs of usage of the item. A restocking fee of up to 25% of purchase price may apply. Special orders and dangerous goods are non-returnable.
(Do not write anything on the manufacturer's original package or use as a shipping carton. Include all accessories, manuals and warranties.) Please include a copy of the packing list or invoice with a reason for the return. Your return authorization number is valid for thirty days.Palmer Power accepts a variety of payment options for your convenience. For prepayment, we accept all major credit cards (Visa, MasterCard, Discover and American Express), Purchase Orders, and international wire transfers. We also offer credit terms to existing customers.