EVINRUDE-JOHNSON 915719 Gasket, Water Passage Hsg. | PalmerPower
close
close
click to zoom in
  • Guaranteed Fitment

    Always the correct part

  • In-House Experts

    We know our products

  • Boat Repair Service

    Diagnostics, Repairs, and Maintenance

  • Fast Delivery

EVINRUDE-JOHNSON 915719 Gasket, Water Passage Hsg.

Write a Review
$6.33
SKU:
915719
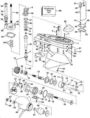
Schematic Object Key:
63

EVINRUDE-JOHNSON 915719 Gasket, Water Passage Hsg.

$6.33

Disclaimer: Please note that the items featured in the image (schematic diagram) are not sold as a bundled set. To facilitate your search, kindly refer to the schematic object key provided below in order to locate a specific item within the image.

EVINRUDE-JOHNSON 915719 Gasket, Water Passage Hsg.

Schematic Object Key : 63

Product Description: Gasket, Water Passage Hsg.

Category: STERN DRIVE / 1992 / 4.3 / 432APRAMH 1992 / LOWER GEARCASE - COUNTER (L.H.) ROTATION

Disclaimer: Each item listed in the table below is available for individual purchase and is not sold as part of a package or set.

Parts List:

Key Part No. Product Name Additional_info
1 5007022 Gearcase bearing assembly This part replaces 0985355.
2 0387817 Bearing, pinion
3 0324852 Retaining screw seal
4 0332584 Washer, seal ring
5 0321123 Screen, water intake
6 0911713 Stud, housing to gearcase
7 0911714 Stud, water passage hsg
8 0387656 Butée, arbre d'entraînement
9 0317624 Screw, driveshaft hsg
10 0160084 Ball
11 0916189 Detent, shift This part replaces 0334142.
12 0911962 Spring
13 0334163 Cradle, shifter
14 0334160 Lever, shift
15 0334143 Shaft, shift
16 0319627 Pin, shift lever
17 0305123 O ring
18 0431943 Propeller shaft assy
19 0382408 Thrust bearing
20 0389042 Thrust bearing assembly, foward gear
21 0354731 O ring This part replaces 0314728.
22 0438251 Clutch shaft assy This part replaces 0432282.
23 0911878 Gasket, cover
24 0431694 Bearing housing seal assy
25 0431926 Needle bearing assembly, front
26 0387247 . needle bearing assy.
27 0320862 . seal
28 0910901 Insert
29 0333957 Languette, de retenue
30 0313447 Thrust washer
31 0987671 Gear set includes forward pinion
32 0314730 Nut, pinion to driveshaft
33 0986666 Gear, reverse
34 0327656 Rondelle de butée, arbre d'entraînement
35 0911693 Driveshaft assy
36 0986658 Shift rod assembly
37 0914723 Rod end, shift
38 0308825 Screw roller
39 0914743 Nut, shift rod to end
40 0914736 Shift rod
41 0915272 Shifter, clutch dog This part replaces 0914716.
42 0313448 Pin, clutch dog
43 0324369 Spring, clutch dog pin
44 0327669 Thrust washer, forward gear
45 0986838 Cover seal assy
46 0318372 "o" ring, shift rod
47 0912157 Wiper, shift rod
48 0304027 Screw
49 0984462 Bearing housing
50 0323362 Cale, 0,003" 0,07 mm
50 0323361 Cale, 0,004" 0,10 mm
50 0314745 Cale, 0,005" 0,12 mm
51 0431693 Bearing hsg assy, rev gear
52 0331880 Pin, housing to gearcase
53 0318544 Screw, fill drain
54 0333572 O ring
55 0431708 Anode, bearing housing
56 0908158 Screw, anode
57 0350271 Screw This part replaces 0333955.
58 0915720 Water passage hsg.
59 0318717 O ring, bearing hsg
60 0911710 Plug, shaft support
61 0329241 Washer This part replaces 0305981.
62 0121731 Nut, hook, front
63 0915719 Gasket, water passage hsg.
65 0313715 Screw, cap, hex hd, 7 16 14 x 1
66 0911709 Driveshaft
67 5008966 Nut keeper, propeller This part replaces 0398042.
68 0306394 Cotter pin
69 0330265 Washer
70 0331998 Screw, gearcase to housing This part replaces 0914535.
71 0328096 Screw
72 3853262 Screw, lower to upper housing This part replaces 0914536.
73 0436745 Anode This part replaces 0393023.
74 0913157 Trim tab, gearcase
75 0911705 Guide, water tube
76 0911715 Guide, water tube
77 0912127 Screw, hook
78 0333592 Thrust bushing
79 0911706 Tube water supply
80 0914534 Screw, gearcase to housing, rear
81 0328701 Lockwasher, double ended bolt
82 3853818 Anode, gearcase This part replaces 0984513.
83 0320570 Spacer, nut
84 0174927 Propeller, 15 x 15 sst
84 0431930 Propeller, 15 x 17 sss ii
84 0390821 Propeller, 14 1 2 x 19 sst ii
84 0390822 Propeller 14 1 4 x 21
84 0390823 Propeller 14 1 4 x 23
84 0398502 Propeller, 14 1 2 x 20 racker
84 0398503 Lh raker 14 1 2 x 22
84 0398504 Lh raker 14 1 2 x 24
84 0398505 Lh raker 14 1 2 x 26
84 0398506 Lh raker 14 1 2 x 28
84 0174890 Propeller 15 x 17 omc viper
84 0174811 Propeller, 14 1 2 x 19 omc viper
84 0174812 Propeller, 14 1 2 x 21 omc viper
84 0174813 Lh viper 14 1 4 x 23
85 0387157 Bushing assy, prop, std
87 0313926 Propeller hub sleeve
88 0984458 Gearcase seal kit

Returns Policy

All returns must be authorized. Items returned prior authorization will not be accepted.

Defective new equipment may be returned for warranty repair/exchange to us within five (5) days of the shipment receipt date.  After five (5) days, returns will be handled by direct contact and in accordance with the warranty terms of the item's manufacturer.  Items that have malfunctioned due to mishandling, electrical overload, etc., will be subject to a repair charge. 

Non-Defective new equipment will be authorized for return within five (5) days of the shipment receipt date if the equipment is still in new, re-sellable condition with the original manual(s), accessories, packing material and carton. We reserve the right to reject returns in which there is no original packaging, missing accessories, damage or visible signs of usage of the item.  A restocking fee of up to 25% of purchase price may apply.  Special orders and dangerous goods are non-returnable.

**There's a 20% Restocking Fee on All Returned Palmgren Products in Original Packaging

To get your RMA, simply call (800) 364-4637 for a return authorization number or email sales@palmerpower.com .

(Do not write anything on the manufacturer's original package or use as a shipping carton. Include all accessories, manuals and warranties.) Please include a copy of the packing list or invoice with a reason for the return. Your return authorization number is valid for thirty days.

To check the status of your return, please email us at sales@palmerpower.com. Please be sure to include your RMA number. For more information please check our FAQ page.

Shipping

We can ship to virtually any address in the world. Note that there are restrictions on some products, and some products cannot be shipped to international destinations.

When you place an order, we will estimate shipping and delivery dates for you based on the availability of your items and the shipping options you choose. Depending on the shipping provider you choose, shipping date estimates may appear on the shipping quotes page.

Please also note that the shipping rates for many items we sell are weight-based. The weight of any such item can be found on its detail page. To reflect the policies of the shipping companies we use, all weights will be rounded up to the next full pound.

Boat Services & Repairs in Houston

We will service your boat whether you bought it from us or not. Our award-winning boat service department has a full-time staff of seasoned, factory-certified technicians dedicated to ensuring that your boat runs well for years to come. Our team is trained to correctly diagnose issues, advise you of any developing problems, and address any unique service issues your boat may require. Whether you need complex engine work and repairs, canvas and upholstery, boat tune Up, electronics installation or repair, or boat detailing, our technicians will work quickly to keep you out of the shop and on the water. Not only does our service department provide the highest quality service, we also have a large parts department for the do-it-yourself types. Ask about our inventory of parts and aftermarket additions to make your own repairs or upgrades.

Learn More

boat repair service boat Sterndrive repair

Frequently Asked Questions

  • How do I request a quote?
    To request a quote for pricing on any Palmer Power's products, please see our request a quote page. Fill out and submit our quote form and one of our representatives will contact you when your quote is ready.
  • Do you have any Minimum Order Restriction?
    Palmer Power Does not have any Minimum Order Restriction.
  • Will my order be subject to sales tax?
    Estimated state sales tax will appear within your shopping cart for all shipments within the United states unless a signed official state tax exemption certificate is furnished to Palmer Power.
  • How do I check my Order Status?
    To check the status of an online order, email sales@palmerpower.com. Please be sure to include your order number.
  • How do I Return items?

    All returns must be authorized. Items returned prior authorization will not be accepted. International customers must ship any returns to us freight and duty prepaid. Return freight charges for International shipments will be the responsibility of the customer.

    Defective new equipment may be returned for warranty repair/exchange to us within five (5) days of the shipment receipt date. After five (5) days, returns will be handled by direct contact and in accordance with the warranty terms of the item's manufacturer. Items that have malfunctioned due to mishandling, electrical overload, etc., will be subject to a repair charge.

    Non-Defective new equipment will be authorized for return within five (5) days of the shipment receipt date if the equipment is still in new, re-sellable condition with the original manual(s), accessories, packing material and carton. We reserve the right to reject returns in which there is no original packaging, missing accessories, damage or visible signs of usage of the item. A restocking fee of up to 25% of purchase price may apply. Special orders and dangerous goods are non-returnable.

    (Do not write anything on the manufacturer's original package or use as a shipping carton. Include all accessories, manuals and warranties.) Please include a copy of the packing list or invoice with a reason for the return. Your return authorization number is valid for thirty days.

  • What payment options do I have?

    Palmer Power accepts a variety of payment options for your convenience. For prepayment, we accept all major credit cards (Visa, MasterCard, Discover and American Express), Purchase Orders, and international wire transfers. We also offer credit terms to existing customers.

Fast Delivery
Dealer Program
Secure Shopping
30-Day Free Returns