
Guaranteed Fitment
Always the correct part
have questions?
Always the correct part
We know our products
Diagnostics, Repairs, and Maintenance
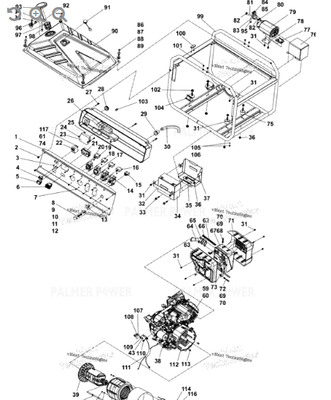
Disclaimer: Please note that the items featured in the image (schematic diagram) are not sold as a bundled set. To facilitate your search, kindly refer to the schematic object key provided below in order to locate a specific item within the image.
Schematic Object Key : 44
Product Description : Stator assembly
Product Category : Kohler Engines/ KOHLER PORTABLES/ PRO 5.2/ PRO52-3002 KOHLER GENERATOR DIVISION/ 12534 Cylinderhead/Breather
Disclaimer : Each item listed in the table below is available for individual purchase and is not sold as part of a package or set.
Other Components :
Key | Name | SKU |
---|---|---|
1 | Panel (pro5.2) | 37 376 02-S |
2 | Screw, bolt gb5789-m6x12 | 25 086 577-S |
3 | Screw, m3x6 | 25 086 578-S |
5 | Switch | 37 099 01-S |
6 | Switch | 37 099 02-S |
7 | Screw m4x12 | 25 086 588-S |
8 | Nut | 37 100 02-S |
9 | Washer, spring gasket 6 | 37 468 04-S |
10 | Washer, plate gasket 6 | 37 468 03-S |
11 | Nut | 37 100 04-S |
12 | Screw, bolt m6x25 | 25 086 580-S |
14 | Receptacle, gfci 20a/125v nema 5-20or | 37 400 01-S |
16 | Breaker, circuit 20a | 37 220 02-S |
17 | Receptacle, nema l5-30r socket | 37 400 02-S |
18 | Breaker, circuit 30a | 37 220 03-S |
19 | Nut | 37 100 03-S |
20 | Receptacle, nema l14-30r 4p socket | 37 400 03-S |
21 | Meter, maintenance minder | 37 362 01-S |
22 | Breaker, circuit 18.5a (pro 5.2e) | 37 220 06-S |
26 | Cover | 37 096 02-S |
27 | Screw m5x45 | 25 086 594-S |
28 | Grommet 16mm | 37 313 01-S |
29 | Grommet, power cord sheath | 37 313 02-S |
30 | Sleeve braided sleeve 1 | 37 431 01-S |
31 | Screw, bolt m6x12 | 25 086 573-S |
36 | Nut | 37 100 08-S |
38 | Ch440 e3 kpp for engine parts search by engine spec | CH440-3124 |
39 | Rotor assembly (pro5.2e) | 37 415 01-S |
40 | Bolt 5/16-24x222mm | 37 211 05-S |
41 | Washer | 37 468 07-S |
42 | Washer, spring | 37 468 08-S |
43 | Nut | 37 100 05-S |
44 | Stator assembly | 37 085 01-S |
45 | Housing | 37 081 01-S |
46 | Washer, special spring 6 | 37 468 06-S |
47 | Washer, plate gasket 6 | 37 468 05-S |
48 | Screw bolt m6x180 | 25 086 584-S |
49 | Cap, back cover | 37 173 01-S |
50 | Screw, bolt m5x205 | 25 086 582-S |
51 | Rectifier avr (pro5.5e) | 37 403 01-S |
52 | Screw, bolt gb 5787-m5x16 | 25 086 581-S |
53 | Brush, carbon assembly | 37 221 01-S |
54 | Screw, bolt m5x10 | 25 086 583-S |
55 | Cover | 37 096 03-S |
56 | Sleeve, motor rubber sheath | 37 431 02-S |
57 | Board assembly, patch | 37 207 01-S |
58 | Bolt gb/t 5783-m5x10 | 37 211 01-S |
59 | Gasket, muffler | 17 041 29-S |
60 | Nut use 25 086 240-s | 37 100 01-S |
61 | Washer, spring gb93-4 | 37 468 09-S |
62 | Mount, rubber gasket | 37 366 02-S |
63 | Guard muffler back cover | 37 314 02-S |
64 | Manifold, muffler pipe assembly | 37 164 01-S |
65 | Screw, bolt m8x22 | 25 086 574-S |
66 | Gasket | 37 041 01-S |
67 | Muffler | 37 068 03-S |
68 | Screw, bolt m8x20 | 25 086 575-S |
69 | Washer, spring 8 | 37 468 01-S |
70 | Washer, flat gasket 8 | 37 468 02-S |
71 | Guard, muffler front cover | 37 314 01-S |
72 | Screw, bolt l35 | 25 086 576-S |
73 | Spacer, muffler bushing | 37 112 03-S |
74 | Washer, plate gasket gb95-4 | 37 468 12-S |
75 | Mount, rubber foot | 37 366 04-S |
76 | Cover | 37 096 04-S |
77 | Plate, carbon tank holder (w/nut) | 37 146 01-S |
78 | Plate, carbon tank holder (none nut) | 37 146 02-S |
79 | Carbon canister | 37 163 02-S |
80 | Clamp, fuel pipe 5 | 37 237 03-S |
81 | Hose, fuel pipe 2 | 37 326 01-S |
82 | Clamp, fuel pipe 7 | 37 237 05-S |
83 | Fuel hose, low permeation | 37 111 01-S |
84 | Strap, cable ties 7.7x150 8 | 37 445 03-S |
85 | Sleeve, pvc casing pipe 20mm | 37 431 03-S |
86 | Screw, bolt gb 5787-m6x20 | 25 086 572-S |
87 | Mount, flat gasket gb/t 5287-6 | 37 366 01-S |
88 | Spacer, inner ring | 37 112 02-S |
89 | Spacer, fuel tank bushing | 37 112 01-S |
90 | Tank, fuel | 37 065 02-S |
91 | Guage, fuel level assembly | 37 305 01-S |
92 | Retainer, tank cap pull ring | 37 018 01-S |
93 | Cap assembly - fuel tank (epa) | 37 227 01-S |
94 | Line, fuel (10"-cut to length) | 25 111 40-S |
95 | Clamp, fuel line 6 | 37 237 04-S |
96 | Valve,fuel shut off | 37 462 02-S |
97 | Filter , fuel tank | 37 050 01-S |
98 | Clamp, fuel line 1 use 14 237 01-s | 37 237 06-S |
99 | Frame assembly (pro5.2e) | 37 301 01-S |
100 | Damper, handle damping pad | 37 263 03-S |
101 | Plug, end cap | 37 139 01-S |
102 | Nut | 37 100 07-S |
103 | Strap, cable ties 3.2x120 (white) | 37 445 02-S |
104 | Mount, engine iso | 35 366 02-S |
105 | Spacer, flower shaped gasket | 37 112 04-S |
106 | Nut | 37 100 10-S |
112 | Cover | 37 096 01-S |
113 | Screw bolt 3/8-16x27mm | 25 086 585-S |
114 | Washer, plate gt/t 95 | 37 468 11-S |
116 | Washer, spring gb 93-5 | 37 468 10-S |
117 | Screw gb818-m4x8 | 25 086 591-S |
All returns must be authorized. Items returned prior authorization will not be accepted.
Defective new equipment may be returned for warranty repair/exchange to us within five (5) days of the shipment receipt date. After five (5) days, returns will be handled by direct contact and in accordance with the warranty terms of the item's manufacturer. Items that have malfunctioned due to mishandling, electrical overload, etc., will be subject to a repair charge.
Non-Defective new equipment will be authorized for return within five (5) days of the shipment receipt date if the equipment is still in new, re-sellable condition with the original manual(s), accessories, packing material and carton. We reserve the right to reject returns in which there is no original packaging, missing accessories, damage or visible signs of usage of the item. A restocking fee of up to 25% of purchase price may apply. Special orders and dangerous goods are non-returnable.
**There's a 20% Restocking Fee on All Returned Palmgren Products in Original Packaging
To get your RMA, simply call (800) 364-4637 for a return authorization number or email sales@palmerpower.com .
(Do not write anything on the manufacturer's original package or use as a shipping carton. Include all accessories, manuals and warranties.) Please include a copy of the packing list or invoice with a reason for the return. Your return authorization number is valid for thirty days.
To check the status of your return, please email us at sales@palmerpower.com. Please be sure to include your RMA number. For more information please check our FAQ page.
Shipping
We can ship to virtually any address in the world. Note that there are restrictions on some products, and some products cannot be shipped to international destinations.
When you place an order, we will estimate shipping and delivery dates for you based on the availability of your items and the shipping options you choose. Depending on the shipping provider you choose, shipping date estimates may appear on the shipping quotes page.
Please also note that the shipping rates for many items we sell are weight-based. The weight of any such item can be found on its detail page. To reflect the policies of the shipping companies we use, all weights will be rounded up to the next full pound.
We will service your boat whether you bought it from us or not. Our award-winning boat service department has a full-time staff of seasoned, factory-certified technicians dedicated to ensuring that your boat runs well for years to come. Our team is trained to correctly diagnose issues, advise you of any developing problems, and address any unique service issues your boat may require. Whether you need complex engine work and repairs, canvas and upholstery, boat tune Up, electronics installation or repair, or boat detailing, our technicians will work quickly to keep you out of the shop and on the water. Not only does our service department provide the highest quality service, we also have a large parts department for the do-it-yourself types. Ask about our inventory of parts and aftermarket additions to make your own repairs or upgrades.
All returns must be authorized. Items returned prior authorization will not be accepted. International customers must ship any returns to us freight and duty prepaid. Return freight charges for International shipments will be the responsibility of the customer.
Defective new equipment may be returned for warranty repair/exchange to us within five (5) days of the shipment receipt date. After five (5) days, returns will be handled by direct contact and in accordance with the warranty terms of the item's manufacturer. Items that have malfunctioned due to mishandling, electrical overload, etc., will be subject to a repair charge.
Non-Defective new equipment will be authorized for return within five (5) days of the shipment receipt date if the equipment is still in new, re-sellable condition with the original manual(s), accessories, packing material and carton. We reserve the right to reject returns in which there is no original packaging, missing accessories, damage or visible signs of usage of the item. A restocking fee of up to 25% of purchase price may apply. Special orders and dangerous goods are non-returnable.
(Do not write anything on the manufacturer's original package or use as a shipping carton. Include all accessories, manuals and warranties.) Please include a copy of the packing list or invoice with a reason for the return. Your return authorization number is valid for thirty days.Palmer Power accepts a variety of payment options for your convenience. For prepayment, we accept all major credit cards (Visa, MasterCard, Discover and American Express), Purchase Orders, and international wire transfers. We also offer credit terms to existing customers.