MERCURY 879346A50 Kt-Harn Fuel Injt | PalmerPower
close
close
click to zoom in
  • Guaranteed Fitment

    Always the correct part

  • In-House Experts

    We know our products

  • Boat Repair Service

    Diagnostics, Repairs, and Maintenance

  • Fast Delivery

MERCURY 879346A50 Harness Repair Kit, Fuel Injector

Write a Review
$27.50
SKU:
879346A50
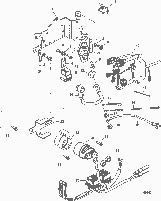
Schematic Object Key:
-

MERCURY 879346A50 Harness Repair Kit, Fuel Injector

$27.50

Disclaimer: Please note that the items featured in the image (schematic diagram) are not sold as a bundled set. To facilitate your search, kindly refer to the schematic object key provided below in order to locate a specific item within the image.

MERCURY 879346A50 Harness Repair Kit, Fuel Injector

Schematic Object Key : -

Product Description : MERCURY 879346A50 Harness Repair Kit, Fuel Injector

Product Category : 225 (DFI) 3.0L/ 1B504989 & Up/ Electrical Plate Components, Sn# 1B884208 And Up; Alpha_Brands/SHOP BY BRANDS/Mercury

Disclaimer: Each item listed in the table below is available for individual purchase and is not sold as part of a package or set.

Other Components:

Key Name Part No.
- NOT SOLD SEPARATE, Electrical Plate Assembly-Complete NSS
1 PLATE 899071T01
2 CLIP, Tie Strap 899145
3 SCREW, (M6 x 14) 821291 14
4 WASHER, (.281 x .500 x .060) Stainless Steel 29245
5 RELAY ASSEMBLY 882751A 1
6 BRACKET 828102
7 GROMMET 818967
8 BUSHING 818968
9 SCREW, (M6 x 25 MM) 821291 25
10 HARNESS ASSEMBLY, Engine 8M0065142
- FUSE, Mini - Yellow - 20 Ampere 832969T20
- FUSE, Mini - Gray - 2 Ampere 832969 2
- FUSE, Mini - Tan - 5 Ampere 832969T05
- HARNESS REPAIR KIT, Direct Injector 879346A49
- HARNESS REPAIR KIT, Fuel Injector 879346A50
- HARNESS ASSEMBLY, Alternator 881262A 2
- HARNESS ASSEMBLY, Throttle Position Sensor 879346A41
11 HOT STUD ASSEMBLY 875302A 1
12 TIE STRAP, (8.00 Inches) 816311T
13 WASHER 85172
14 CABLE ASSEMBLY, Black 8M0030525
15 CABLE ASSEMBLY, (8.50 Inches) 93388A17
16 HARNESS ASSEMBLY, Fuse - 100 Ampere 878231A 6
17 LOCKWASHER, (.312) 26993
18 NUT, (M8) Stainless Steel 40021 3
19 CABLE ASSEMBLY, Battery - Positive 88439A46
20 SOLENOID, Starter 825096T01
21 SCREW, (M6 x 10) 821291 10
22 BRACKET 8M0010250
23 BRACKET, Solenoid 8M0024801
24 BRACKET 858953
25 NUT, (M6) Stainless Steel 40138 6
26 HARNESS ASSEMBLY, Trim 8M0065143
- NOT SOLD SEPARATE, Electrical Plate Assembly-Complete NSS
1 PLATE 899071T01
2 CLIP, Tie Strap 899145
3 SCREW, (M6 x 14) 821291 14
4 WASHER, (.281 x .500 x .060) Stainless Steel 29245
5 RELAY ASSEMBLY 882751A 1
6 BRACKET 828102
7 GROMMET 818967
8 BUSHING 818968
9 SCREW, (M6 x 25 MM) 821291 25
10 HARNESS ASSEMBLY, Engine 8M0065142
- FUSE, Mini - Yellow - 20 Ampere 832969T20
- FUSE, Mini - Gray - 2 Ampere 832969 2
- FUSE, Mini - Tan - 5 Ampere 832969T05
- HARNESS REPAIR KIT, Direct Injector 879346A49
- HARNESS REPAIR KIT, Fuel Injector 879346A50
- HARNESS ASSEMBLY, Alternator 881262A 2
- HARNESS ASSEMBLY, Throttle Position Sensor 879346A41
11 HOT STUD ASSEMBLY 875302A 1
12 TIE STRAP, (8.00 Inches) 816311T
13 WASHER 85172
14 CABLE ASSEMBLY, Black 8M0030525
15 CABLE ASSEMBLY, (8.50 Inches) 93388A17
16 HARNESS ASSEMBLY, Fuse - 100 Ampere 878231A 6
17 LOCKWASHER, (.312) 26993
18 NUT, (M8) Stainless Steel 40021 3
19 CABLE ASSEMBLY, Battery - Positive 88439A46
20 SOLENOID, Starter 825096T01
21 SCREW, (M6 x 10) 821291 10
22 BRACKET 8M0010250
23 BRACKET, Solenoid 8M0024801
24 BRACKET 858953
25 NUT, (M6) Stainless Steel 40138 6
26 HARNESS ASSEMBLY, Trim 8M0065143



Quick Overview

KT-HARN FUEL INJT

SKU : 879346A50

PRE: MER

BRAND: MERCURY

COMPANY: Mercury/MerCruiser/Mariner/Force

Returns Policy

All returns must be authorized. Items returned prior authorization will not be accepted.

Defective new equipment may be returned for warranty repair/exchange to us within five (5) days of the shipment receipt date.  After five (5) days, returns will be handled by direct contact and in accordance with the warranty terms of the item's manufacturer.  Items that have malfunctioned due to mishandling, electrical overload, etc., will be subject to a repair charge. 

Non-Defective new equipment will be authorized for return within five (5) days of the shipment receipt date if the equipment is still in new, re-sellable condition with the original manual(s), accessories, packing material and carton. We reserve the right to reject returns in which there is no original packaging, missing accessories, damage or visible signs of usage of the item.  A restocking fee of up to 25% of purchase price may apply.  Special orders and dangerous goods are non-returnable.

**There's a 20% Restocking Fee on All Returned Palmgren Products in Original Packaging

To get your RMA, simply call (800) 364-4637 for a return authorization number or email sales@palmerpower.com .

(Do not write anything on the manufacturer's original package or use as a shipping carton. Include all accessories, manuals and warranties.) Please include a copy of the packing list or invoice with a reason for the return. Your return authorization number is valid for thirty days.

To check the status of your return, please email us at sales@palmerpower.com. Please be sure to include your RMA number. For more information please check our FAQ page.

Shipping

We can ship to virtually any address in the world. Note that there are restrictions on some products, and some products cannot be shipped to international destinations.

When you place an order, we will estimate shipping and delivery dates for you based on the availability of your items and the shipping options you choose. Depending on the shipping provider you choose, shipping date estimates may appear on the shipping quotes page.

Please also note that the shipping rates for many items we sell are weight-based. The weight of any such item can be found on its detail page. To reflect the policies of the shipping companies we use, all weights will be rounded up to the next full pound.

Boat Services & Repairs in Houston

We will service your boat whether you bought it from us or not. Our award-winning boat service department has a full-time staff of seasoned, factory-certified technicians dedicated to ensuring that your boat runs well for years to come. Our team is trained to correctly diagnose issues, advise you of any developing problems, and address any unique service issues your boat may require. Whether you need complex engine work and repairs, canvas and upholstery, boat tune Up, electronics installation or repair, or boat detailing, our technicians will work quickly to keep you out of the shop and on the water. Not only does our service department provide the highest quality service, we also have a large parts department for the do-it-yourself types. Ask about our inventory of parts and aftermarket additions to make your own repairs or upgrades.

Learn More

boat repair service boat Sterndrive repair

Frequently Asked Questions

  • How do I request a quote?
    To request a quote for pricing on any Palmer Power's products, please see our request a quote page. Fill out and submit our quote form and one of our representatives will contact you when your quote is ready.
  • Do you have any Minimum Order Restriction?
    Palmer Power Does not have any Minimum Order Restriction.
  • Will my order be subject to sales tax?
    Estimated state sales tax will appear within your shopping cart for all shipments within the United states unless a signed official state tax exemption certificate is furnished to Palmer Power.
  • How do I check my Order Status?
    To check the status of an online order, email sales@palmerpower.com. Please be sure to include your order number.
  • How do I Return items?

    All returns must be authorized. Items returned prior authorization will not be accepted. International customers must ship any returns to us freight and duty prepaid. Return freight charges for International shipments will be the responsibility of the customer.

    Defective new equipment may be returned for warranty repair/exchange to us within five (5) days of the shipment receipt date. After five (5) days, returns will be handled by direct contact and in accordance with the warranty terms of the item's manufacturer. Items that have malfunctioned due to mishandling, electrical overload, etc., will be subject to a repair charge.

    Non-Defective new equipment will be authorized for return within five (5) days of the shipment receipt date if the equipment is still in new, re-sellable condition with the original manual(s), accessories, packing material and carton. We reserve the right to reject returns in which there is no original packaging, missing accessories, damage or visible signs of usage of the item. A restocking fee of up to 25% of purchase price may apply. Special orders and dangerous goods are non-returnable.

    (Do not write anything on the manufacturer's original package or use as a shipping carton. Include all accessories, manuals and warranties.) Please include a copy of the packing list or invoice with a reason for the return. Your return authorization number is valid for thirty days.

  • What payment options do I have?

    Palmer Power accepts a variety of payment options for your convenience. For prepayment, we accept all major credit cards (Visa, MasterCard, Discover and American Express), Purchase Orders, and international wire transfers. We also offer credit terms to existing customers.

Fast Delivery
Dealer Program
Secure Shopping
30-Day Free Returns