MERCURY 883726A1 Cable | PalmerPower
close
close
click to zoom in
  • Guaranteed Fitment

    Always the correct part

  • In-House Experts

    We know our products

  • Boat Repair Service

    Diagnostics, Repairs, and Maintenance

  • Fast Delivery

MERCURY 883726A 1 Cable Assembly, Yellow/Red

Write a Review
$13.40
SKU:
883726A1
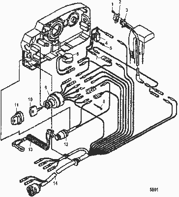
Schematic Object Key:
25

MERCURY 883726A 1 Cable Assembly, Yellow/Red

$13.40

Disclaimer: Please note that the items featured in the image (schematic diagram) are not sold as a bundled set. To facilitate your search, kindly refer to the schematic object key provided below in order to locate a specific item within the image.

MERCURY 883726A 1 Cable Assembly, Yellow/Red

Schematic Object Key : 25

Product Description : MERCURY 883726A 1 Cable Assembly, Yellow/Red

Product Category : 75 DFI (3 CYL.)(1.5L)/ 1B227000 THRU 1B417701/ Electrical Components, Pcm Mounting

Disclaimer: Each item listed in the table below is available for individual purchase and is not sold as part of a package or set.

Other Components:

Key Name Part No.
- NOT SOLD SEPARATE, Electrical Plate Assembly-Complete NSS
1 PLATE, Electrical 880190T03
2 SCREW, (M6 x 14) 821291 14
3 WASHER, (.281 x .500 x .060) Stainless Steel 29245
4 CABLE ASSEMBLY, Braided 858414A 1
5 CLIP, (1.00) 858755
6 PCM, Propulsion Control Module 89790640T
6 PCM, Propulsion Control Module 89790641T
6 PCM, Propulsion Control Module 89790642T
7 SCREW, (M6 x 25) 821291 25
8 WASHER, (.265 x .750 x .048) Stainless Steel 65567
9 GROMMET 834985
10 BUSHING 856954
11 BRACKET 858953
12 RELAY ASSEMBLY 882751A 1
13 BRACKET 828102
14 GROMMET 818967
15 BUSHING 818968
16 PIN, Special 821583 2
17 SPACER 889600
18 NUT, (M6) 40137 6
19 CLIP, (.625) 858954
20 SOLENOID ASSEMBLY, (#10-32 / .3125-18 Terminals) 817109A 2
21 GROMMET 822179
22 BUSHING 818968
23 NUT, (#10-32) Brass 45076
24 CAP NUT, (#10-32) 813938
25 CABLE ASSEMBLY, Yellow/Red 883726A 1
26 LOCKWASHER, (.312) 53166
27 NUT, (.312-18) 68292
28 CABLE ASSEMBLY, (4.00 Inches) Black 88807A16
29 BOOT, Insulator - Yellow 850067 3
30 HARNESS ASSEMBLY, Trim 819514T18
- NOT SOLD SEPARATE, Electrical Plate Assembly-Complete NSS
1 PLATE, Electrical 880190T03
2 SCREW, (M6 x 14) 821291 14
3 WASHER, (.281 x .500 x .060) Stainless Steel 29245
4 CABLE ASSEMBLY, Braided 858414A 1
5 CLIP, (1.00) 858755
6 PCM, Propulsion Control Module 89790640T
6 PCM, Propulsion Control Module 89790641T
6 PCM, Propulsion Control Module 89790642T
7 SCREW, (M6 x 25) 821291 25
8 WASHER, (.265 x .750 x .048) Stainless Steel 65567
9 GROMMET 834985
10 BUSHING 856954
11 BRACKET 858953
12 RELAY ASSEMBLY 882751A 1
13 BRACKET 828102
14 GROMMET 818967
15 BUSHING 818968
16 PIN, Special 821583 2
17 SPACER 889600
18 NUT, (M6) 40137 6
19 CLIP, (.625) 858954
20 SOLENOID ASSEMBLY, (#10-32 / .3125-18 Terminals) 817109A 2
21 GROMMET 822179
22 BUSHING 818968
23 NUT, (#10-32) Brass 45076
24 CAP NUT, (#10-32) 813938
25 CABLE ASSEMBLY, Yellow/Red 883726A 1
26 LOCKWASHER, (.312) 53166
27 NUT, (.312-18) 68292
28 CABLE ASSEMBLY, (4.00 Inches) Black 88807A16
29 BOOT, Insulator - Yellow 850067 3
30 HARNESS ASSEMBLY, Trim 819514T18



Quick Overview

CABLE 84

SKU : 883726A1

PRE: MER

BRAND: MERCURY

COMPANY: Mercury/MerCruiser/Mariner/Force

UPC: 745061582248

Returns Policy

All returns must be authorized. Items returned prior authorization will not be accepted.

Defective new equipment may be returned for warranty repair/exchange to us within five (5) days of the shipment receipt date.  After five (5) days, returns will be handled by direct contact and in accordance with the warranty terms of the item's manufacturer.  Items that have malfunctioned due to mishandling, electrical overload, etc., will be subject to a repair charge. 

Non-Defective new equipment will be authorized for return within five (5) days of the shipment receipt date if the equipment is still in new, re-sellable condition with the original manual(s), accessories, packing material and carton. We reserve the right to reject returns in which there is no original packaging, missing accessories, damage or visible signs of usage of the item.  A restocking fee of up to 25% of purchase price may apply.  Special orders and dangerous goods are non-returnable.

**There's a 20% Restocking Fee on All Returned Palmgren Products in Original Packaging

To get your RMA, simply call (800) 364-4637 for a return authorization number or email sales@palmerpower.com .

(Do not write anything on the manufacturer's original package or use as a shipping carton. Include all accessories, manuals and warranties.) Please include a copy of the packing list or invoice with a reason for the return. Your return authorization number is valid for thirty days.

To check the status of your return, please email us at sales@palmerpower.com. Please be sure to include your RMA number. For more information please check our FAQ page.

Shipping

We can ship to virtually any address in the world. Note that there are restrictions on some products, and some products cannot be shipped to international destinations.

When you place an order, we will estimate shipping and delivery dates for you based on the availability of your items and the shipping options you choose. Depending on the shipping provider you choose, shipping date estimates may appear on the shipping quotes page.

Please also note that the shipping rates for many items we sell are weight-based. The weight of any such item can be found on its detail page. To reflect the policies of the shipping companies we use, all weights will be rounded up to the next full pound.

Boat Services & Repairs in Houston

We will service your boat whether you bought it from us or not. Our award-winning boat service department has a full-time staff of seasoned, factory-certified technicians dedicated to ensuring that your boat runs well for years to come. Our team is trained to correctly diagnose issues, advise you of any developing problems, and address any unique service issues your boat may require. Whether you need complex engine work and repairs, canvas and upholstery, boat tune Up, electronics installation or repair, or boat detailing, our technicians will work quickly to keep you out of the shop and on the water. Not only does our service department provide the highest quality service, we also have a large parts department for the do-it-yourself types. Ask about our inventory of parts and aftermarket additions to make your own repairs or upgrades.

Learn More

boat repair service boat Sterndrive repair

Frequently Asked Questions

  • How do I request a quote?
    To request a quote for pricing on any Palmer Power's products, please see our request a quote page. Fill out and submit our quote form and one of our representatives will contact you when your quote is ready.
  • Do you have any Minimum Order Restriction?
    Palmer Power Does not have any Minimum Order Restriction.
  • Will my order be subject to sales tax?
    Estimated state sales tax will appear within your shopping cart for all shipments within the United states unless a signed official state tax exemption certificate is furnished to Palmer Power.
  • How do I check my Order Status?
    To check the status of an online order, email sales@palmerpower.com. Please be sure to include your order number.
  • How do I Return items?

    All returns must be authorized. Items returned prior authorization will not be accepted. International customers must ship any returns to us freight and duty prepaid. Return freight charges for International shipments will be the responsibility of the customer.

    Defective new equipment may be returned for warranty repair/exchange to us within five (5) days of the shipment receipt date. After five (5) days, returns will be handled by direct contact and in accordance with the warranty terms of the item's manufacturer. Items that have malfunctioned due to mishandling, electrical overload, etc., will be subject to a repair charge.

    Non-Defective new equipment will be authorized for return within five (5) days of the shipment receipt date if the equipment is still in new, re-sellable condition with the original manual(s), accessories, packing material and carton. We reserve the right to reject returns in which there is no original packaging, missing accessories, damage or visible signs of usage of the item. A restocking fee of up to 25% of purchase price may apply. Special orders and dangerous goods are non-returnable.

    (Do not write anything on the manufacturer's original package or use as a shipping carton. Include all accessories, manuals and warranties.) Please include a copy of the packing list or invoice with a reason for the return. Your return authorization number is valid for thirty days.

  • What payment options do I have?

    Palmer Power accepts a variety of payment options for your convenience. For prepayment, we accept all major credit cards (Visa, MasterCard, Discover and American Express), Purchase Orders, and international wire transfers. We also offer credit terms to existing customers.

Fast Delivery
Dealer Program
Secure Shopping
30-Day Free Returns