Shop All - Evinrude/Johnson - Stern Drive - 1972 - 245 HP - XUFM-21A 1972 - Carburetor Group 100 Hp Stern Drive - Page 1 - Palmer Power
close
close

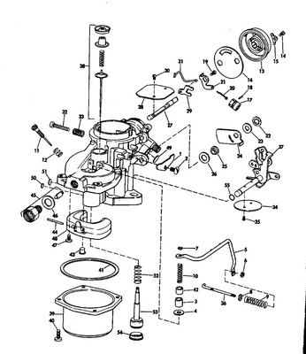
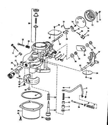
Carburetor Group 100 Hp Stern Drive

sidebar:
show more

Customer Reviews

Featured Brands

View all
Fast Delivery
Dealer Program
Secure Shopping
30-Day Free Returns