Shop All - Mercury - 3 - 0A855097 THRU 0G710612 - Cylinder Block, Crankshaft And Piston - Page 1 - Palmer Power
close
close

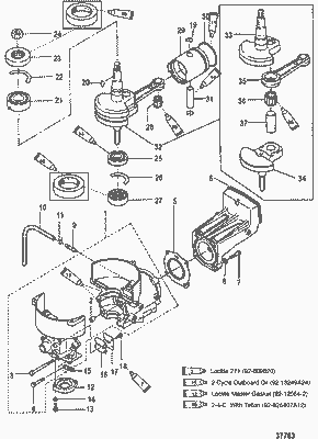
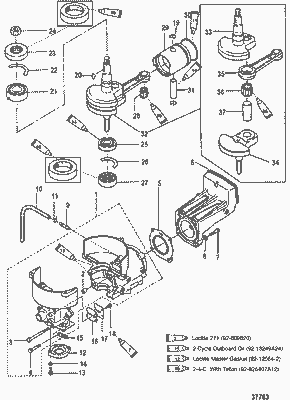
Cylinder Block, Crankshaft And Piston

sidebar:
show more

Customer Reviews

Featured Brands

View all
Fast Delivery
Dealer Program
Secure Shopping
30-Day Free Returns