Shop All - Mercury - 350SCi Verado - 1B716557 & Up - Gear Housing, Driveshaft - Palmer Power
close
close

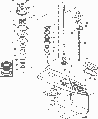
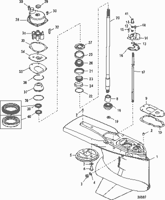
Gear Housing, Driveshaft

sidebar:

Customer Reviews

Featured Brands

View all
Fast Delivery
Dealer Program
Secure Shopping
30-Day Free Returns