4 Stroke - 135 HP EFI Verado 4 CYL - Electrical Box Components - Page 1 - Palmer Power
close
close

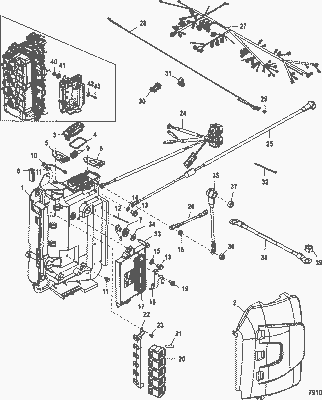
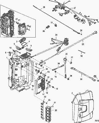
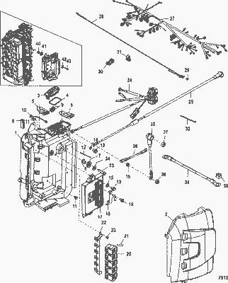
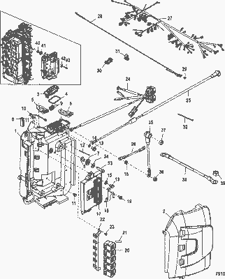
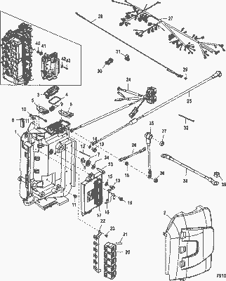
Electrical Box Components

sidebar:
show more

Customer Reviews

Featured Brands

View all
Fast Delivery
Dealer Program
Secure Shopping
30-Day Free Returns