4 Stroke - 135 HP EFI Verado 4 CYL - Gear Housing (Driveshaft)(Standard or Counter ... - Palmer Power
close
close

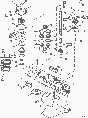
Gear Housing (Driveshaft)(Standard or Counter ...

sidebar:

Customer Reviews

Featured Brands

View all
Fast Delivery
Dealer Program
Secure Shopping
30-Day Free Returns