Shop All - VOLVO PENTA - TAD1371-75VE - Inlet and Exhaust System - Page 3 - Palmer Power
close
close

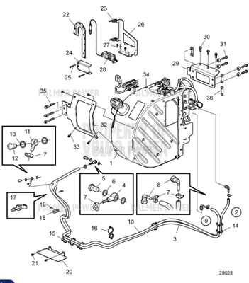
Inlet and Exhaust System

sidebar:
show more

Customer Reviews

Featured Brands

View all
Fast Delivery
Dealer Program
Secure Shopping
30-Day Free Returns