EVINRUDE-JOHNSON 313824 Stern Bracket, Port | PalmerPower
close
close
click to zoom in
  • Guaranteed Fitment

    Always the correct part

  • In-House Experts

    We know our products

  • Boat Repair Service

    Diagnostics, Repairs, and Maintenance

  • Fast Delivery

EVINRUDE-JOHNSON 313824 Stern Bracket, Port

Write a Review
$79.00
SKU:
313824
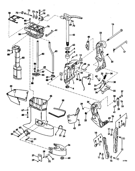
Schematic Object Key:
23

EVINRUDE-JOHNSON 313824 Stern Bracket, Port

$79.00

Disclaimer: Please note that the items featured in the image (schematic diagram) are not sold as a bundled set. To facilitate your search, kindly refer to the schematic object key provided below in order to locate a specific item within the image.

EVINRUDE-JOHNSON 313824 Stern Bracket, Port

Schematic Object Key : 23

Product Description: Stern Bracket, Port

Category: JOHNSON / 1970 / 60 / 60ESL70B 1970 / EXHAUST COVER GROUP

Disclaimer: Each item listed in the table below is available for individual purchase and is not sold as part of a package or set.

Parts List:

Key Part No. Product Name Additional_info
1 0383146 Swivel bracket
1 0383147 Swivel bracket, long
2 0313607 Lube fitting
3 0313880 Bushing, lower
4 0317776 Seal This part replaces 0313691.
5 0382388 Thrust mount assembly
0381836 0381836 Transom mount kit
6 0387482 Clamp assembly, port This part replaces 0381832.
7 0307222 . pin, lockbolt
8 0307236 . lockbolt, bracket
9 0326329 . lockwasher This part replaces 0307237.
10 0387483 Clamp assy, starboard incl items 7,8, and 9 This part replaces 0381833.
11 0363254 Nut, stern bracket screw This part replaces 0307407.
12 0363012 Screw, bracket mounting This part replaces 0313327.
13 0307238 Rondelle
14 0320248 Rondelle, écrou This part replaces 0312910.
15 0313820 Thrush washer, stern brkt.
16 0307226 Bolt, tilting
17 0383568 Thrust rod retainer
18 0313763 Gasket, adapter
19 0315085 O ring, driveshaft to crankcase
20 0307068 Spring thrust rod
21 0382652 Shaft lever assembly
22 0313818 Locking lever
23 0313824 Stern bracket, port
24 0313825 Stern bracket, starboard
25 0313650 Nut
26 0552940 Screw, mounting This part replaces 0313699.
29 0314898 L'nut, stud, alt frt
30 0313822 Pin, link
31 0313819 Link, reverse lock
32 0313816 Spring, retainer
33 0313817 . spring, reverse lock
34 0314007 . cup, reverse lock spring
35 0313821 Rod, link to swivel
36 0302858 Cotter pin, shoulder bolt
37 0305181 Coupling, flange
38 0313838 Nut, bracket to steering arm
39 0315960 Stop link, starboard
40 0313878 Stop link, port
41 0313849 Screw, stop lin to stern brkt.
42 0313823 Spring, link
43 0382389 Arm shaft assy., std
43 0382386 Arm shaft assy., long
44 0340777 Cover, housing, rear This part replaces 0206006.
45 0206008 Cover, exh housing, front
46 0384372 Exhaust hag.,outer
46 0384364 Exhaust housing, outer, long
47 0301185 Stud
48 0133022 Screw
49 0305145 Grommet
50 0314024 Seal housing, outer
51 0306470 Lock washer
52 0552940 Screw, mounting This part replaces 0313699.
53 0306422 Nut
54 0329894 Screw This part replaces 0302510.
55 0302290 Washer
56 0386486 Mount bracket This part replaces 0313428.
57 0313784 Cover, mount bracker
58 0313785 Grommet
59 0314245 Screw
60 0313429 Nut, bracket to shaft
61 0314059 Seal, adapter to cover
62 0382387 Rubber mount
63 0313427 Thrust washer ,pivot shaft
64 0314246 Blushing
65 0384284 Bellcrank rod bushing assembly
66 0303715 Washer, rivet
67 0120255 Lockwasher
68 0306376 Cotter pin
69 0306470 Lock washer
70 0314898 L'nut, stud, alt frt
71 0382472 Rubber mount assembly
72 0313581 Bumber, mount screw
73 0321232 Retainer washer This part replaces 0313546.
74 0313580 Washer
75 0316324 Screw, robber mount
76 0313403 Adapter, exhaust housing
77 0306423 Bolt
78 0306470 Lock washer
79 0302290 Washer
80 0329894 Screw This part replaces 0302510.
81 0314076 Water tube, inlet
81 0314077 Water tube, inlet, long
82 0314078 Water tube, return
82 0314079 Water tube, return, long
83 0313401 Exhaust housing, inner
83 0313402 Exhaust housing, inner
84 0313764 Gasket, exhaust to adapter
85 0313582 Cover, check value
86 0313583 Check valve, cover
87 0313584 Spring
88 0306446 Screw, coupling to adapter

Returns Policy

All returns must be authorized. Items returned prior authorization will not be accepted.

Defective new equipment may be returned for warranty repair/exchange to us within five (5) days of the shipment receipt date.  After five (5) days, returns will be handled by direct contact and in accordance with the warranty terms of the item's manufacturer.  Items that have malfunctioned due to mishandling, electrical overload, etc., will be subject to a repair charge. 

Non-Defective new equipment will be authorized for return within five (5) days of the shipment receipt date if the equipment is still in new, re-sellable condition with the original manual(s), accessories, packing material and carton. We reserve the right to reject returns in which there is no original packaging, missing accessories, damage or visible signs of usage of the item.  A restocking fee of up to 25% of purchase price may apply.  Special orders and dangerous goods are non-returnable.

**There's a 20% Restocking Fee on All Returned Palmgren Products in Original Packaging

To get your RMA, simply call (800) 364-4637 for a return authorization number or email sales@palmerpower.com .

(Do not write anything on the manufacturer's original package or use as a shipping carton. Include all accessories, manuals and warranties.) Please include a copy of the packing list or invoice with a reason for the return. Your return authorization number is valid for thirty days.

To check the status of your return, please email us at sales@palmerpower.com. Please be sure to include your RMA number. For more information please check our FAQ page.

Shipping

We can ship to virtually any address in the world. Note that there are restrictions on some products, and some products cannot be shipped to international destinations.

When you place an order, we will estimate shipping and delivery dates for you based on the availability of your items and the shipping options you choose. Depending on the shipping provider you choose, shipping date estimates may appear on the shipping quotes page.

Please also note that the shipping rates for many items we sell are weight-based. The weight of any such item can be found on its detail page. To reflect the policies of the shipping companies we use, all weights will be rounded up to the next full pound.

Boat Services & Repairs in Houston

We will service your boat whether you bought it from us or not. Our award-winning boat service department has a full-time staff of seasoned, factory-certified technicians dedicated to ensuring that your boat runs well for years to come. Our team is trained to correctly diagnose issues, advise you of any developing problems, and address any unique service issues your boat may require. Whether you need complex engine work and repairs, canvas and upholstery, boat tune Up, electronics installation or repair, or boat detailing, our technicians will work quickly to keep you out of the shop and on the water. Not only does our service department provide the highest quality service, we also have a large parts department for the do-it-yourself types. Ask about our inventory of parts and aftermarket additions to make your own repairs or upgrades.

Learn More

boat repair service boat Sterndrive repair

Frequently Asked Questions

  • How do I request a quote?
    To request a quote for pricing on any Palmer Power's products, please see our request a quote page. Fill out and submit our quote form and one of our representatives will contact you when your quote is ready.
  • Do you have any Minimum Order Restriction?
    Palmer Power Does not have any Minimum Order Restriction.
  • Will my order be subject to sales tax?
    Estimated state sales tax will appear within your shopping cart for all shipments within the United states unless a signed official state tax exemption certificate is furnished to Palmer Power.
  • How do I check my Order Status?
    To check the status of an online order, email sales@palmerpower.com. Please be sure to include your order number.
  • How do I Return items?

    All returns must be authorized. Items returned prior authorization will not be accepted. International customers must ship any returns to us freight and duty prepaid. Return freight charges for International shipments will be the responsibility of the customer.

    Defective new equipment may be returned for warranty repair/exchange to us within five (5) days of the shipment receipt date. After five (5) days, returns will be handled by direct contact and in accordance with the warranty terms of the item's manufacturer. Items that have malfunctioned due to mishandling, electrical overload, etc., will be subject to a repair charge.

    Non-Defective new equipment will be authorized for return within five (5) days of the shipment receipt date if the equipment is still in new, re-sellable condition with the original manual(s), accessories, packing material and carton. We reserve the right to reject returns in which there is no original packaging, missing accessories, damage or visible signs of usage of the item. A restocking fee of up to 25% of purchase price may apply. Special orders and dangerous goods are non-returnable.

    (Do not write anything on the manufacturer's original package or use as a shipping carton. Include all accessories, manuals and warranties.) Please include a copy of the packing list or invoice with a reason for the return. Your return authorization number is valid for thirty days.

  • What payment options do I have?

    Palmer Power accepts a variety of payment options for your convenience. For prepayment, we accept all major credit cards (Visa, MasterCard, Discover and American Express), Purchase Orders, and international wire transfers. We also offer credit terms to existing customers.

Fast Delivery
Dealer Program
Secure Shopping
30-Day Free Returns