EVINRUDE-JOHNSON 327606 Anode | PalmerPower
close
close
click to zoom in
  • Guaranteed Fitment

    Always the correct part

  • In-House Experts

    We know our products

  • Boat Repair Service

    Diagnostics, Repairs, and Maintenance

  • Fast Delivery

EVINRUDE-JOHNSON 327606 Anode

Write a Review
$6.49
SKU:
327606-OMC
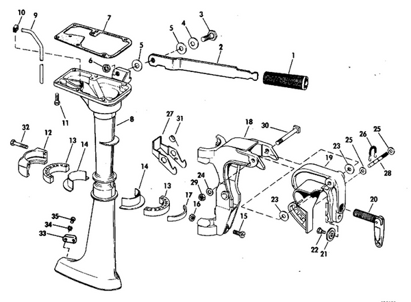
Schematic Object Key:
33

EVINRUDE-JOHNSON 327606 Anode

$6.49

Disclaimer: Please note that the items featured in the image (schematic diagram) are not sold as a bundled set. To facilitate your search, kindly refer to the schematic object key provided below in order to locate a specific item within the image.

EVINRUDE-JOHNSON 327606 Anode

Schematic Object Key : 33

Product Description: Anode

Category: JOHNSON / 1983 / 2 / J2RCTD 1983 / EXHAUST HOUSING

Disclaimer: Each item listed in the table below is available for individual purchase and is not sold as part of a package or set.

Parts List:

Key Part No. Product Name Additional_info
1 0115220 Grip handle, steering This part replaces 0313181.
2 0316469 Handle, steering
3 0312876 Screw, steering
4 0312874 Spring washer, strg. handle
5 0304376 Washer, handle to bracket
6 0309602 Lock nut, steering handle
7 0313494 Gasket cyl to exhaust hsg
8 0334636 Housing, exhaust This part replaces 0327605.
8 0334636 Housing, exhaust This part replaces 0327604.
9 0313951 Wataer tube, std.
10 0310258 Grommet, water tube
11 0300646 Screw, clamp, fuel filter
12 0314044 Retainer, pivot bearing
13 0334759 Vibration dampener, pivot bearing, upper lower This part replaces 0314046.
14 0314042 Bearing, pivot, upper lower
15 0314048 Screw, adj. friction brake
16 0313838 Nut, bracket to steering arm
17 0314047 Brake, friction
18 0332392 Swivel bracket This part replaces 0324654.
19 0398325 Stern bracket clamp screw assy. This part replaces 0391957.
20 0433675 Clamp scr. hand. assy. This part replaces 0388346.
20 0391428 Clamp scr. hand assy., stainless steel
21 0337017 Plate, swivel This part replaces 0307561.
22 0321922 Screw, shoulder
23 0314041 Washer
24 0306453 Lockwasher, fuel pump
25 0308090 Washer, tilt angle adj. rod
26 0314043 Spring, tilt handle adj. rod
27 0313952 Lever, reverse lock
28 0333515 Rod, tilt This part replaces 0313937.
29 0313838 Nut, bracket to steering arm
30 0332228 Tilting bolt This part replaces 0314040.
31 0314049 Spring, reverse lock
32 0306778 Ecrew,exhaust cover,1 3 8"long
33 0327606 Anode
34 0304454 Lock washer
35 0306644 Screw, rectifier mounting

Returns Policy

All returns must be authorized. Items returned prior authorization will not be accepted.

Defective new equipment may be returned for warranty repair/exchange to us within five (5) days of the shipment receipt date.  After five (5) days, returns will be handled by direct contact and in accordance with the warranty terms of the item's manufacturer.  Items that have malfunctioned due to mishandling, electrical overload, etc., will be subject to a repair charge. 

Non-Defective new equipment will be authorized for return within five (5) days of the shipment receipt date if the equipment is still in new, re-sellable condition with the original manual(s), accessories, packing material and carton. We reserve the right to reject returns in which there is no original packaging, missing accessories, damage or visible signs of usage of the item.  A restocking fee of up to 25% of purchase price may apply.  Special orders and dangerous goods are non-returnable.

**There's a 20% Restocking Fee on All Returned Palmgren Products in Original Packaging

To get your RMA, simply call (800) 364-4637 for a return authorization number or email sales@palmerpower.com .

(Do not write anything on the manufacturer's original package or use as a shipping carton. Include all accessories, manuals and warranties.) Please include a copy of the packing list or invoice with a reason for the return. Your return authorization number is valid for thirty days.

To check the status of your return, please email us at sales@palmerpower.com. Please be sure to include your RMA number. For more information please check our FAQ page.

Shipping

We can ship to virtually any address in the world. Note that there are restrictions on some products, and some products cannot be shipped to international destinations.

When you place an order, we will estimate shipping and delivery dates for you based on the availability of your items and the shipping options you choose. Depending on the shipping provider you choose, shipping date estimates may appear on the shipping quotes page.

Please also note that the shipping rates for many items we sell are weight-based. The weight of any such item can be found on its detail page. To reflect the policies of the shipping companies we use, all weights will be rounded up to the next full pound.

Boat Services & Repairs in Houston

We will service your boat whether you bought it from us or not. Our award-winning boat service department has a full-time staff of seasoned, factory-certified technicians dedicated to ensuring that your boat runs well for years to come. Our team is trained to correctly diagnose issues, advise you of any developing problems, and address any unique service issues your boat may require. Whether you need complex engine work and repairs, canvas and upholstery, boat tune Up, electronics installation or repair, or boat detailing, our technicians will work quickly to keep you out of the shop and on the water. Not only does our service department provide the highest quality service, we also have a large parts department for the do-it-yourself types. Ask about our inventory of parts and aftermarket additions to make your own repairs or upgrades.

Learn More

boat repair service boat Sterndrive repair

Frequently Asked Questions

  • How do I request a quote?
    To request a quote for pricing on any Palmer Power's products, please see our request a quote page. Fill out and submit our quote form and one of our representatives will contact you when your quote is ready.
  • Do you have any Minimum Order Restriction?
    Palmer Power Does not have any Minimum Order Restriction.
  • Will my order be subject to sales tax?
    Estimated state sales tax will appear within your shopping cart for all shipments within the United states unless a signed official state tax exemption certificate is furnished to Palmer Power.
  • How do I check my Order Status?
    To check the status of an online order, email sales@palmerpower.com. Please be sure to include your order number.
  • How do I Return items?

    All returns must be authorized. Items returned prior authorization will not be accepted. International customers must ship any returns to us freight and duty prepaid. Return freight charges for International shipments will be the responsibility of the customer.

    Defective new equipment may be returned for warranty repair/exchange to us within five (5) days of the shipment receipt date. After five (5) days, returns will be handled by direct contact and in accordance with the warranty terms of the item's manufacturer. Items that have malfunctioned due to mishandling, electrical overload, etc., will be subject to a repair charge.

    Non-Defective new equipment will be authorized for return within five (5) days of the shipment receipt date if the equipment is still in new, re-sellable condition with the original manual(s), accessories, packing material and carton. We reserve the right to reject returns in which there is no original packaging, missing accessories, damage or visible signs of usage of the item. A restocking fee of up to 25% of purchase price may apply. Special orders and dangerous goods are non-returnable.

    (Do not write anything on the manufacturer's original package or use as a shipping carton. Include all accessories, manuals and warranties.) Please include a copy of the packing list or invoice with a reason for the return. Your return authorization number is valid for thirty days.

  • What payment options do I have?

    Palmer Power accepts a variety of payment options for your convenience. For prepayment, we accept all major credit cards (Visa, MasterCard, Discover and American Express), Purchase Orders, and international wire transfers. We also offer credit terms to existing customers.

Fast Delivery
Dealer Program
Secure Shopping
30-Day Free Returns