EVINRUDE-JOHNSON 334762 Plug | PalmerPower
close
close
click to zoom in
  • Guaranteed Fitment

    Always the correct part

  • In-House Experts

    We know our products

  • Boat Repair Service

    Diagnostics, Repairs, and Maintenance

  • Fast Delivery

EVINRUDE-JOHNSON 334762 Plug

Write a Review
$6.49
SKU:
334762
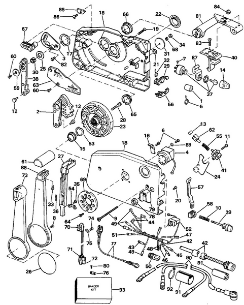
Schematic Object Key:
22

EVINRUDE-JOHNSON 334762 Plug

$6.49

Disclaimer: Please note that the items featured in the image (schematic diagram) are not sold as a bundled set. To facilitate your search, kindly refer to the schematic object key provided below in order to locate a specific item within the image.

EVINRUDE-JOHNSON 334762 Plug

Schematic Object Key : 22

Product Description: Plug

Category: EVINRUDE / 1989 / 45 / E45RCE 1989 / REMOTE CONTROL - ELECTRIC START

Disclaimer: Each item listed in the table below is available for individual purchase and is not sold as part of a package or set.

Parts List:

Key Part No. Product Name Additional_info
1 0324831 Cap
2 0390610 Shift lever assy.
3 0393219 Cam, shift lockout
4 0585992 Horn This part replaces 0583891.
5 0320107 Tie strap
6 0306643 Screw This part replaces 0324064.
7 0306559 Screw, ignition switch
8 0205042 Screw, switch to lever
9 0336245 Screw, single control, portside This part replaces 0326593.
10 0325790 Spring, friction adjusting screw
11 0324524 Screw, mounting bracket switch
12 0323776 Clevis pin, shift throttle lever
13 0321888 Roller, detent, shift thr. plate
14 0332179 Push knob key
15 0323764 Bushing, cam, hub cover
16 0323769 Retainer plate
17 0325780 Spring washer, cam to housing
18 0175946 Housing cover assy. This part replaces 0432719.
19 0308527 . screw, access cover to housing
20 0332200 Crew,. ground
21 0320978 Plug
22 0334762 Plug
23 0389266 Shaft throttle plate assy.
24 0323766 Mounting plate, neutral start switch
25 0321966 Spacer
26 0350143 Applique This part replaces 0327490.
27 0332428 Slide, neutral lock
28 0323775 Screw, handle
29 0323762 Grommet
30 0323757 Bushing, throttle lever
31 0318321 Washer, remote control to boat
32 0318322 Attache câble
33 0318324 Screw, cover mounting
34 0318349 Nut, mounting screw
35 0323772 Screw, plate
36 0323773 Spring, slide return
37 0393301 Switch key assembley
0322693 0322693 Ignition key blank
38 0394032 Throttle lever assy.
39 0391036 Knob friction adj. screw assy.
40 0331050 Latch, fast idle lever
41 0389265 Switch assy., neutral
42 0393129 Cable
43 0204036 10 ring termial,12v
44 0309437 Clip, drapeau
45 0204038 . . . ring terminal
46 0390760 . lead assy
47 0336846 Borne This part replaces 0608774.
48 0581656 Terminal, socket
49 0327166 Terminal, ring
50 0511990 Connector, 3 socket
51 0581959 . lead assy., ground
52 0393132 Emergecy ignition cut off switch assy.
53 0323765 Wave washer, shift thr. hub
54 0323771 Plate, slide control lever
55 0318625 Spring, detent
56 0323763 Grommet
57 0389267 Friction adjustment lever
58 0325191 Nut, friction lever
59 0318228 Washer, fast idle lever
60 0318277 Screw
61 0336241 Knob, handle This part replaces 0331049.
62 0321889 Shoe, detent, shift throttle plate
63 0322012 Separator, levers
64 0318277 Screw
65 0323749 Bushing, shift throttle plate
66 0325779 Bushing, fast idle lever
67 0325781 Lever, shift lockout
68 0306396 Lock washer, control to boat
69 0127152 Index plate, neutral lock This part replaces 0323759.
70 0395821 Switch lead assembly
71 0313113 Connecteur
72 0825886 Terminal
73 0336242 Cover, handle This part replaces 0329873.
74 0205042 Screw, switch to lever
75 0322389 Clamp
76 0316245 Clamp
77 0432230 Attache et cordon
78 0328169 Écrou, montage interrupteur
79 0328170 Guard
80 0305009 Screw
81 0396124 Fast idle lvr kit
82 0331428 Screw, fast idle lever
83 0331430 Screw, latch
84 0331429 Nut, fast idle lever
85 0330868 Keeper plate
86 0306643 Screw This part replaces 0324064.
87 0331048 Latch
88 0127055 Handle, remote control This part replaces 0327164.
89 0303701 Lock washer, adjustment screw
90 0584381 Battery cable This part replaces 0395390.
91 0512423 Sleeve
91 0327121 Grommet
92 0320107 Tie strap
93 0390795 Space kit, remote control mounting

Returns Policy

All returns must be authorized. Items returned prior authorization will not be accepted.

Defective new equipment may be returned for warranty repair/exchange to us within five (5) days of the shipment receipt date.  After five (5) days, returns will be handled by direct contact and in accordance with the warranty terms of the item's manufacturer.  Items that have malfunctioned due to mishandling, electrical overload, etc., will be subject to a repair charge. 

Non-Defective new equipment will be authorized for return within five (5) days of the shipment receipt date if the equipment is still in new, re-sellable condition with the original manual(s), accessories, packing material and carton. We reserve the right to reject returns in which there is no original packaging, missing accessories, damage or visible signs of usage of the item.  A restocking fee of up to 25% of purchase price may apply.  Special orders and dangerous goods are non-returnable.

**There's a 20% Restocking Fee on All Returned Palmgren Products in Original Packaging

To get your RMA, simply call (800) 364-4637 for a return authorization number or email sales@palmerpower.com .

(Do not write anything on the manufacturer's original package or use as a shipping carton. Include all accessories, manuals and warranties.) Please include a copy of the packing list or invoice with a reason for the return. Your return authorization number is valid for thirty days.

To check the status of your return, please email us at sales@palmerpower.com. Please be sure to include your RMA number. For more information please check our FAQ page.

Shipping

We can ship to virtually any address in the world. Note that there are restrictions on some products, and some products cannot be shipped to international destinations.

When you place an order, we will estimate shipping and delivery dates for you based on the availability of your items and the shipping options you choose. Depending on the shipping provider you choose, shipping date estimates may appear on the shipping quotes page.

Please also note that the shipping rates for many items we sell are weight-based. The weight of any such item can be found on its detail page. To reflect the policies of the shipping companies we use, all weights will be rounded up to the next full pound.

Boat Services & Repairs in Houston

We will service your boat whether you bought it from us or not. Our award-winning boat service department has a full-time staff of seasoned, factory-certified technicians dedicated to ensuring that your boat runs well for years to come. Our team is trained to correctly diagnose issues, advise you of any developing problems, and address any unique service issues your boat may require. Whether you need complex engine work and repairs, canvas and upholstery, boat tune Up, electronics installation or repair, or boat detailing, our technicians will work quickly to keep you out of the shop and on the water. Not only does our service department provide the highest quality service, we also have a large parts department for the do-it-yourself types. Ask about our inventory of parts and aftermarket additions to make your own repairs or upgrades.

Learn More

boat repair service boat Sterndrive repair

Frequently Asked Questions

  • How do I request a quote?
    To request a quote for pricing on any Palmer Power's products, please see our request a quote page. Fill out and submit our quote form and one of our representatives will contact you when your quote is ready.
  • Do you have any Minimum Order Restriction?
    Palmer Power Does not have any Minimum Order Restriction.
  • Will my order be subject to sales tax?
    Estimated state sales tax will appear within your shopping cart for all shipments within the United states unless a signed official state tax exemption certificate is furnished to Palmer Power.
  • How do I check my Order Status?
    To check the status of an online order, email sales@palmerpower.com. Please be sure to include your order number.
  • How do I Return items?

    All returns must be authorized. Items returned prior authorization will not be accepted. International customers must ship any returns to us freight and duty prepaid. Return freight charges for International shipments will be the responsibility of the customer.

    Defective new equipment may be returned for warranty repair/exchange to us within five (5) days of the shipment receipt date. After five (5) days, returns will be handled by direct contact and in accordance with the warranty terms of the item's manufacturer. Items that have malfunctioned due to mishandling, electrical overload, etc., will be subject to a repair charge.

    Non-Defective new equipment will be authorized for return within five (5) days of the shipment receipt date if the equipment is still in new, re-sellable condition with the original manual(s), accessories, packing material and carton. We reserve the right to reject returns in which there is no original packaging, missing accessories, damage or visible signs of usage of the item. A restocking fee of up to 25% of purchase price may apply. Special orders and dangerous goods are non-returnable.

    (Do not write anything on the manufacturer's original package or use as a shipping carton. Include all accessories, manuals and warranties.) Please include a copy of the packing list or invoice with a reason for the return. Your return authorization number is valid for thirty days.

  • What payment options do I have?

    Palmer Power accepts a variety of payment options for your convenience. For prepayment, we accept all major credit cards (Visa, MasterCard, Discover and American Express), Purchase Orders, and international wire transfers. We also offer credit terms to existing customers.

Fast Delivery
Dealer Program
Secure Shopping
30-Day Free Returns