EVINRUDE-JOHNSON 335136 Spool, Shuttle | PalmerPower
close
close
click to zoom in
  • Guaranteed Fitment

    Always the correct part

  • In-House Experts

    We know our products

  • Boat Repair Service

    Diagnostics, Repairs, and Maintenance

  • Fast Delivery

EVINRUDE-JOHNSON 335136 Spool, Shuttle

Write a Review
$58.99
SKU:
335136
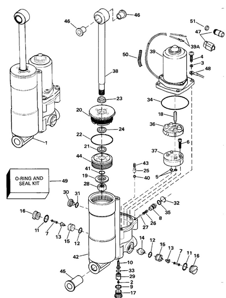
Schematic Object Key:
14

EVINRUDE-JOHNSON 335136 Spool, Shuttle

$58.99

Disclaimer: Please note that the items featured in the image (schematic diagram) are not sold as a bundled set. To facilitate your search, kindly refer to the schematic object key provided below in order to locate a specific item within the image.

EVINRUDE-JOHNSON 335136 Spool, Shuttle

Schematic Object Key : 14

Product Description: Spool, Shuttle

Category: EVINRUDE / 1992 / 40 / E40TELENJ 1992 / POWER TILT & TRIM

Disclaimer: Each item listed in the table below is available for individual purchase and is not sold as part of a package or set.

Parts List:

Key Part No. Product Name Additional_info
1 0438135 Hycraulic lift assy. This part replaces 0397532.
1 0438135 Hycraulic lift assy. This part replaces 0435531.
2 0160084 Ball
3 0302290 Washer
4 0320780 Screw, motor reservoir
5 0321357 O ring
6 0321942 Screw, oil pump to manifold, short
7 0333496 Spring, housing to poppet
8 0335128 Housing,valve
9 0335129 O ring, manifold to housing
10 0335131 Filter, reservoir
11 0335132 O ring, manifold to housing
12 0335133 O ring, valve seat
13 0335134 Poppet, check valve
14 0335136 Spool, shuttle
15 0335137 Seat, poppet valve
16 0335138 Plug, retainer
17 0335140 Plug, retainer
18 0335141 Drive coupling
19 0335142 Washer, piston to tilt rod
20 0435566 Cap assy. This part replaces 0433815.
21 0335148 Seal, tilt rod
22 0335149 O ring, end cap
23 0335154 Wiper
24 0335155 Ring, backup
25 0335156 Guide, ball
26 0335157 Spring
27 0335158 Needle
28 0335159 Nut, tilt rod
29 0335171 Valve seat
30 0335657 Fill plug
31 0335658 O ring, fill plug
32 0335659 Retaining ring, manual release
33 0335660 O ring, valve seat
34 0335661 Seal, manifold
35 0335662 O ring, piston pump
36 0335663 Filter, oil pump
37 0389836 Oil pump assy.
38 0433225 Rod eye assy.
39 0433226 Motor cable assembly
39 0437801 Motor cable assy. This part replaces 0435532.
39A 0511657 . . ring terminal
39A 0513667 Terminal
40 0800128 Ball
41 0335143 O ring, piston
42 0438135 Hycraulic lift assy. This part replaces 0434615.
43 0335153 Spring, relief valve
44 0433814 Piston assy.
45 0332434 Bushing, cylinder to bracket
46 0332436 Bushing, cylinder to bracket
47 0325698 Connector
47 0513664 Connector
48 0582499 Lead, bonding This part replaces 0583960.
49 0435567 O ring seal kit This part replaces 0433816.
50 0512259 Sleeve, motor cable sending unit
51 0513665 Plug

Returns Policy

All returns must be authorized. Items returned prior authorization will not be accepted.

Defective new equipment may be returned for warranty repair/exchange to us within five (5) days of the shipment receipt date.  After five (5) days, returns will be handled by direct contact and in accordance with the warranty terms of the item's manufacturer.  Items that have malfunctioned due to mishandling, electrical overload, etc., will be subject to a repair charge. 

Non-Defective new equipment will be authorized for return within five (5) days of the shipment receipt date if the equipment is still in new, re-sellable condition with the original manual(s), accessories, packing material and carton. We reserve the right to reject returns in which there is no original packaging, missing accessories, damage or visible signs of usage of the item.  A restocking fee of up to 25% of purchase price may apply.  Special orders and dangerous goods are non-returnable.

**There's a 20% Restocking Fee on All Returned Palmgren Products in Original Packaging

To get your RMA, simply call (800) 364-4637 for a return authorization number or email sales@palmerpower.com .

(Do not write anything on the manufacturer's original package or use as a shipping carton. Include all accessories, manuals and warranties.) Please include a copy of the packing list or invoice with a reason for the return. Your return authorization number is valid for thirty days.

To check the status of your return, please email us at sales@palmerpower.com. Please be sure to include your RMA number. For more information please check our FAQ page.

Shipping

We can ship to virtually any address in the world. Note that there are restrictions on some products, and some products cannot be shipped to international destinations.

When you place an order, we will estimate shipping and delivery dates for you based on the availability of your items and the shipping options you choose. Depending on the shipping provider you choose, shipping date estimates may appear on the shipping quotes page.

Please also note that the shipping rates for many items we sell are weight-based. The weight of any such item can be found on its detail page. To reflect the policies of the shipping companies we use, all weights will be rounded up to the next full pound.

Boat Services & Repairs in Houston

We will service your boat whether you bought it from us or not. Our award-winning boat service department has a full-time staff of seasoned, factory-certified technicians dedicated to ensuring that your boat runs well for years to come. Our team is trained to correctly diagnose issues, advise you of any developing problems, and address any unique service issues your boat may require. Whether you need complex engine work and repairs, canvas and upholstery, boat tune Up, electronics installation or repair, or boat detailing, our technicians will work quickly to keep you out of the shop and on the water. Not only does our service department provide the highest quality service, we also have a large parts department for the do-it-yourself types. Ask about our inventory of parts and aftermarket additions to make your own repairs or upgrades.

Learn More

boat repair service boat Sterndrive repair

Frequently Asked Questions

  • How do I request a quote?
    To request a quote for pricing on any Palmer Power's products, please see our request a quote page. Fill out and submit our quote form and one of our representatives will contact you when your quote is ready.
  • Do you have any Minimum Order Restriction?
    Palmer Power Does not have any Minimum Order Restriction.
  • Will my order be subject to sales tax?
    Estimated state sales tax will appear within your shopping cart for all shipments within the United states unless a signed official state tax exemption certificate is furnished to Palmer Power.
  • How do I check my Order Status?
    To check the status of an online order, email sales@palmerpower.com. Please be sure to include your order number.
  • How do I Return items?

    All returns must be authorized. Items returned prior authorization will not be accepted. International customers must ship any returns to us freight and duty prepaid. Return freight charges for International shipments will be the responsibility of the customer.

    Defective new equipment may be returned for warranty repair/exchange to us within five (5) days of the shipment receipt date. After five (5) days, returns will be handled by direct contact and in accordance with the warranty terms of the item's manufacturer. Items that have malfunctioned due to mishandling, electrical overload, etc., will be subject to a repair charge.

    Non-Defective new equipment will be authorized for return within five (5) days of the shipment receipt date if the equipment is still in new, re-sellable condition with the original manual(s), accessories, packing material and carton. We reserve the right to reject returns in which there is no original packaging, missing accessories, damage or visible signs of usage of the item. A restocking fee of up to 25% of purchase price may apply. Special orders and dangerous goods are non-returnable.

    (Do not write anything on the manufacturer's original package or use as a shipping carton. Include all accessories, manuals and warranties.) Please include a copy of the packing list or invoice with a reason for the return. Your return authorization number is valid for thirty days.

  • What payment options do I have?

    Palmer Power accepts a variety of payment options for your convenience. For prepayment, we accept all major credit cards (Visa, MasterCard, Discover and American Express), Purchase Orders, and international wire transfers. We also offer credit terms to existing customers.

Fast Delivery
Dealer Program
Secure Shopping
30-Day Free Returns