EVINRUDE-JOHNSON 338657 Link, Shallow Water Drive | PalmerPower
close
close
click to zoom in
  • Guaranteed Fitment

    Always the correct part

  • In-House Experts

    We know our products

  • Boat Repair Service

    Diagnostics, Repairs, and Maintenance

  • Fast Delivery

EVINRUDE-JOHNSON 338657 Link, Shallow Water Drive

Write a Review
$43.99
SKU:
338657
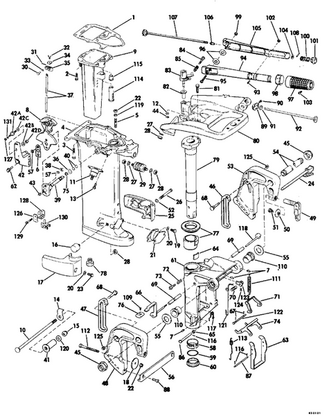
Schematic Object Key:
63

EVINRUDE-JOHNSON 338657 Link, Shallow Water Drive

$43.99

Disclaimer: Please note that the items featured in the image (schematic diagram) are not sold as a bundled set. To facilitate your search, kindly refer to the schematic object key provided below in order to locate a specific item within the image.

EVINRUDE-JOHNSON 338657 Link, Shallow Water Drive

Schematic Object Key : 63

Replacement: This part (338657) replaces 0320426.

Product Description: Link, Shallow Water Drive

Category: JOHNSON / 1983 / 35 / J35ECTS 1983 / EXHAUST HOUSING - 35

Disclaimer: Each item listed in the table below is available for individual purchase and is not sold as part of a package or set.

Parts List:

Key Part No. Product Name Additional_info
1 0330621 Gasket, powerhead base This part replaces 0324332.
2 0308743 Screw, injector to manifold This part replaces 0320179.
3 0324871 Screw, housing to cylinder
4 0436192 Exhaust housing assy 15" This part replaces 0392944.
4 0395155 Exhaust housing assy. long This part replaces 0392945.
5 0324815 Stud This part replaces 0320152.
6 0327163 Spacer, shift lever
7 0313607 Lube fitting
8 0396741 Actuator cam, shift This part replaces 0325582.
9 0324333 Exhaust tube, inner
10 0325018 Bolt, tilting shaft
11 0303879 Mount rubber, upper side, std. only
11 0325974 Mount, rubber, upper
12 0303887 Washeer, pin to swivel bracket
13 0329217 Screw, retainer This part replaces 0310259.
14 0325017 Nut, tilt lock pin
15 0314898 L'nut, stud, alt frt
16 0321470 Mount, rubber, lower side
16 0325975 Mount, rubber, lower
17 0323109 Houising,lower mount,stbd.
18 0315776 Rondelle
19 0330437 Screw This part replaces 0303888.
20 0303886 Lockwasher
21 0321469 Mount, rubber, lower front
22 0327969 Ecrou de blocage
23 0309942 Screw, anchor bracket
24 0436387 Tilt pin This part replaces 0391271.
25 0323108 Housing, lower mount port
26 0342540 Screw, exhaust housing to ext. This part replaces 0316440.
27 0303884 Washer
28 0303889 .nut
29 0304800 Mount, rubber, upper front
30 0319541 Pin, bellcrank to shift rod
31 0305650 Cotter pin
32 0321532 Screw
33 0304380 , bow
34 0319537 Clip
35 0322092 Lever, shift rod
36 0303775 Wahser, lever to hsg
37 0325540 Shift rod, upper
37 0325541 Shift rod, upper
38 0203688 Nut
39 0394574 Adj. lever shaft assy This part replaces 0390252.
40 0303191 "o" ring, lever shaft
41 0325914 Bushing, stern bracket
42 0325358 Shift lever
42 0392563 Shift lever assy.
42A 0327675 Bolt, double ended
42B 0327725 Washer, bolt to shift lever
42C 0328266 Washer, bolt to shift lever
42D 0313022 Locknut, double ended bolt
43 0327945 Fitting, lube
44 0314408 . .ring, tru arc
45 0323599 Locknut This part replaces 0316828.
46 0437876 Lock assembly, tilt port This part replaces 0387667.
47 0437875 Lock assembly, tilt starboard This part replaces 0387668.
48 0391943 Stern brkt. assy., stbd use on one of p n 342536 one of p n 433675
49 0433675 Clamp scr. hand. assy. This part replaces 0388347.
49 0391421 Clamp screw handle
50 0337017 Plate, swivel This part replaces 0307561.
51 0321922 Screw, shoulder
52 0304144 Lock washer
53 0391942 Stern brkt. at., port includes items 49, 51 use on one of p n 342535 one of p n 433675
54 0351896 Tilt tube This part replaces 0321511.
55 0319699 Thrust washer, stern bracket
56 0357240 Tie bar, stern bracket This part replaces 0319709.
57 0328701 Lockwasher, double ended bolt This part replaces 0303480.
58 0309967 Bushing, pilot shaft, lower
59 0301917 O ring
60 0309966 Thrust washer, lower swivel bracket
61 0323158 Bracket, rubber, lower side
62 0328230 Screw, shift lever
63 0338657 Link, shallow water drive This part replaces 0320426.
64 0397736 Block assy., friction This part replaces 0319086.
65 0303887 Washeer, pin to swivel bracket
66 0388662 Leveer shaft, lock
67 0305650 Cotter pin
68 0319692 Pin tilt lock
69 0319693 Bushing, tilt lock
70 0319694 Spring, tilt lock
71 0322950 Lever, reverse lock
72 0551113 Ressort de friction de direction
73 0321531 Screw, friction adjust. swivel brkt.
74 0322949 Link, reverse lock
75 0315786 Retainer, knob
76 0328048 Knob, tilt reverse lock lever
77 0397736 Block assy., friction This part replaces 0388748.
78 0326071 Bumper, mount housing
79 0326315 Pilot shaft electric models use 394342 rope models use 394343
80 0326044 Bracket, steering
80 0326045 Bracket, steering
81 0317624 Screw, driveshaft hsg
82 0303854 Bushi ng, throttle control
83 0393943 Gear, throttle control This part replaces 0387634.
84 0304573 Scr., idle adj.
85 0552368 Spring, idle adj. screw
86 0322947 Head assy.
87 0322945 Pin, link shallow water drive
88 0324579 Screw
89 0303142 Pinion, control throttle
90 0303951 Screw, pin to shaft
91 0305347 Bushing, throttle shaft
92 0387057 Gear shaft, short
0391273 0391273 Steering handle assy.
93 0133452 Screw
94 0322933 Handle ,sterring,inner half
95 0330976 Screw, handle halves This part replaces 0303078.
96 0303079 Washer
97 0393556 Grip sleeve assy.
98 0319215 Plate
99 0328742 Nut This part replaces 0306338.
100 0301656 Spring
101 0303282 Block
102 0133079 Nut
103 0310303 1
104 0303252 Wahser, grip spring
105 0322932 Handle, outer half
106 0325074 Bushing
107 0390676 Gear shaft, long
109 0319227 Screw, knob
110 0319787 Bushing
111 0315078 Spring, reverse lock
113 0319697 Spring reverse lock
114 0321513 Guide, water tube
115 0302497 Grommet, lower water tube
116 0303049 Cotter pin
117 0322946 Spring, shallow water drive
118 0388661 Cam shift assy., tilt lock
120 0604174 Washer, tilt bolt
121 0319696 Rod, reverse lock
122 0326943 Pin, link to lock lever
123 0319695 Bell crank
124 0319108 Screw belcrank
125 0313838 Nut, bracket to steering arm
0393220 0393220 Remote control adapter kit
126 0328059 Clamp, cable to trunnion
127 0328064 Nut
128 0310685 Abchor blcok, trunnion
129 0310686 Screw

Returns Policy

All returns must be authorized. Items returned prior authorization will not be accepted.

Defective new equipment may be returned for warranty repair/exchange to us within five (5) days of the shipment receipt date.  After five (5) days, returns will be handled by direct contact and in accordance with the warranty terms of the item's manufacturer.  Items that have malfunctioned due to mishandling, electrical overload, etc., will be subject to a repair charge. 

Non-Defective new equipment will be authorized for return within five (5) days of the shipment receipt date if the equipment is still in new, re-sellable condition with the original manual(s), accessories, packing material and carton. We reserve the right to reject returns in which there is no original packaging, missing accessories, damage or visible signs of usage of the item.  A restocking fee of up to 25% of purchase price may apply.  Special orders and dangerous goods are non-returnable.

**There's a 20% Restocking Fee on All Returned Palmgren Products in Original Packaging

To get your RMA, simply call (800) 364-4637 for a return authorization number or email sales@palmerpower.com .

(Do not write anything on the manufacturer's original package or use as a shipping carton. Include all accessories, manuals and warranties.) Please include a copy of the packing list or invoice with a reason for the return. Your return authorization number is valid for thirty days.

To check the status of your return, please email us at sales@palmerpower.com. Please be sure to include your RMA number. For more information please check our FAQ page.

Shipping

We can ship to virtually any address in the world. Note that there are restrictions on some products, and some products cannot be shipped to international destinations.

When you place an order, we will estimate shipping and delivery dates for you based on the availability of your items and the shipping options you choose. Depending on the shipping provider you choose, shipping date estimates may appear on the shipping quotes page.

Please also note that the shipping rates for many items we sell are weight-based. The weight of any such item can be found on its detail page. To reflect the policies of the shipping companies we use, all weights will be rounded up to the next full pound.

Boat Services & Repairs in Houston

We will service your boat whether you bought it from us or not. Our award-winning boat service department has a full-time staff of seasoned, factory-certified technicians dedicated to ensuring that your boat runs well for years to come. Our team is trained to correctly diagnose issues, advise you of any developing problems, and address any unique service issues your boat may require. Whether you need complex engine work and repairs, canvas and upholstery, boat tune Up, electronics installation or repair, or boat detailing, our technicians will work quickly to keep you out of the shop and on the water. Not only does our service department provide the highest quality service, we also have a large parts department for the do-it-yourself types. Ask about our inventory of parts and aftermarket additions to make your own repairs or upgrades.

Learn More

boat repair service boat Sterndrive repair

Frequently Asked Questions

  • How do I request a quote?
    To request a quote for pricing on any Palmer Power's products, please see our request a quote page. Fill out and submit our quote form and one of our representatives will contact you when your quote is ready.
  • Do you have any Minimum Order Restriction?
    Palmer Power Does not have any Minimum Order Restriction.
  • Will my order be subject to sales tax?
    Estimated state sales tax will appear within your shopping cart for all shipments within the United states unless a signed official state tax exemption certificate is furnished to Palmer Power.
  • How do I check my Order Status?
    To check the status of an online order, email sales@palmerpower.com. Please be sure to include your order number.
  • How do I Return items?

    All returns must be authorized. Items returned prior authorization will not be accepted. International customers must ship any returns to us freight and duty prepaid. Return freight charges for International shipments will be the responsibility of the customer.

    Defective new equipment may be returned for warranty repair/exchange to us within five (5) days of the shipment receipt date. After five (5) days, returns will be handled by direct contact and in accordance with the warranty terms of the item's manufacturer. Items that have malfunctioned due to mishandling, electrical overload, etc., will be subject to a repair charge.

    Non-Defective new equipment will be authorized for return within five (5) days of the shipment receipt date if the equipment is still in new, re-sellable condition with the original manual(s), accessories, packing material and carton. We reserve the right to reject returns in which there is no original packaging, missing accessories, damage or visible signs of usage of the item. A restocking fee of up to 25% of purchase price may apply. Special orders and dangerous goods are non-returnable.

    (Do not write anything on the manufacturer's original package or use as a shipping carton. Include all accessories, manuals and warranties.) Please include a copy of the packing list or invoice with a reason for the return. Your return authorization number is valid for thirty days.

  • What payment options do I have?

    Palmer Power accepts a variety of payment options for your convenience. For prepayment, we accept all major credit cards (Visa, MasterCard, Discover and American Express), Purchase Orders, and international wire transfers. We also offer credit terms to existing customers.

Fast Delivery
Dealer Program
Secure Shopping
30-Day Free Returns