EVINRUDE-JOHNSON 5032407 Jet, Pilot (38.8) | (25 Models Only.) | PalmerPower
close
close
click to zoom in
  • Guaranteed Fitment

    Always the correct part

  • In-House Experts

    We know our products

  • Boat Repair Service

    Diagnostics, Repairs, and Maintenance

  • Fast Delivery

EVINRUDE-JOHNSON 5032407 Jet, Pilot (38.8) | (25 Models Only.)

Write a Review
$17.49
SKU:
5032407
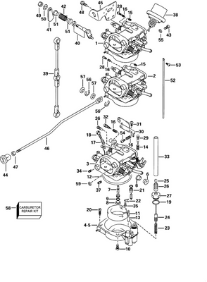
Schematic Object Key:
36

EVINRUDE-JOHNSON 5032407 Jet, Pilot (38.8) | (25 Models Only.)

$17.49

Disclaimer: Please note that the items featured in the image (schematic diagram) are not sold as a bundled set. To facilitate your search, kindly refer to the schematic object key provided below in order to locate a specific item within the image.

EVINRUDE-JOHNSON 5032407 Jet, Pilot (38.8) | (25 Models Only.)

Schematic Object Key : 36

Product Description: Jet, Pilot (38.8) | (25 Models Only.)

Category: EVINRUDE / 2001 / 30 / E30TEL4SIC 4-Stroke, Elec. Start, Tiller, 20 IN. shaft 2001 / CARBURETOR

Disclaimer: Each item listed in the table below is available for individual purchase and is not sold as part of a package or set.

Parts List:

Key Part No. Product Name Additional_info
1 5031964 Carburetor assy, top 25 models only.
1 5032201 Carburetor assy, top 30 models only.
2 5031965 Carburetor assy, 2nd 25 models only.
2 5032202 Carburetor assy, 2nd 30 models only.
3 5031966 Carburetor assy, 3rd 25 models only.
3 5032203 Carburetor assy, 3rd 30 models only.
4 5032373 Chamber, float 1 2
5 5032374 Chamber, float 3
6 5032375 Bushing
7 5032376 Nozzle, main 25 models only.
7 5032377 Nozzle, main 30 models only.
8 5032378 Plug
9 5032379 O ring
10 5032380 Screw
11 5032381 Float
12 5032382 Gasket, float chamber
13 5030168 Pin
14 5030169 Spring This part replaces 5032384.
15 5030170 Spring
16 5030170 Spring This part replaces 5032386.
17 5032387 Spring 3
18 5032388 Screw 3
19 5032389 O ring
20 5032390 Adjuster
21 5032391 Valve assy, needle
22 5032392 Plate
23 5032393 Spring
24 5032394 Plunger
25 5032395 Cap
26 5032396 Cap
27 5032397 Guide, holder
28 5032398 Screw 1 2
29 5030174 Screw
30 5032400 Bracket
31 5032401 Screw
32 5032402 Adjuster
33 *HOSE, Upper, middle, 5" (125mm) | (Cut to Length from P/N 5032403.)
33 *HOSE, Lower, 8-3/4" (225mm) | (Cut to Length from P/N 5032403.)
34 5032405 Jet, main air 0.7
35 5032406 Screw
36 5032407 Jet, pilot 38.8 25 models only.
36 5032408 Jet, pilot 40 30 models only.
37 5032409 Jet, main 135 25 models only.
37 5032410 Jet, main 110 30 models only.
38 5031967 Dash pot assy 25 models only.
38 5031967 Dash pot assy 30 models only. This part replaces 5032307.
39 5031968 Rod, throttle
40 5032404 Shaft assy
41 5032411 Lever
42 5032412 Spring
43 5032413 Screw
44 5031969 Knob, starter
45 5032279 Protector, carburetor
46 5032414 Rod, choke
47 5030415 Nut
48 5030988 Bolt, rectifier regula
49 5032415 Nut
50 5030068 Rondelle This part replaces 5032416.
51 5032375 Bushing
52 5032418 Cable
53 5032419 Screw
54 5032420 Screw
55 5032421 Washer
56 5032422 E ring, retainer
57 5032423 Washer
58 5032424 Carburetor repair kit
59 5032695 Shim

Returns Policy

All returns must be authorized. Items returned prior authorization will not be accepted.

Defective new equipment may be returned for warranty repair/exchange to us within five (5) days of the shipment receipt date.  After five (5) days, returns will be handled by direct contact and in accordance with the warranty terms of the item's manufacturer.  Items that have malfunctioned due to mishandling, electrical overload, etc., will be subject to a repair charge. 

Non-Defective new equipment will be authorized for return within five (5) days of the shipment receipt date if the equipment is still in new, re-sellable condition with the original manual(s), accessories, packing material and carton. We reserve the right to reject returns in which there is no original packaging, missing accessories, damage or visible signs of usage of the item.  A restocking fee of up to 25% of purchase price may apply.  Special orders and dangerous goods are non-returnable.

**There's a 20% Restocking Fee on All Returned Palmgren Products in Original Packaging

To get your RMA, simply call (800) 364-4637 for a return authorization number or email sales@palmerpower.com .

(Do not write anything on the manufacturer's original package or use as a shipping carton. Include all accessories, manuals and warranties.) Please include a copy of the packing list or invoice with a reason for the return. Your return authorization number is valid for thirty days.

To check the status of your return, please email us at sales@palmerpower.com. Please be sure to include your RMA number. For more information please check our FAQ page.

Shipping

We can ship to virtually any address in the world. Note that there are restrictions on some products, and some products cannot be shipped to international destinations.

When you place an order, we will estimate shipping and delivery dates for you based on the availability of your items and the shipping options you choose. Depending on the shipping provider you choose, shipping date estimates may appear on the shipping quotes page.

Please also note that the shipping rates for many items we sell are weight-based. The weight of any such item can be found on its detail page. To reflect the policies of the shipping companies we use, all weights will be rounded up to the next full pound.

Boat Services & Repairs in Houston

We will service your boat whether you bought it from us or not. Our award-winning boat service department has a full-time staff of seasoned, factory-certified technicians dedicated to ensuring that your boat runs well for years to come. Our team is trained to correctly diagnose issues, advise you of any developing problems, and address any unique service issues your boat may require. Whether you need complex engine work and repairs, canvas and upholstery, boat tune Up, electronics installation or repair, or boat detailing, our technicians will work quickly to keep you out of the shop and on the water. Not only does our service department provide the highest quality service, we also have a large parts department for the do-it-yourself types. Ask about our inventory of parts and aftermarket additions to make your own repairs or upgrades.

Learn More

boat repair service boat Sterndrive repair

Frequently Asked Questions

  • How do I request a quote?
    To request a quote for pricing on any Palmer Power's products, please see our request a quote page. Fill out and submit our quote form and one of our representatives will contact you when your quote is ready.
  • Do you have any Minimum Order Restriction?
    Palmer Power Does not have any Minimum Order Restriction.
  • Will my order be subject to sales tax?
    Estimated state sales tax will appear within your shopping cart for all shipments within the United states unless a signed official state tax exemption certificate is furnished to Palmer Power.
  • How do I check my Order Status?
    To check the status of an online order, email sales@palmerpower.com. Please be sure to include your order number.
  • How do I Return items?

    All returns must be authorized. Items returned prior authorization will not be accepted. International customers must ship any returns to us freight and duty prepaid. Return freight charges for International shipments will be the responsibility of the customer.

    Defective new equipment may be returned for warranty repair/exchange to us within five (5) days of the shipment receipt date. After five (5) days, returns will be handled by direct contact and in accordance with the warranty terms of the item's manufacturer. Items that have malfunctioned due to mishandling, electrical overload, etc., will be subject to a repair charge.

    Non-Defective new equipment will be authorized for return within five (5) days of the shipment receipt date if the equipment is still in new, re-sellable condition with the original manual(s), accessories, packing material and carton. We reserve the right to reject returns in which there is no original packaging, missing accessories, damage or visible signs of usage of the item. A restocking fee of up to 25% of purchase price may apply. Special orders and dangerous goods are non-returnable.

    (Do not write anything on the manufacturer's original package or use as a shipping carton. Include all accessories, manuals and warranties.) Please include a copy of the packing list or invoice with a reason for the return. Your return authorization number is valid for thirty days.

  • What payment options do I have?

    Palmer Power accepts a variety of payment options for your convenience. For prepayment, we accept all major credit cards (Visa, MasterCard, Discover and American Express), Purchase Orders, and international wire transfers. We also offer credit terms to existing customers.

Fast Delivery
Dealer Program
Secure Shopping
30-Day Free Returns