KOHLER 25 326 03-S Connector use 25 326 03-s | PalmerPower
close
close
click to zoom in
  • Guaranteed Fitment

    Always the correct part

  • In-House Experts

    We know our products

  • Boat Repair Service

    Diagnostics, Repairs, and Maintenance

  • Fast Delivery

KOHLER 25-326-03-S Connector use 25 326 03-s

Write a Review
$2.96
SKU:
25-326-03-S
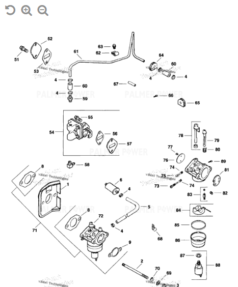
Schematic Object Key:
59

KOHLER 25-326-03-S Connector use 25 326 03-s

$2.96

Disclaimer: Please note that the items featured in the image (schematic diagram) are not sold as a bundled set. To facilitate your search, kindly refer to the schematic object key provided below in order to locate a specific item within the image.

KOHLER 25 326 03-S Connector use 25 326 03-s

Schematic Object Key : 59

Product Description : Connector use 25 326 03-s

Product Category : Kohler Engines/ COMMAND PRO SINGLE-CV (CV11-CV16,CV173-CV224,CV430-493)/ CV13/ CV13-21515 HAKO WERKE/ 404 Cylinderhead/Breather

Disclaimer : Each item listed in the table below is available for individual purchase and is not sold as part of a package or set.

Other Components :

Key Name SKU
1 Deflector - use 12 265 04 12 265 08-S
2 Stud, carburetor m6x1.0x122.8 M-0629122
3 Nut, hex. flange m6x1.0 SM-0641060
4 Clamp, hose 1/2" use 25 237 14-s 25 237 31-S
5 Line - discontinued 25 353 02-S
6 Use 25 050 07-s filter, fuel 25 050 07-S
8 Gasket, carburetor 12 041 01-S
9 Gasket, air cleaner base 12 041 02-S
54 Kit use 12 559 02-s includes 55-57. 12 559 02-S
55 Screw - use m-645020 M-0645020
56 Use 25 041 10-s fuel pump gskt 25 041 10-S
57 Spacer, fuel pump 12 112 05-S
58 Connector, 90 deg. hose 25 155 02-S
59 Connector use 25 326 03-s 25 326 03-S
60 Line - discontinued 12 353 01-S
61 Kit - use 12 755 67 12 755 67-S
62 Clip, tube & wiring (km) 12 154 01-S
63 Screw - use m-545010 M-545010-S
64 Grommet - discontinued 12 313 01-S
1275701-S Kit, carburetor repair (gravity feed) not illustrated. includes carburetor gasket, air filter base gasket, fuel bowl gasket, bowl screw gasket, welch plug, inlet needle valve, valve inlet seat, solenoid seal 12 757 01-S
1275703-S Kit, repair carb (pump feed) (walbro) not illustrated. includes carburetor gasket, air filter base gasket, fuel bowl gasket, bowl screw gasket, welch plug, inlet needle valve, valve inlet seat, solenoid seal 12 757 03-S
1275509 Kit - use 12 755 68 not illustrated. includes carburetor gasket, air filter base gasket, fuel bowl gasket, bowl screw gasket, main jet 12 755 68-S
1275536-S Kit use 12 755 68-s not illustrated. includes carburetor gasket, air filter base gasket, fuel bowl gasket, bowl screw gasket, main jet 12 755 68-S
1275708-S Kit, choke repair not illustrated. includes choke lever, choke shaft assembly, choke plate, choke bushing, choke lever cap, valve screw 12 757 08-S
1275711-S Kit, choke repair not illustrated. includes choke lever, choke shaft assembly, choke plate, choke bushing, choke lever cap, valve screw 12 757 11-S
1275713-S Kit, choke repair not illustrated. includes choke lever, choke shaft assembly, choke plate, choke bushing, choke lever cap, valve screw 12 757 13-S

Returns Policy

All returns must be authorized. Items returned prior authorization will not be accepted.

Defective new equipment may be returned for warranty repair/exchange to us within five (5) days of the shipment receipt date.  After five (5) days, returns will be handled by direct contact and in accordance with the warranty terms of the item's manufacturer.  Items that have malfunctioned due to mishandling, electrical overload, etc., will be subject to a repair charge. 

Non-Defective new equipment will be authorized for return within five (5) days of the shipment receipt date if the equipment is still in new, re-sellable condition with the original manual(s), accessories, packing material and carton. We reserve the right to reject returns in which there is no original packaging, missing accessories, damage or visible signs of usage of the item.  A restocking fee of up to 25% of purchase price may apply.  Special orders and dangerous goods are non-returnable.

**There's a 20% Restocking Fee on All Returned Palmgren Products in Original Packaging

To get your RMA, simply call (800) 364-4637 for a return authorization number or email sales@palmerpower.com .

(Do not write anything on the manufacturer's original package or use as a shipping carton. Include all accessories, manuals and warranties.) Please include a copy of the packing list or invoice with a reason for the return. Your return authorization number is valid for thirty days.

To check the status of your return, please email us at sales@palmerpower.com. Please be sure to include your RMA number. For more information please check our FAQ page.

Shipping

We can ship to virtually any address in the world. Note that there are restrictions on some products, and some products cannot be shipped to international destinations.

When you place an order, we will estimate shipping and delivery dates for you based on the availability of your items and the shipping options you choose. Depending on the shipping provider you choose, shipping date estimates may appear on the shipping quotes page.

Please also note that the shipping rates for many items we sell are weight-based. The weight of any such item can be found on its detail page. To reflect the policies of the shipping companies we use, all weights will be rounded up to the next full pound.

Boat Services & Repairs in Houston

We will service your boat whether you bought it from us or not. Our award-winning boat service department has a full-time staff of seasoned, factory-certified technicians dedicated to ensuring that your boat runs well for years to come. Our team is trained to correctly diagnose issues, advise you of any developing problems, and address any unique service issues your boat may require. Whether you need complex engine work and repairs, canvas and upholstery, boat tune Up, electronics installation or repair, or boat detailing, our technicians will work quickly to keep you out of the shop and on the water. Not only does our service department provide the highest quality service, we also have a large parts department for the do-it-yourself types. Ask about our inventory of parts and aftermarket additions to make your own repairs or upgrades.

Learn More

boat repair service boat Sterndrive repair

Frequently Asked Questions

  • How do I request a quote?
    To request a quote for pricing on any Palmer Power's products, please see our request a quote page. Fill out and submit our quote form and one of our representatives will contact you when your quote is ready.
  • Do you have any Minimum Order Restriction?
    Palmer Power Does not have any Minimum Order Restriction.
  • Will my order be subject to sales tax?
    Estimated state sales tax will appear within your shopping cart for all shipments within the United states unless a signed official state tax exemption certificate is furnished to Palmer Power.
  • How do I check my Order Status?
    To check the status of an online order, email sales@palmerpower.com. Please be sure to include your order number.
  • How do I Return items?

    All returns must be authorized. Items returned prior authorization will not be accepted. International customers must ship any returns to us freight and duty prepaid. Return freight charges for International shipments will be the responsibility of the customer.

    Defective new equipment may be returned for warranty repair/exchange to us within five (5) days of the shipment receipt date. After five (5) days, returns will be handled by direct contact and in accordance with the warranty terms of the item's manufacturer. Items that have malfunctioned due to mishandling, electrical overload, etc., will be subject to a repair charge.

    Non-Defective new equipment will be authorized for return within five (5) days of the shipment receipt date if the equipment is still in new, re-sellable condition with the original manual(s), accessories, packing material and carton. We reserve the right to reject returns in which there is no original packaging, missing accessories, damage or visible signs of usage of the item. A restocking fee of up to 25% of purchase price may apply. Special orders and dangerous goods are non-returnable.

    (Do not write anything on the manufacturer's original package or use as a shipping carton. Include all accessories, manuals and warranties.) Please include a copy of the packing list or invoice with a reason for the return. Your return authorization number is valid for thirty days.

  • What payment options do I have?

    Palmer Power accepts a variety of payment options for your convenience. For prepayment, we accept all major credit cards (Visa, MasterCard, Discover and American Express), Purchase Orders, and international wire transfers. We also offer credit terms to existing customers.

Fast Delivery
Dealer Program
Secure Shopping
30-Day Free Returns