KOHLER 37 211 02-S Boldt m6x220 | PalmerPower
close
close
click to zoom in
  • Guaranteed Fitment

    Always the correct part

  • In-House Experts

    We know our products

  • Boat Repair Service

    Diagnostics, Repairs, and Maintenance

  • Fast Delivery

KOHLER 37-211-02-S Boldt m6x220

Write a Review
$16.00
SKU:
37-211-02-S
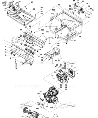
Schematic Object Key:
48

KOHLER 37-211-02-S Boldt m6x220

$16.00

Disclaimer: Please note that the items featured in the image (schematic diagram) are not sold as a bundled set. To facilitate your search, kindly refer to the schematic object key provided below in order to locate a specific item within the image.

KOHLER 37 211 02-S Boldt m6x220

Schematic Object Key : 48

Product Description : Boldt m6x220

Product Category : Kohler Engines/ KOHLER PORTABLES/ PRO 7.5 E/ PRO75E-2001 KOHLER GENERATOR DIVISION/ 10607 Cylinderhead/Breather

Disclaimer : Each item listed in the table below is available for individual purchase and is not sold as part of a package or set.

Other Components :

Key Name SKU
1 Panel (pro7.5e) 37 376 05-S
2 Screw, bolt gb5789-m6x12 25 086 577-S
3 Screw, m3x6 25 086 578-S
4 Switch 37 099 03-S
5 Switch 37 099 04-S
7 Screw m4x12 25 086 588-S
8 Nut 37 100 02-S
9 Washer, spring gasket 6 37 468 04-S
10 Washer, plate gasket 6 37 468 03-S
11 Nut 37 100 04-S
12 Screw, bolt m6x25 25 086 580-S
13 Receptacle, dc socket 12v8.3a 37 400 06-S
14 Receptacle, gfci 20a/125v nema 5-20or 37 400 01-S
15 Breaker, circuit dc 8a 37 220 05-S
16 Breaker, circuit 20a 37 220 02-S
17 Receptacle, nema l5-30r socket 37 400 02-S
19 Nut 37 100 03-S
20 Receptacle, nema l14-30r 4p socket 37 400 03-S
21 Meter, maintenance minder 37 362 01-S
22 30a circuit breaker (for pro7.5/7.5e) 37 220 07-S
23 Moduld, idle control 37 584 02-S
24 Nut 37 100 09-S
25 Screw m5x16-gb818 25 086 595-S
26 Cover 37 096 02-S
27 Screw m5x45 25 086 594-S
28 Grommet 16mm 37 313 01-S
29 Grommet, power cord sheath 37 313 02-S
30 Sleeve braided sleeve 1 37 431 01-S
31 Screw, bolt m6x12 25 086 573-S
32 Bracket, battery 37 126 02-S
33 Screw, bolt m8x40 25 086 597-S
34 Kit, battery rack 12v18ah 37 785 01-S
35 Damper - damping strip 37 263 02-S
36 Nut 37 100 08-S
37 Support, battery mounting assembly 37 161 01-S
38 Ch440 e3 kpp for engine parts search by engine spec CH440-3125
39 Rotor assembly (pro7.5e) 37 415 02-S
40 Bolt 5/16-24x261mm 37 211 04-S
41 Washer 37 468 07-S
42 Washer, spring 37 468 08-S
43 Nut 37 100 05-S
44 Stator assembly 37 085 02-S
45 Housing 37 081 02-S
46 Washer, special spring 6 37 468 06-S
47 Washer, plate gasket 6 37 468 05-S
48 Boldt m6x220 37 211 02-S
49 Cap, back cover 37 173 01-S
50 Screw, bolt m5x245 25 086 592-S
51 Rectifier avr (pro7.5e) 37 403 02-S
52 Screw, bolt gb 5787-m5x16 25 086 581-S
53 Brush, carbon assembly 37 221 01-S
54 Screw, bolt m5x10 25 086 583-S
55 Cover 37 096 03-S
56 Sleeve, motor rubber sheath 37 431 02-S
57 Board assembly, patch 37 207 01-S
58 Bolt gb/t 5783-m5x10 37 211 01-S
59 Gasket, muffler 17 041 29-S
60 Nut use 25 086 240-s 37 100 01-S
61 Washer, spring gb93-4 37 468 09-S
62 Mount, rubber gasket 37 366 02-S
63 Guard muffler back cover 37 314 02-S
64 Manifold, muffler pipe assembly 37 164 02-S
65 Screw, bolt m8x22 25 086 574-S
66 Gasket 37 041 01-S
67 Muffler 37 068 03-S
68 Screw, bolt m8x20 25 086 575-S
69 Washer, spring 8 37 468 01-S
70 Washer, flat gasket 8 37 468 02-S
71 Guard, muffler front cover 37 314 01-S
74 Washer, plate gasket gb95-4 37 468 12-S
75 Mount, rubber foot 37 366 04-S
86 Screw, bolt gb 5787-m6x20 25 086 572-S
87 Mount, flat gasket gb/t 5287-6 37 366 01-S
88 Spacer, inner ring 37 112 02-S
89 Spacer, fuel tank bushing 37 112 01-S
90 Tank, fuel 37 065 02-S
91 Guage, fuel level assembly 37 305 01-S
92 Retainer, tank cap pull ring 37 018 01-S
93 Cap assembly - fuel tank (epa) 37 227 01-S
94 Line, fuel (10"-cut to length) 25 111 40-S
95 Clamp, fuel line 6 37 237 04-S
96 Valve,fuel shut off 37 462 02-S
97 Filter , fuel tank 37 050 01-S
98 Clamp, fuel line 1 use 14 237 01-s 37 237 06-S
99 Frame assembly 37 301 02-S
100 Damper, handle damping pad 37 263 03-S
101 Plug, end cap 37 139 01-S
102 Nut 37 100 07-S
103 Strap, cable ties 3.2x120 (white) 37 445 02-S
104 Mount, engine iso 35 366 02-S
105 Spacer, flower shaped gasket 37 112 04-S
106 Nut 37 100 10-S
107 Rectifier, block (pro5.2e) 37 403 03-S
108 Screw m5x12 25 086 596-S
109 Bracket, stationary barrier 37 126 01-S
110 Screw, bolt m8x16 25 086 586-S
111 Harness assembly, wiring 37 176 02-S
112 Cover 37 096 01-S
113 Screw bolt 3/8-16x27mm 25 086 585-S
114 Washer, plate gt/t 95 37 468 11-S
115 Retainer, 12v dc charge bridge 37 018 02-S
116 Washer, spring gb 93-5 37 468 10-S
117 Screw gb818-m4x8 25 086 591-S

Returns Policy

All returns must be authorized. Items returned prior authorization will not be accepted.

Defective new equipment may be returned for warranty repair/exchange to us within five (5) days of the shipment receipt date.  After five (5) days, returns will be handled by direct contact and in accordance with the warranty terms of the item's manufacturer.  Items that have malfunctioned due to mishandling, electrical overload, etc., will be subject to a repair charge. 

Non-Defective new equipment will be authorized for return within five (5) days of the shipment receipt date if the equipment is still in new, re-sellable condition with the original manual(s), accessories, packing material and carton. We reserve the right to reject returns in which there is no original packaging, missing accessories, damage or visible signs of usage of the item.  A restocking fee of up to 25% of purchase price may apply.  Special orders and dangerous goods are non-returnable.

**There's a 20% Restocking Fee on All Returned Palmgren Products in Original Packaging

To get your RMA, simply call (800) 364-4637 for a return authorization number or email sales@palmerpower.com .

(Do not write anything on the manufacturer's original package or use as a shipping carton. Include all accessories, manuals and warranties.) Please include a copy of the packing list or invoice with a reason for the return. Your return authorization number is valid for thirty days.

To check the status of your return, please email us at sales@palmerpower.com. Please be sure to include your RMA number. For more information please check our FAQ page.

Shipping

We can ship to virtually any address in the world. Note that there are restrictions on some products, and some products cannot be shipped to international destinations.

When you place an order, we will estimate shipping and delivery dates for you based on the availability of your items and the shipping options you choose. Depending on the shipping provider you choose, shipping date estimates may appear on the shipping quotes page.

Please also note that the shipping rates for many items we sell are weight-based. The weight of any such item can be found on its detail page. To reflect the policies of the shipping companies we use, all weights will be rounded up to the next full pound.

Boat Services & Repairs in Houston

We will service your boat whether you bought it from us or not. Our award-winning boat service department has a full-time staff of seasoned, factory-certified technicians dedicated to ensuring that your boat runs well for years to come. Our team is trained to correctly diagnose issues, advise you of any developing problems, and address any unique service issues your boat may require. Whether you need complex engine work and repairs, canvas and upholstery, boat tune Up, electronics installation or repair, or boat detailing, our technicians will work quickly to keep you out of the shop and on the water. Not only does our service department provide the highest quality service, we also have a large parts department for the do-it-yourself types. Ask about our inventory of parts and aftermarket additions to make your own repairs or upgrades.

Learn More

boat repair service boat Sterndrive repair

Frequently Asked Questions

  • How do I request a quote?
    To request a quote for pricing on any Palmer Power's products, please see our request a quote page. Fill out and submit our quote form and one of our representatives will contact you when your quote is ready.
  • Do you have any Minimum Order Restriction?
    Palmer Power Does not have any Minimum Order Restriction.
  • Will my order be subject to sales tax?
    Estimated state sales tax will appear within your shopping cart for all shipments within the United states unless a signed official state tax exemption certificate is furnished to Palmer Power.
  • How do I check my Order Status?
    To check the status of an online order, email sales@palmerpower.com. Please be sure to include your order number.
  • How do I Return items?

    All returns must be authorized. Items returned prior authorization will not be accepted. International customers must ship any returns to us freight and duty prepaid. Return freight charges for International shipments will be the responsibility of the customer.

    Defective new equipment may be returned for warranty repair/exchange to us within five (5) days of the shipment receipt date. After five (5) days, returns will be handled by direct contact and in accordance with the warranty terms of the item's manufacturer. Items that have malfunctioned due to mishandling, electrical overload, etc., will be subject to a repair charge.

    Non-Defective new equipment will be authorized for return within five (5) days of the shipment receipt date if the equipment is still in new, re-sellable condition with the original manual(s), accessories, packing material and carton. We reserve the right to reject returns in which there is no original packaging, missing accessories, damage or visible signs of usage of the item. A restocking fee of up to 25% of purchase price may apply. Special orders and dangerous goods are non-returnable.

    (Do not write anything on the manufacturer's original package or use as a shipping carton. Include all accessories, manuals and warranties.) Please include a copy of the packing list or invoice with a reason for the return. Your return authorization number is valid for thirty days.

  • What payment options do I have?

    Palmer Power accepts a variety of payment options for your convenience. For prepayment, we accept all major credit cards (Visa, MasterCard, Discover and American Express), Purchase Orders, and international wire transfers. We also offer credit terms to existing customers.

Fast Delivery
Dealer Program
Secure Shopping
30-Day Free Returns