MERCURY 161682 Seal | PalmerPower
close
close
click to zoom in
  • Guaranteed Fitment

    Always the correct part

  • In-House Experts

    We know our products

  • Boat Repair Service

    Diagnostics, Repairs, and Maintenance

  • Fast Delivery

MERCURY 16168 2 Seal

Write a Review
$5.40
SKU:
161682-MER
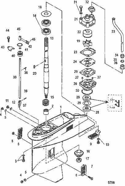
Schematic Object Key:
32

MERCURY 16168 2 Seal

$5.40

Disclaimer: Please note that the items featured in the image (schematic diagram) are not sold as a bundled set. To facilitate your search, kindly refer to the schematic object key provided below in order to locate a specific item within the image.

MERCURY 16168 2 Seal

Schematic Object Key : 32

Product Description : MERCURY 16168 2 Seal

Product Category : 40 MXL SEAPRO/ 0N037781 THRU 0N056164/ Gear Housing(Driveshaft)

Disclaimer: Each item listed in the table below is available for individual purchase and is not sold as part of a package or set.

Other Components:

Key Name Part No.
- GEAR HOUSING ASSEMBLY, Complete 8M0046098
- GEAR HOUSING ASSEMBLY, Complete 825132T39
- GEAR HOUSING ASSEMBLY, Complete 825132A13
0 GEAR HOUSING ASSEMBLY, Complete 825132A18
1 GEAR HOUSING ASSEMBLY, Basic 8M0127360
1 GEAR HOUSING ASSEMBLY, Basic 825132A11
1 GEAR HOUSING ASSEMBLY, Basic 8M0127361
2 BEARING, Needle 813048 7
3 BOLT 879194274
4 SCREW, Drain 953683
5 GASKET 95220
6 STRAINER, Water (Set) 853763003
7 SCREW 855544 4
8 NUT 853722 16
9 STRAINER, Water 853763 2
10 BOLT 8248324
11 SCREW, Drain 95368 2
12 GASKET 95220011
13 DRIVESHAFT 16136 6
13 DRIVESHAFT 16136 5
13 DRIVESHAFT 16136007
14 BEARING, Ball 16128 3
15 SPRING 95383 6
16 GEAR, Pinion 16138004
17 NUT 853722 17
18 SHIM 851855001
18 SHIM 851855003
18 SHIM 851855005
19 IMPELLER 16154 2
20 KEY 16155 1
21 HOUSING, Upper Water Pump 16156 3
22 INSERT 16157 3
23 GASKET 16158017
24 GUIDE PLATE 851857
25 GASKET 16158016
26 HOUSING, Water Pump Lower 826053 2
27 PIN, Dowel 95218 8
28 SEAL, Oil 853707 9
29 SHIM 853795 4
30 O-RING 16131
31 BOLT 879194276
32 SEAL 16168 2
33 TUBE, Water 16170 5
33 TUBE, Water 16170 4
33 TUBE, Water 16170007
34 SEAL 16171 2
35 COLLAR 95286 15
36 SEAL 853707 4
37 CAM 898103166
38 PIN 16179
39 CAM ROD 16186 5
39 CAM ROD 16186 3
39 CAM ROD 16186006
40 BUSHING 16176 2
41 O-RING 16177 2
42 O-RING 16178 2
43 STOPPER 810753 2
44 BOLT 16211 1
45 CONNECTOR 851859
46 PIN, Dowel 95218 9
- GASKET SET, Lower Unit 851887A08
- REPAIR KIT, Water Pump 853792A10
- GEAR HOUSING ASSEMBLY, Complete 8M0046098
- GEAR HOUSING ASSEMBLY, Complete 825132T39
- GEAR HOUSING ASSEMBLY, Complete 825132A13
0 GEAR HOUSING ASSEMBLY, Complete 825132A18
1 GEAR HOUSING ASSEMBLY, Basic 8M0127360
1 GEAR HOUSING ASSEMBLY, Basic 825132A11
1 GEAR HOUSING ASSEMBLY, Basic 8M0127361
2 BEARING, Needle 813048 7
3 BOLT 879194274
4 SCREW, Drain 953683
5 GASKET 95220
6 STRAINER, Water (Set) 853763003
7 SCREW 855544 4
8 NUT 853722 16
9 STRAINER, Water 853763 2
10 BOLT 8248324
11 SCREW, Drain 95368 2
12 GASKET 95220011
13 DRIVESHAFT 16136 6
13 DRIVESHAFT 16136 5
13 DRIVESHAFT 16136007
14 BEARING, Ball 16128 3
15 SPRING 95383 6
16 GEAR, Pinion 16138004
17 NUT 853722 17
18 SHIM 851855001
18 SHIM 851855003
18 SHIM 851855005
19 IMPELLER 16154 2
20 KEY 16155 1
21 HOUSING, Upper Water Pump 16156 3
22 INSERT 16157 3
23 GASKET 16158017
24 GUIDE PLATE 851857
25 GASKET 16158016
26 HOUSING, Water Pump Lower 826053 2
27 PIN, Dowel 95218 8
28 SEAL, Oil 853707 9
29 SHIM 853795 4
30 O-RING 16131
31 BOLT 879194276
32 SEAL 16168 2
33 TUBE, Water 16170 5
33 TUBE, Water 16170 4
33 TUBE, Water 16170007
34 SEAL 16171 2
35 COLLAR 95286 15
36 SEAL 853707 4
37 CAM 898103166
38 PIN 16179
39 CAM ROD 16186 5
39 CAM ROD 16186 3
39 CAM ROD 16186006
40 BUSHING 16176 2
41 O-RING 16177 2
42 O-RING 16178 2
43 STOPPER 810753 2
44 BOLT 16211 1
45 CONNECTOR 851859
46 PIN, Dowel 95218 9
- GASKET SET, Lower Unit 851887A08
- REPAIR KIT, Water Pump 853792A10



Quick Overview

SEAL 26

SKU : 161682

PRE: MER

BRAND: MERCURY

COMPANY: Mercury/MerCruiser/Mariner/Force

UPC: 745061605527

Returns Policy

All returns must be authorized. Items returned prior authorization will not be accepted.

Defective new equipment may be returned for warranty repair/exchange to us within five (5) days of the shipment receipt date.  After five (5) days, returns will be handled by direct contact and in accordance with the warranty terms of the item's manufacturer.  Items that have malfunctioned due to mishandling, electrical overload, etc., will be subject to a repair charge. 

Non-Defective new equipment will be authorized for return within five (5) days of the shipment receipt date if the equipment is still in new, re-sellable condition with the original manual(s), accessories, packing material and carton. We reserve the right to reject returns in which there is no original packaging, missing accessories, damage or visible signs of usage of the item.  A restocking fee of up to 25% of purchase price may apply.  Special orders and dangerous goods are non-returnable.

**There's a 20% Restocking Fee on All Returned Palmgren Products in Original Packaging

To get your RMA, simply call (800) 364-4637 for a return authorization number or email sales@palmerpower.com .

(Do not write anything on the manufacturer's original package or use as a shipping carton. Include all accessories, manuals and warranties.) Please include a copy of the packing list or invoice with a reason for the return. Your return authorization number is valid for thirty days.

To check the status of your return, please email us at sales@palmerpower.com. Please be sure to include your RMA number. For more information please check our FAQ page.

Shipping

We can ship to virtually any address in the world. Note that there are restrictions on some products, and some products cannot be shipped to international destinations.

When you place an order, we will estimate shipping and delivery dates for you based on the availability of your items and the shipping options you choose. Depending on the shipping provider you choose, shipping date estimates may appear on the shipping quotes page.

Please also note that the shipping rates for many items we sell are weight-based. The weight of any such item can be found on its detail page. To reflect the policies of the shipping companies we use, all weights will be rounded up to the next full pound.

Boat Services & Repairs in Houston

We will service your boat whether you bought it from us or not. Our award-winning boat service department has a full-time staff of seasoned, factory-certified technicians dedicated to ensuring that your boat runs well for years to come. Our team is trained to correctly diagnose issues, advise you of any developing problems, and address any unique service issues your boat may require. Whether you need complex engine work and repairs, canvas and upholstery, boat tune Up, electronics installation or repair, or boat detailing, our technicians will work quickly to keep you out of the shop and on the water. Not only does our service department provide the highest quality service, we also have a large parts department for the do-it-yourself types. Ask about our inventory of parts and aftermarket additions to make your own repairs or upgrades.

Learn More

boat repair service boat Sterndrive repair

Frequently Asked Questions

  • How do I request a quote?
    To request a quote for pricing on any Palmer Power's products, please see our request a quote page. Fill out and submit our quote form and one of our representatives will contact you when your quote is ready.
  • Do you have any Minimum Order Restriction?
    Palmer Power Does not have any Minimum Order Restriction.
  • Will my order be subject to sales tax?
    Estimated state sales tax will appear within your shopping cart for all shipments within the United states unless a signed official state tax exemption certificate is furnished to Palmer Power.
  • How do I check my Order Status?
    To check the status of an online order, email sales@palmerpower.com. Please be sure to include your order number.
  • How do I Return items?

    All returns must be authorized. Items returned prior authorization will not be accepted. International customers must ship any returns to us freight and duty prepaid. Return freight charges for International shipments will be the responsibility of the customer.

    Defective new equipment may be returned for warranty repair/exchange to us within five (5) days of the shipment receipt date. After five (5) days, returns will be handled by direct contact and in accordance with the warranty terms of the item's manufacturer. Items that have malfunctioned due to mishandling, electrical overload, etc., will be subject to a repair charge.

    Non-Defective new equipment will be authorized for return within five (5) days of the shipment receipt date if the equipment is still in new, re-sellable condition with the original manual(s), accessories, packing material and carton. We reserve the right to reject returns in which there is no original packaging, missing accessories, damage or visible signs of usage of the item. A restocking fee of up to 25% of purchase price may apply. Special orders and dangerous goods are non-returnable.

    (Do not write anything on the manufacturer's original package or use as a shipping carton. Include all accessories, manuals and warranties.) Please include a copy of the packing list or invoice with a reason for the return. Your return authorization number is valid for thirty days.

  • What payment options do I have?

    Palmer Power accepts a variety of payment options for your convenience. For prepayment, we accept all major credit cards (Visa, MasterCard, Discover and American Express), Purchase Orders, and international wire transfers. We also offer credit terms to existing customers.

Fast Delivery
Dealer Program
Secure Shopping
30-Day Free Returns