MERCURY 804906 Joint | PalmerPower
close
close
click to zoom in
  • Guaranteed Fitment

    Always the correct part

  • In-House Experts

    We know our products

  • Boat Repair Service

    Diagnostics, Repairs, and Maintenance

  • Fast Delivery

MERCURY 804906 Joint

Write a Review
$5.50
SKU:
804906
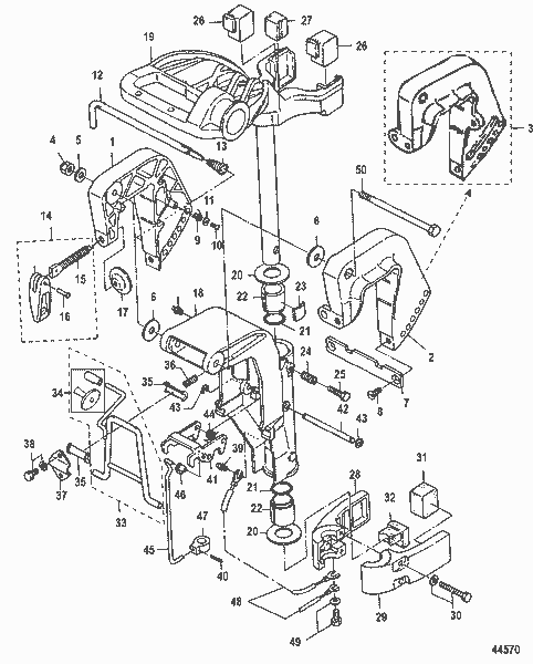
Schematic Object Key:
47

MERCURY 804906 Joint

$5.50

Disclaimer: Please note that the items featured in the image (schematic diagram) are not sold as a bundled set. To facilitate your search, kindly refer to the schematic object key provided below in order to locate a specific item within the image.

MERCURY 804906 Joint

Schematic Object Key : 47

Product Description : MERCURY 804906 Joint

Product Category : 8 (2 Cyl.)(International)/ 0N055110 & Up/ Clamp And Swivel Brackets

Disclaimer: Each item listed in the table below is available for individual purchase and is not sold as part of a package or set.

Other Components:

Key Name Part No.
1 CLAMP BRACKET, Starboard 9622T 6
1 CLAMP BRACKET, Starboard 8M0156180
2 CLAMP BRACKET, Port 9623 1
3 CLAMP BRACKET, Port 8M0048133
4 NUT, Nylon 95374
5 WASHER 16192
6 WASHER 95375
7 DISTANCE PLATE 16193 1
8 SCREW 16194
9 SPRING 16195 1
10 SCREW 16196
11 WASHER 16197
12 THRUST ROD 16198004
13 SPRING 815093 1
14 CLAMP SCREW ASSEMBLY, M10 16200
14 THUMB SCREW ASSEMBLY, 1/2 Inch Thread Size 16200A 1
15 NOT SOLD SEPARATE, Clamp Screw NSS
16 NOT SOLD SEPARATE, Pin NSS
17 PAD 95379
18 SWIVEL BRACKET 803772T01
19 SHAFT, Steering 803773T01
20 THRUST PLATE 803774 1
21 O-RING 812641 2
22 BUSHING 16336 6
23 FRICTION PLATE 16205 2
24 SPRING 95383 8
25 BOLT 879194254
26 RUBBER, Mount 803775 3
27 RUBBER, Damper 803778 1
28 BRACKET, Mount (Starboard) 803776T08
29 BRACKET, Mount (Port) 803776T09
30 BOLT, Stainless Steel 8M0102279
31 RUBBER, Mount 803775 4
32 RUBBER, Mount 803775 5
33 STOPPER ASSEMBLY, Tilt 815094A04
34 NOT SOLD SEPARATE, Grip NSS
35 BUSHING 825113
36 SPRING 813028
37 SET PLATE 16210002
38 BOLT 8230427
39 FITTING, Grease 824969
40 COTTER PIN 815026 7
41 LOCK, Reverse 804045003
42 SHAFT, Reverse Lock 804046002
43 E RING 95318 1
44 SPRING 804905
45 LINK, Reverse Lock 803787 1
46 SNAP, Link Rod 853748
47 JOINT 804906
48 CABLE ASSEMBLY, Ground 898101091
49 BOLT 8230427
50 BOLT 898101337
1 CLAMP BRACKET, Starboard 9622T 6
1 CLAMP BRACKET, Starboard 8M0156180
2 CLAMP BRACKET, Port 9623 1
3 CLAMP BRACKET, Port 8M0048133
4 NUT, Nylon 95374
5 WASHER 16192
6 WASHER 95375
7 DISTANCE PLATE 16193 1
8 SCREW 16194
9 SPRING 16195 1
10 SCREW 16196
11 WASHER 16197
12 THRUST ROD 16198004
13 SPRING 815093 1
14 CLAMP SCREW ASSEMBLY, M10 16200
14 THUMB SCREW ASSEMBLY, 1/2 Inch Thread Size 16200A 1
15 NOT SOLD SEPARATE, Clamp Screw NSS
16 NOT SOLD SEPARATE, Pin NSS
17 PAD 95379
18 SWIVEL BRACKET 803772T01
19 SHAFT, Steering 803773T01
20 THRUST PLATE 803774 1
21 O-RING 812641 2
22 BUSHING 16336 6
23 FRICTION PLATE 16205 2
24 SPRING 95383 8
25 BOLT 879194254
26 RUBBER, Mount 803775 3
27 RUBBER, Damper 803778 1
28 BRACKET, Mount (Starboard) 803776T08
29 BRACKET, Mount (Port) 803776T09
30 BOLT, Stainless Steel 8M0102279
31 RUBBER, Mount 803775 4
32 RUBBER, Mount 803775 5
33 STOPPER ASSEMBLY, Tilt 815094A04
34 NOT SOLD SEPARATE, Grip NSS
35 BUSHING 825113
36 SPRING 813028
37 SET PLATE 16210002
38 BOLT 8230427
39 FITTING, Grease 824969
40 COTTER PIN 815026 7
41 LOCK, Reverse 804045003
42 SHAFT, Reverse Lock 804046002
43 E RING 95318 1
44 SPRING 804905
45 LINK, Reverse Lock 803787 1
46 SNAP, Link Rod 853748
47 JOINT 804906
48 CABLE ASSEMBLY, Ground 898101091
49 BOLT 8230427
50 BOLT 898101337



Quick Overview

JOINT

SKU : 804906

PRE: MER

BRAND: MERCURY

COMPANY: Mercury/MerCruiser/Mariner/Force

UPC: 745061626713

Returns Policy

All returns must be authorized. Items returned prior authorization will not be accepted.

Defective new equipment may be returned for warranty repair/exchange to us within five (5) days of the shipment receipt date.  After five (5) days, returns will be handled by direct contact and in accordance with the warranty terms of the item's manufacturer.  Items that have malfunctioned due to mishandling, electrical overload, etc., will be subject to a repair charge. 

Non-Defective new equipment will be authorized for return within five (5) days of the shipment receipt date if the equipment is still in new, re-sellable condition with the original manual(s), accessories, packing material and carton. We reserve the right to reject returns in which there is no original packaging, missing accessories, damage or visible signs of usage of the item.  A restocking fee of up to 25% of purchase price may apply.  Special orders and dangerous goods are non-returnable.

**There's a 20% Restocking Fee on All Returned Palmgren Products in Original Packaging

To get your RMA, simply call (800) 364-4637 for a return authorization number or email sales@palmerpower.com .

(Do not write anything on the manufacturer's original package or use as a shipping carton. Include all accessories, manuals and warranties.) Please include a copy of the packing list or invoice with a reason for the return. Your return authorization number is valid for thirty days.

To check the status of your return, please email us at sales@palmerpower.com. Please be sure to include your RMA number. For more information please check our FAQ page.

Shipping

We can ship to virtually any address in the world. Note that there are restrictions on some products, and some products cannot be shipped to international destinations.

When you place an order, we will estimate shipping and delivery dates for you based on the availability of your items and the shipping options you choose. Depending on the shipping provider you choose, shipping date estimates may appear on the shipping quotes page.

Please also note that the shipping rates for many items we sell are weight-based. The weight of any such item can be found on its detail page. To reflect the policies of the shipping companies we use, all weights will be rounded up to the next full pound.

Boat Services & Repairs in Houston

We will service your boat whether you bought it from us or not. Our award-winning boat service department has a full-time staff of seasoned, factory-certified technicians dedicated to ensuring that your boat runs well for years to come. Our team is trained to correctly diagnose issues, advise you of any developing problems, and address any unique service issues your boat may require. Whether you need complex engine work and repairs, canvas and upholstery, boat tune Up, electronics installation or repair, or boat detailing, our technicians will work quickly to keep you out of the shop and on the water. Not only does our service department provide the highest quality service, we also have a large parts department for the do-it-yourself types. Ask about our inventory of parts and aftermarket additions to make your own repairs or upgrades.

Learn More

boat repair service boat Sterndrive repair

Frequently Asked Questions

  • How do I request a quote?
    To request a quote for pricing on any Palmer Power's products, please see our request a quote page. Fill out and submit our quote form and one of our representatives will contact you when your quote is ready.
  • Do you have any Minimum Order Restriction?
    Palmer Power Does not have any Minimum Order Restriction.
  • Will my order be subject to sales tax?
    Estimated state sales tax will appear within your shopping cart for all shipments within the United states unless a signed official state tax exemption certificate is furnished to Palmer Power.
  • How do I check my Order Status?
    To check the status of an online order, email sales@palmerpower.com. Please be sure to include your order number.
  • How do I Return items?

    All returns must be authorized. Items returned prior authorization will not be accepted. International customers must ship any returns to us freight and duty prepaid. Return freight charges for International shipments will be the responsibility of the customer.

    Defective new equipment may be returned for warranty repair/exchange to us within five (5) days of the shipment receipt date. After five (5) days, returns will be handled by direct contact and in accordance with the warranty terms of the item's manufacturer. Items that have malfunctioned due to mishandling, electrical overload, etc., will be subject to a repair charge.

    Non-Defective new equipment will be authorized for return within five (5) days of the shipment receipt date if the equipment is still in new, re-sellable condition with the original manual(s), accessories, packing material and carton. We reserve the right to reject returns in which there is no original packaging, missing accessories, damage or visible signs of usage of the item. A restocking fee of up to 25% of purchase price may apply. Special orders and dangerous goods are non-returnable.

    (Do not write anything on the manufacturer's original package or use as a shipping carton. Include all accessories, manuals and warranties.) Please include a copy of the packing list or invoice with a reason for the return. Your return authorization number is valid for thirty days.

  • What payment options do I have?

    Palmer Power accepts a variety of payment options for your convenience. For prepayment, we accept all major credit cards (Visa, MasterCard, Discover and American Express), Purchase Orders, and international wire transfers. We also offer credit terms to existing customers.

Fast Delivery
Dealer Program
Secure Shopping
30-Day Free Returns