MERCURY 8537392 Bracket | PalmerPower
close
close
click to zoom in
  • Guaranteed Fitment

    Always the correct part

  • In-House Experts

    We know our products

  • Boat Repair Service

    Diagnostics, Repairs, and Maintenance

  • Fast Delivery

MERCURY 853739 2 Bracket, Throttle Link

Write a Review
$7.90
SKU:
8537392
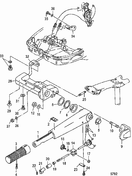
Schematic Object Key:
34

MERCURY 853739 2 Bracket, Throttle Link

$7.90

Disclaimer: Please note that the items featured in the image (schematic diagram) are not sold as a bundled set. To facilitate your search, kindly refer to the schematic object key provided below in order to locate a specific item within the image.

MERCURY 853739 2 Bracket, Throttle Link

Schematic Object Key : 34

Product Description : MERCURY 853739 2 Bracket, Throttle Link

Product Category : 40 LIGHTNING XR (International)/ 0N000513 THRU 0N056164/ Steering Handle

Disclaimer: Each item listed in the table below is available for individual purchase and is not sold as part of a package or set.

Other Components:

Key Name Part No.
1 HANDLE, Steering 803996
2 DECAL, Throttle 804020
3 GRIP 16086 1
4 SCREW 815046 1
5 BUSHING 851858 2
6 BUSHING 851858 1
7 WAVE WASHER 804017
8 WASHER 804508
9 HOLDER ASSEMBLY, Steering Handle 803997A 1
10 STUD 879194300
11 WASHER 16826 1
12 NUT 853722 15
13 WIRE, Throttle 804018001
14 FRICTION PIECE 813026
15 SCREW, Adjusting 16087
16 WASHER, Stainless Steel 16826
17 NUT, (M6) Stainless Steel 40021 2
18 SHAFT, Throttle 803998
19 BUSHING 16336
20 SPACER 16191
21 SPACER 853715 2
22 COTTER PIN 815026 3
23 BRACKET, Support 804055
24 BOLT, (M6 x 12) 823042 7
25 STUD 811654 1
26 WASHER 16192
27 NUT, Nylon 95374
28 BRACKET, Steering 804019005
29 BOLT 16263 6
30 SCREW 855544 10
31 WASHER, Stainless Steel 95392 1
32 CLAMP 95395 1
33 BOLT, (M6 x 12) 823042 7
34 BRACKET, Throttle Link 853739 2
35 BOLT 16223
36 WASHER, Stainless Steel 16826
- HANDLE KIT 803996T09
1 HANDLE, Steering 803996
2 DECAL, Throttle 804020
3 GRIP 16086 1
4 SCREW 815046 1
5 BUSHING 851858 2
6 BUSHING 851858 1
7 WAVE WASHER 804017
8 WASHER 804508
9 HOLDER ASSEMBLY, Steering Handle 803997A 1
10 STUD 879194300
11 WASHER 16826 1
12 NUT 853722 15
13 WIRE, Throttle 804018001
14 FRICTION PIECE 813026
15 SCREW, Adjusting 16087
16 WASHER, Stainless Steel 16826
17 NUT, (M6) Stainless Steel 40021 2
18 SHAFT, Throttle 803998
19 BUSHING 16336
20 SPACER 16191
21 SPACER 853715 2
22 COTTER PIN 815026 3
23 BRACKET, Support 804055
24 BOLT, (M6 x 12) 823042 7
25 STUD 811654 1
26 WASHER 16192
27 NUT, Nylon 95374
28 BRACKET, Steering 804019005
29 BOLT 16263 6
30 SCREW 855544 10
31 WASHER, Stainless Steel 95392 1
32 CLAMP 95395 1
33 BOLT, (M6 x 12) 823042 7
34 BRACKET, Throttle Link 853739 2
35 BOLT 16223
36 WASHER, Stainless Steel 16826
- HANDLE KIT 803996T09



Quick Overview

BRACKET

SKU : 8537392

PRE: MER

BRAND: MERCURY

COMPANY: Mercury/MerCruiser/Mariner/Force

UPC: 745061829121

Returns Policy

All returns must be authorized. Items returned prior authorization will not be accepted.

Defective new equipment may be returned for warranty repair/exchange to us within five (5) days of the shipment receipt date.  After five (5) days, returns will be handled by direct contact and in accordance with the warranty terms of the item's manufacturer.  Items that have malfunctioned due to mishandling, electrical overload, etc., will be subject to a repair charge. 

Non-Defective new equipment will be authorized for return within five (5) days of the shipment receipt date if the equipment is still in new, re-sellable condition with the original manual(s), accessories, packing material and carton. We reserve the right to reject returns in which there is no original packaging, missing accessories, damage or visible signs of usage of the item.  A restocking fee of up to 25% of purchase price may apply.  Special orders and dangerous goods are non-returnable.

**There's a 20% Restocking Fee on All Returned Palmgren Products in Original Packaging

To get your RMA, simply call (800) 364-4637 for a return authorization number or email sales@palmerpower.com .

(Do not write anything on the manufacturer's original package or use as a shipping carton. Include all accessories, manuals and warranties.) Please include a copy of the packing list or invoice with a reason for the return. Your return authorization number is valid for thirty days.

To check the status of your return, please email us at sales@palmerpower.com. Please be sure to include your RMA number. For more information please check our FAQ page.

Shipping

We can ship to virtually any address in the world. Note that there are restrictions on some products, and some products cannot be shipped to international destinations.

When you place an order, we will estimate shipping and delivery dates for you based on the availability of your items and the shipping options you choose. Depending on the shipping provider you choose, shipping date estimates may appear on the shipping quotes page.

Please also note that the shipping rates for many items we sell are weight-based. The weight of any such item can be found on its detail page. To reflect the policies of the shipping companies we use, all weights will be rounded up to the next full pound.

Boat Services & Repairs in Houston

We will service your boat whether you bought it from us or not. Our award-winning boat service department has a full-time staff of seasoned, factory-certified technicians dedicated to ensuring that your boat runs well for years to come. Our team is trained to correctly diagnose issues, advise you of any developing problems, and address any unique service issues your boat may require. Whether you need complex engine work and repairs, canvas and upholstery, boat tune Up, electronics installation or repair, or boat detailing, our technicians will work quickly to keep you out of the shop and on the water. Not only does our service department provide the highest quality service, we also have a large parts department for the do-it-yourself types. Ask about our inventory of parts and aftermarket additions to make your own repairs or upgrades.

Learn More

boat repair service boat Sterndrive repair

Frequently Asked Questions

  • How do I request a quote?
    To request a quote for pricing on any Palmer Power's products, please see our request a quote page. Fill out and submit our quote form and one of our representatives will contact you when your quote is ready.
  • Do you have any Minimum Order Restriction?
    Palmer Power Does not have any Minimum Order Restriction.
  • Will my order be subject to sales tax?
    Estimated state sales tax will appear within your shopping cart for all shipments within the United states unless a signed official state tax exemption certificate is furnished to Palmer Power.
  • How do I check my Order Status?
    To check the status of an online order, email sales@palmerpower.com. Please be sure to include your order number.
  • How do I Return items?

    All returns must be authorized. Items returned prior authorization will not be accepted. International customers must ship any returns to us freight and duty prepaid. Return freight charges for International shipments will be the responsibility of the customer.

    Defective new equipment may be returned for warranty repair/exchange to us within five (5) days of the shipment receipt date. After five (5) days, returns will be handled by direct contact and in accordance with the warranty terms of the item's manufacturer. Items that have malfunctioned due to mishandling, electrical overload, etc., will be subject to a repair charge.

    Non-Defective new equipment will be authorized for return within five (5) days of the shipment receipt date if the equipment is still in new, re-sellable condition with the original manual(s), accessories, packing material and carton. We reserve the right to reject returns in which there is no original packaging, missing accessories, damage or visible signs of usage of the item. A restocking fee of up to 25% of purchase price may apply. Special orders and dangerous goods are non-returnable.

    (Do not write anything on the manufacturer's original package or use as a shipping carton. Include all accessories, manuals and warranties.) Please include a copy of the packing list or invoice with a reason for the return. Your return authorization number is valid for thirty days.

  • What payment options do I have?

    Palmer Power accepts a variety of payment options for your convenience. For prepayment, we accept all major credit cards (Visa, MasterCard, Discover and American Express), Purchase Orders, and international wire transfers. We also offer credit terms to existing customers.

Fast Delivery
Dealer Program
Secure Shopping
30-Day Free Returns