MERCURY 8557171 NGK ZFR5F-11 at 4 33 | PalmerPower
close
close
click to zoom in
  • Guaranteed Fitment

    Always the correct part

  • In-House Experts

    We know our products

  • Boat Repair Service

    Diagnostics, Repairs, and Maintenance

  • Fast Delivery

MERCURY 8557171 Spark Plug

Write a Review
$10.60
SKU:
8557171
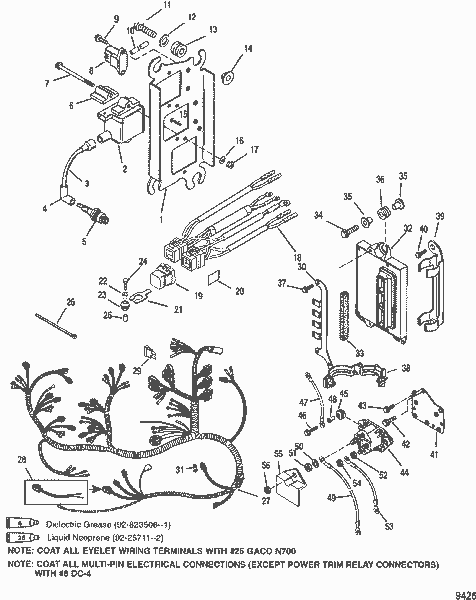
Schematic Object Key:
5

MERCURY 8557171 Spark Plug

$10.60

Disclaimer: Please note that the items featured in the image (schematic diagram) are not sold as a bundled set. To facilitate your search, kindly refer to the schematic object key provided below in order to locate a specific item within the image.

MERCURY 8557171 Spark Plug

Schematic Object Key : 5

Product Description : MERCURY 8557171 Spark Plug

Product Category : V-150 DFI (2.5L)/ 0G590000 THRU 0G760299/ Electrical Components

Disclaimer: Each item listed in the table below is available for individual purchase and is not sold as part of a package or set.

Other Components:

Key Name Part No.
1 PLATE, Electrical Mounting 850675
2 COIL, Ignition 856991A1
3 CABLE ASSEMBLY, Hi Tension 821945A63
4 BOOT/TERMINAL KIT 63709A 1
5 SPARK PLUG 889597Q
5 SPARK PLUG 8557171
6 SPACER 850676F1
7 SCREW, (.250-20 x 3.250) 850898
8 SENSOR, MAP 825762
9 SCREW, (M6 x 14) 821291 14
10 TUBING, (36.00 Inches Bulk) (Cut to 31 Inches) 99126 88
11 SCREW, (.312-18 x 1.250) 60411
12 WASHER 49436
13 GROMMET 833155
14 BUSHING 850234 1
15 SCREW, (M6 x 14) 821291 14
16 WASHER, (.281 x .625 x .065) Stainless Steel 35044
17 NUT, (.250-20) 8267098
18 HARNESS ASSEMBLY, Trim 819514A14
19 RELAY ASSEMBLY 882751A1
20 NOT SOLD SEPARATE, Decal-Trim Relay NSS
21 BRACKET 828102
22 BUSHING 818968
23 GROMMET 818967
24 SCREW, (M6 x 25) 821291 25
24 SCREW, (M6 x 35) 821291 35
25 BUSHING 91912
26 TIE STRAP, (8.00 Inches) 816311T
27 HARNESS ASSEMBLY, Engine 850681A6
28 HARNESS ASSEMBLY 856624A 2
29 FUSE, Yellow - 20 Ampere 812619
30 NOT SOLD SEPARATE, Bracket-Fuse Holder NSS
31 SCREW (M4 X 8) 855634
32 ECU, Engine Control Unit 858891A20
32 ECU, Engine Control Unit 858891A21
33 PAD 830897
34 SCREW, (M6 x 25) 821300 25
35 BUSHING 831870 1
36 GROMMET 834985
37 SCREW, (M6 x 14) 821291 14
38 CLIP 853947
39 CLAMP 826624 1
40 SCREW, (#10-16 x .380) 878607
41 PLATE, Solenoid Mounting 833137 1
42 SCREW, (M6 x 12) 821300 12
43 SCREW, (M6 x 14) 821291 14
44 SOLENOID ASSEMBLY, (#10-32 / .3125-18 Terminals) 817109A 2
45 GROMMET 822179
46 SCREW, (M6 x 25) 821291 25
47 CABLE ASSEMBLY (BLACK) 93388A14
48 BUSHING 818968
49 CABLE ASSEMBLY, Battery - Positive 88439A25
50 LOCKWASHER, (.312) 53166
51 NUT, (.312-18) 68292
52 NUT, (#10-32) Brass 45076
53 CABLE ASSEMBLY, (4.00 Inches) Black 88807A16
54 CAP NUT, (#10-32) 813938
55 INSULATOR 78866
56 NUT, (#10-32) Brass 45076
1 PLATE, Electrical Mounting 850675
2 COIL, Ignition 856991A1
3 CABLE ASSEMBLY, Hi Tension 821945A63
4 BOOT/TERMINAL KIT 63709A 1
5 SPARK PLUG 889597Q
5 SPARK PLUG 8557171
6 SPACER 850676F1
7 SCREW, (.250-20 x 3.250) 850898
8 SENSOR, MAP 825762
9 SCREW, (M6 x 14) 821291 14
10 TUBING, (36.00 Inches Bulk) (Cut to 31 Inches) 99126 88
11 SCREW, (.312-18 x 1.250) 60411
12 WASHER 49436
13 GROMMET 833155
14 BUSHING 850234 1
15 SCREW, (M6 x 14) 821291 14
16 WASHER, (.281 x .625 x .065) Stainless Steel 35044
17 NUT, (.250-20) 8267098
18 HARNESS ASSEMBLY, Trim 819514A14
19 RELAY ASSEMBLY 882751A1
20 NOT SOLD SEPARATE, Decal-Trim Relay NSS
21 BRACKET 828102
22 BUSHING 818968
23 GROMMET 818967
24 SCREW, (M6 x 25) 821291 25
24 SCREW, (M6 x 35) 821291 35
25 BUSHING 91912
26 TIE STRAP, (8.00 Inches) 816311T
27 HARNESS ASSEMBLY, Engine 850681A6
28 HARNESS ASSEMBLY 856624A 2
29 FUSE, Yellow - 20 Ampere 812619
30 NOT SOLD SEPARATE, Bracket-Fuse Holder NSS
31 SCREW (M4 X 8) 855634
32 ECU, Engine Control Unit 858891A20
32 ECU, Engine Control Unit 858891A21
33 PAD 830897
34 SCREW, (M6 x 25) 821300 25
35 BUSHING 831870 1
36 GROMMET 834985
37 SCREW, (M6 x 14) 821291 14
38 CLIP 853947
39 CLAMP 826624 1
40 SCREW, (#10-16 x .380) 878607
41 PLATE, Solenoid Mounting 833137 1
42 SCREW, (M6 x 12) 821300 12
43 SCREW, (M6 x 14) 821291 14
44 SOLENOID ASSEMBLY, (#10-32 / .3125-18 Terminals) 817109A 2
45 GROMMET 822179
46 SCREW, (M6 x 25) 821291 25
47 CABLE ASSEMBLY (BLACK) 93388A14
48 BUSHING 818968
49 CABLE ASSEMBLY, Battery - Positive 88439A25
50 LOCKWASHER, (.312) 53166
51 NUT, (.312-18) 68292
52 NUT, (#10-32) Brass 45076
53 CABLE ASSEMBLY, (4.00 Inches) Black 88807A16
54 CAP NUT, (#10-32) 813938
55 INSULATOR 78866
56 NUT, (#10-32) Brass 45076



Quick Overview

NGK ZFR5F-11@4 33

SKU : 8557171

PRE: MER

BRAND: MERCURY

COMPANY: Mercury/MerCruiser/Mariner/Force

Returns Policy

All returns must be authorized. Items returned prior authorization will not be accepted.

Defective new equipment may be returned for warranty repair/exchange to us within five (5) days of the shipment receipt date.  After five (5) days, returns will be handled by direct contact and in accordance with the warranty terms of the item's manufacturer.  Items that have malfunctioned due to mishandling, electrical overload, etc., will be subject to a repair charge. 

Non-Defective new equipment will be authorized for return within five (5) days of the shipment receipt date if the equipment is still in new, re-sellable condition with the original manual(s), accessories, packing material and carton. We reserve the right to reject returns in which there is no original packaging, missing accessories, damage or visible signs of usage of the item.  A restocking fee of up to 25% of purchase price may apply.  Special orders and dangerous goods are non-returnable.

**There's a 20% Restocking Fee on All Returned Palmgren Products in Original Packaging

To get your RMA, simply call (800) 364-4637 for a return authorization number or email sales@palmerpower.com .

(Do not write anything on the manufacturer's original package or use as a shipping carton. Include all accessories, manuals and warranties.) Please include a copy of the packing list or invoice with a reason for the return. Your return authorization number is valid for thirty days.

To check the status of your return, please email us at sales@palmerpower.com. Please be sure to include your RMA number. For more information please check our FAQ page.

Shipping

We can ship to virtually any address in the world. Note that there are restrictions on some products, and some products cannot be shipped to international destinations.

When you place an order, we will estimate shipping and delivery dates for you based on the availability of your items and the shipping options you choose. Depending on the shipping provider you choose, shipping date estimates may appear on the shipping quotes page.

Please also note that the shipping rates for many items we sell are weight-based. The weight of any such item can be found on its detail page. To reflect the policies of the shipping companies we use, all weights will be rounded up to the next full pound.

Boat Services & Repairs in Houston

We will service your boat whether you bought it from us or not. Our award-winning boat service department has a full-time staff of seasoned, factory-certified technicians dedicated to ensuring that your boat runs well for years to come. Our team is trained to correctly diagnose issues, advise you of any developing problems, and address any unique service issues your boat may require. Whether you need complex engine work and repairs, canvas and upholstery, boat tune Up, electronics installation or repair, or boat detailing, our technicians will work quickly to keep you out of the shop and on the water. Not only does our service department provide the highest quality service, we also have a large parts department for the do-it-yourself types. Ask about our inventory of parts and aftermarket additions to make your own repairs or upgrades.

Learn More

boat repair service boat Sterndrive repair

Frequently Asked Questions

  • How do I request a quote?
    To request a quote for pricing on any Palmer Power's products, please see our request a quote page. Fill out and submit our quote form and one of our representatives will contact you when your quote is ready.
  • Do you have any Minimum Order Restriction?
    Palmer Power Does not have any Minimum Order Restriction.
  • Will my order be subject to sales tax?
    Estimated state sales tax will appear within your shopping cart for all shipments within the United states unless a signed official state tax exemption certificate is furnished to Palmer Power.
  • How do I check my Order Status?
    To check the status of an online order, email sales@palmerpower.com. Please be sure to include your order number.
  • How do I Return items?

    All returns must be authorized. Items returned prior authorization will not be accepted. International customers must ship any returns to us freight and duty prepaid. Return freight charges for International shipments will be the responsibility of the customer.

    Defective new equipment may be returned for warranty repair/exchange to us within five (5) days of the shipment receipt date. After five (5) days, returns will be handled by direct contact and in accordance with the warranty terms of the item's manufacturer. Items that have malfunctioned due to mishandling, electrical overload, etc., will be subject to a repair charge.

    Non-Defective new equipment will be authorized for return within five (5) days of the shipment receipt date if the equipment is still in new, re-sellable condition with the original manual(s), accessories, packing material and carton. We reserve the right to reject returns in which there is no original packaging, missing accessories, damage or visible signs of usage of the item. A restocking fee of up to 25% of purchase price may apply. Special orders and dangerous goods are non-returnable.

    (Do not write anything on the manufacturer's original package or use as a shipping carton. Include all accessories, manuals and warranties.) Please include a copy of the packing list or invoice with a reason for the return. Your return authorization number is valid for thirty days.

  • What payment options do I have?

    Palmer Power accepts a variety of payment options for your convenience. For prepayment, we accept all major credit cards (Visa, MasterCard, Discover and American Express), Purchase Orders, and international wire transfers. We also offer credit terms to existing customers.

Fast Delivery
Dealer Program
Secure Shopping
30-Day Free Returns