MERCURY 8M0132389 Oil Cooler Module | PalmerPower
close
close
click to zoom in
  • Guaranteed Fitment

    Always the correct part

  • In-House Experts

    We know our products

  • Boat Repair Service

    Diagnostics, Repairs, and Maintenance

  • Fast Delivery

MERCURY 8M0132389 Cooler Assembly, Oil

Write a Review
$1,593.64
SKU:
8M0132389
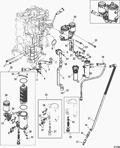
Schematic Object Key:
28

MERCURY 8M0132389 Cooler Assembly, Oil

$1,593.64

Disclaimer: Please note that the items featured in the image (schematic diagram) are not sold as a bundled set. To facilitate your search, kindly refer to the schematic object key provided below in order to locate a specific item within the image.

MERCURY 8M0132389 Cooler Assembly, Oil

Schematic Object Key : 28

Product Description : MERCURY 8M0132389 Cooler Assembly, Oil

Product Category : 175 VERADO (4-STROKE)(4 CYL.)/ 1B227000 THRU 1B381711/ Starboard Cylinder Block\Oil Cooler

Disclaimer: Each item listed in the table below is available for individual purchase and is not sold as part of a package or set.

Other Components:

Key Name Part No.
1 DEFLECTOR ASSEMBLY, Water 892404A05
2 FITTING ASSEMBLY 885518A02
3 O-RING 62701
4 SCREW, (M6 x 16) Stainless Steel 8M0103805
5 CLAMP, (38.1 mm) 888988011
6 HOSE 888930003
7 CLAMP, (34.6 mm) 888988008
8 THERMOSTAT ASSEMBLY 892864T04
9 O-RING 8M0005958
10 CLAMP, (36.1 mm) 888988001
11 HOSE, Thermostat 896059001
12 CLAMP, (42.5 mm) 888988007
13 FILTER, Fuel 8M0062950
14 FILTER, Fuel 8M0122423
15 TIE STRAP, (8.00 Inches) 816311T
16 CONNECTOR 892356
17 GRAB TAB 863156
18 HOSE, Fuel to Lift Pump 8M0087061
19 BRACKET ASSEMBLY 892147A01
20 BRACKET 897126
21 BUSHING 822003
22 GROMMET 834985
23 WASHER, (.265 x .750 x .048) Stainless Steel 65567
24 SCREW, (M6 x 25) 821291 25
25 SCREW, (M10 x 85) 8M0103824
26 SCREW, (M10 x 105) 8M0103820
27 HOSE ASSEMBLY, Fuel Inlet 8M0045343
28 COOLER ASSEMBLY, Oil 8M0132389
29 FILTER, Oil 877767K01
30 HOUSING ASSEMBLY, Intergrated Oil Module 892801A50
31 SCREW, (M6 x 18) 8M0041014
32 GASKET 8M0034568
33 THERMOSTAT/GUIDE KIT 880640A06
34 THERMOSTAT 880640508
35 OVERHAUL KIT 892801T51
36 GASKET 8M0034568
37 O-RING KIT 8M0071635
38 STRAP 895032
39 SCREW, (M6 x 18) 8M0041014
40 CLIP 897559
41 SCREW, (M6 x 25) Stainless Steel 8M0103807
1 DEFLECTOR ASSEMBLY, Water 892404A05
2 FITTING ASSEMBLY 885518A02
3 O-RING 62701
4 SCREW, (M6 x 16) Stainless Steel 8M0103805
5 CLAMP, (38.1 mm) 888988011
6 HOSE 888930003
7 CLAMP, (34.6 mm) 888988008
8 THERMOSTAT ASSEMBLY 892864T04
9 O-RING 8M0005958
10 CLAMP, (36.1 mm) 888988001
11 HOSE, Thermostat 896059001
12 CLAMP, (42.5 mm) 888988007
13 FILTER, Fuel 8M0062950
14 FILTER, Fuel 8M0122423
15 TIE STRAP, (8.00 Inches) 816311T
16 CONNECTOR 892356
17 GRAB TAB 863156
18 HOSE, Fuel to Lift Pump 8M0087061
19 BRACKET ASSEMBLY 892147A01
20 BRACKET 897126
21 BUSHING 822003
22 GROMMET 834985
23 WASHER, (.265 x .750 x .048) Stainless Steel 65567
24 SCREW, (M6 x 25) 821291 25
25 SCREW, (M10 x 85) 8M0103824
26 SCREW, (M10 x 105) 8M0103820
27 HOSE ASSEMBLY, Fuel Inlet 8M0045343
28 COOLER ASSEMBLY, Oil 8M0132389
29 FILTER, Oil 877767K01
30 HOUSING ASSEMBLY, Intergrated Oil Module 892801A50
31 SCREW, (M6 x 18) 8M0041014
32 GASKET 8M0034568
33 THERMOSTAT/GUIDE KIT 880640A06
34 THERMOSTAT 880640508
35 OVERHAUL KIT 892801T51
36 GASKET 8M0034568
37 O-RING KIT 8M0071635
38 STRAP 895032
39 SCREW, (M6 x 18) 8M0041014
40 CLIP 897559
41 SCREW, (M6 x 25) Stainless Steel 8M0103807



Quick Overview

OIL COOLER MODULE

SKU : 8M0132389

PRE: MER

BRAND: MERCURY

COMPANY: Mercury/MerCruiser/Mariner/Force

UPC: 745061877252

Returns Policy

All returns must be authorized. Items returned prior authorization will not be accepted.

Defective new equipment may be returned for warranty repair/exchange to us within five (5) days of the shipment receipt date.  After five (5) days, returns will be handled by direct contact and in accordance with the warranty terms of the item's manufacturer.  Items that have malfunctioned due to mishandling, electrical overload, etc., will be subject to a repair charge. 

Non-Defective new equipment will be authorized for return within five (5) days of the shipment receipt date if the equipment is still in new, re-sellable condition with the original manual(s), accessories, packing material and carton. We reserve the right to reject returns in which there is no original packaging, missing accessories, damage or visible signs of usage of the item.  A restocking fee of up to 25% of purchase price may apply.  Special orders and dangerous goods are non-returnable.

**There's a 20% Restocking Fee on All Returned Palmgren Products in Original Packaging

To get your RMA, simply call (800) 364-4637 for a return authorization number or email sales@palmerpower.com .

(Do not write anything on the manufacturer's original package or use as a shipping carton. Include all accessories, manuals and warranties.) Please include a copy of the packing list or invoice with a reason for the return. Your return authorization number is valid for thirty days.

To check the status of your return, please email us at sales@palmerpower.com. Please be sure to include your RMA number. For more information please check our FAQ page.

Shipping

We can ship to virtually any address in the world. Note that there are restrictions on some products, and some products cannot be shipped to international destinations.

When you place an order, we will estimate shipping and delivery dates for you based on the availability of your items and the shipping options you choose. Depending on the shipping provider you choose, shipping date estimates may appear on the shipping quotes page.

Please also note that the shipping rates for many items we sell are weight-based. The weight of any such item can be found on its detail page. To reflect the policies of the shipping companies we use, all weights will be rounded up to the next full pound.

Boat Services & Repairs in Houston

We will service your boat whether you bought it from us or not. Our award-winning boat service department has a full-time staff of seasoned, factory-certified technicians dedicated to ensuring that your boat runs well for years to come. Our team is trained to correctly diagnose issues, advise you of any developing problems, and address any unique service issues your boat may require. Whether you need complex engine work and repairs, canvas and upholstery, boat tune Up, electronics installation or repair, or boat detailing, our technicians will work quickly to keep you out of the shop and on the water. Not only does our service department provide the highest quality service, we also have a large parts department for the do-it-yourself types. Ask about our inventory of parts and aftermarket additions to make your own repairs or upgrades.

Learn More

boat repair service boat Sterndrive repair

Frequently Asked Questions

  • How do I request a quote?
    To request a quote for pricing on any Palmer Power's products, please see our request a quote page. Fill out and submit our quote form and one of our representatives will contact you when your quote is ready.
  • Do you have any Minimum Order Restriction?
    Palmer Power Does not have any Minimum Order Restriction.
  • Will my order be subject to sales tax?
    Estimated state sales tax will appear within your shopping cart for all shipments within the United states unless a signed official state tax exemption certificate is furnished to Palmer Power.
  • How do I check my Order Status?
    To check the status of an online order, email sales@palmerpower.com. Please be sure to include your order number.
  • How do I Return items?

    All returns must be authorized. Items returned prior authorization will not be accepted. International customers must ship any returns to us freight and duty prepaid. Return freight charges for International shipments will be the responsibility of the customer.

    Defective new equipment may be returned for warranty repair/exchange to us within five (5) days of the shipment receipt date. After five (5) days, returns will be handled by direct contact and in accordance with the warranty terms of the item's manufacturer. Items that have malfunctioned due to mishandling, electrical overload, etc., will be subject to a repair charge.

    Non-Defective new equipment will be authorized for return within five (5) days of the shipment receipt date if the equipment is still in new, re-sellable condition with the original manual(s), accessories, packing material and carton. We reserve the right to reject returns in which there is no original packaging, missing accessories, damage or visible signs of usage of the item. A restocking fee of up to 25% of purchase price may apply. Special orders and dangerous goods are non-returnable.

    (Do not write anything on the manufacturer's original package or use as a shipping carton. Include all accessories, manuals and warranties.) Please include a copy of the packing list or invoice with a reason for the return. Your return authorization number is valid for thirty days.

  • What payment options do I have?

    Palmer Power accepts a variety of payment options for your convenience. For prepayment, we accept all major credit cards (Visa, MasterCard, Discover and American Express), Purchase Orders, and international wire transfers. We also offer credit terms to existing customers.

Fast Delivery
Dealer Program
Secure Shopping
30-Day Free Returns