600 SCi - 0M952908 THRU 0M962885 - Intake Components(Intercooler And Manifold) - Page 2 - Palmer Power
close
close

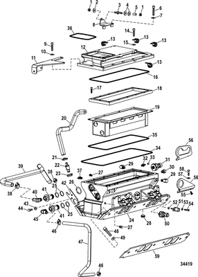
Intake Components(Intercooler And Manifold)

sidebar:
show more

Customer Reviews

Featured Brands

View all
Fast Delivery
Dealer Program
Secure Shopping
30-Day Free Returns