Shop All - Mercury - 200 (DFI) 3.0L - 0T801000 THRU 1B417701 - Gear Housing(Driveshaft)(Standard\Counter Rotatio - Page 2 - Palmer Power
close
close

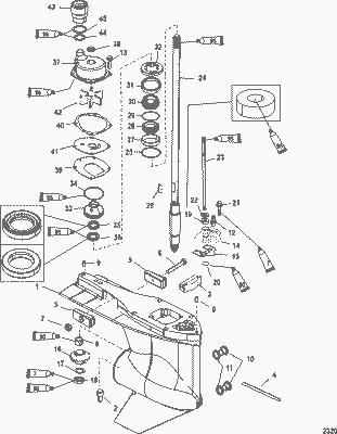
Gear Housing(Driveshaft)(Standard\Counter Rotatio

sidebar:
show more

Customer Reviews

Featured Brands

View all
Fast Delivery
Dealer Program
Secure Shopping
30-Day Free Returns