Shop All - Mercury - 30 (4-STROKE) - 0G760300 THRU 0T408999 - Carburetor(0T178500 And Up) - Page 2 - Palmer Power
close
close

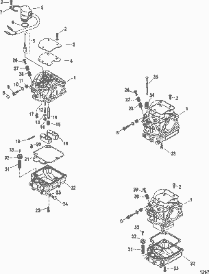
Carburetor(0T178500 And Up)

sidebar:
show more

Customer Reviews

Featured Brands

View all
Fast Delivery
Dealer Program
Secure Shopping
30-Day Free Returns