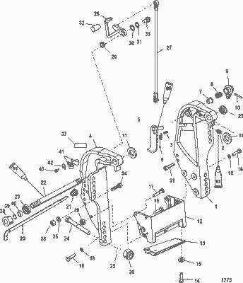
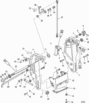
Shop All - Mercury - 40 EFI (3 CYL.)(4-STROKE) - 1B227000 THRU 1B344398 - Transom Bracket - Page 2 - Palmer Power
close
close
sidebar:
show more

Customer Reviews

Featured Brands

View all
Fast Delivery
Dealer Program
Secure Shopping
30-Day Free Returns