Shop All - Mercury - 9.9 (4-STROKE)(209cc) - 0P325500 & Up - Recoil Starter - Page 2 - Palmer Power
close
close

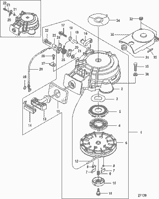
Recoil Starter

sidebar:
show more

Customer Reviews

Featured Brands

View all
Fast Delivery
Dealer Program
Secure Shopping
30-Day Free Returns