Shop All - VOLVO PENTA - TAD1631GE - Cooling System - Page 4 - Palmer Power
close
close

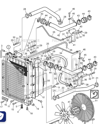
Cooling System

sidebar:
show more

Customer Reviews

Featured Brands

View all
Fast Delivery
Dealer Program
Secure Shopping
30-Day Free Returns