Shop All - VOLVO PENTA - TAMD74A - Lubricating and Oil System - Page 3 - Palmer Power
close
close

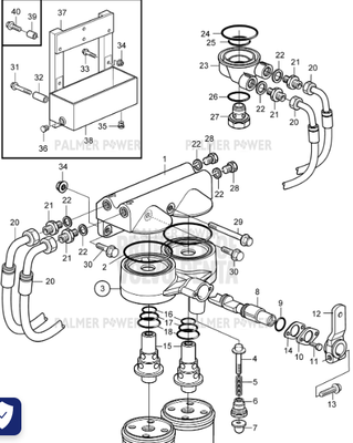
Lubricating and Oil System

sidebar:
show more

Customer Reviews

Featured Brands

View all
Fast Delivery
Dealer Program
Secure Shopping
30-Day Free Returns