Shop All - VOLVO PENTA - TD61ACE - Fuel System - Page 3 - Palmer Power
close
close

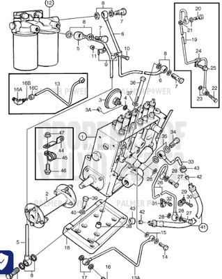
Fuel System

sidebar:
show more

Customer Reviews

Featured Brands

View all
Fast Delivery
Dealer Program
Secure Shopping
30-Day Free Returns