Shop All - VOLVO PENTA - TWD1672-1673GE - Inlet and Exhaust System - Page 3 - Palmer Power
close
close

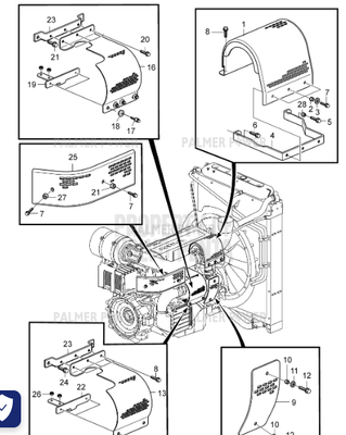
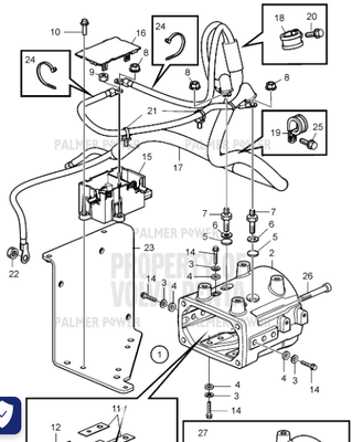
Inlet and Exhaust System

sidebar:
show more

Customer Reviews

Featured Brands

View all
Fast Delivery
Dealer Program
Secure Shopping
30-Day Free Returns