VOLVO PENTA 3854805 Screw | Gearcase To Gear Hsg, Rear | PalmerPower
close
close
click to zoom in
  • Guaranteed Fitment

    Always the correct part

  • In-House Experts

    We know our products

  • Boat Repair Service

    Diagnostics, Repairs, and Maintenance

  • Fast Delivery

VOLVO PENTA 3854805 Screw | Gearcase To Gear Hsg, Rear

Write a Review
$10.00
SKU:
3854805-VOL
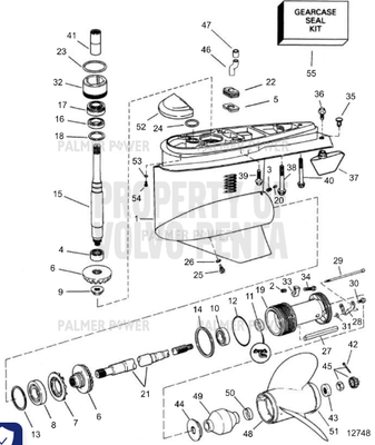
Schematic Object Key:
40

VOLVO PENTA 3854805 Screw | Gearcase To Gear Hsg, Rear

$10.00

Disclaimer: Please note that the items featured in the image (schematic diagram) are not sold as a bundled set. To facilitate your search, kindly refer to the schematic object key provided below in order to locate a specific item within the image.

VOLVO PENTA 3854805 Screw | Gearcase To Gear Hsg, Rear

Schematic Object Key : 40

Product Description : Screw | Gearcase To Gear Hsg, Rear Part No. 3854805

Product Category : SX-C1 / Marine Propulsion

Disclaimer: Each item listed in the table below is available for individual purchase and is not sold as part of a package or set.

Other Components:

KeyNamePart No.
1Bottom GearPart No. 3855692
1Bottom GearPart No. 3855693
1Bottom GearPart No. 3855694
1Bottom Gear | SX,1.66:1,1.97:1Part No. 3855695
1Bottom GearPart No. 3855696
1Gear Housing | SXPart No. 3855363
2Insert | Prop Shaft RetainerPart No. 3852515
3Insert | 5/16 X 18, ShortPart No. 3852567
4Bearing | PinionPart No. 3853934
5Retainer | Seal, Water TubePart No. 3854601
6Drive Gear Set | Pinion & Drive GearsPart No. 3852402
6Drive Gear Set | Pinion & Drive GearsPart No. 3852403
6Drive Gear Set | Pinion & Drive GearsPart No. 3852404
6Drive Gear Set | Pinion & Drive GearsPart No. 3852405
6Gear Set | Pinion & Drive GearsPart No. 3854814
7RotorPart No. 3853941
8BearingPart No. 3850942
9Nut | Pinion To DriveshaftPart No. 3851003
10Roller Bearing | Propeller Shaft HousingPart No. 3854249
11Seal | Propeller Shaft HsgPart No. 3853474
12O-Ring | Propeller Shaft Hsg To GearcasePart No. 3852865
13Shim | Gear Position, 0.002 InPart No. 3850695
13Shim | Gear Position, 0.004 InPart No. 3852885
13Shim | Gear Position, 0.003 InPart No. 3852886
13Shim | Gear Position, 0.005 InPart No. 3852887
13Shim | Gear Position, 0.010 InPart No. 3852888
14Ring | 0.100 In., Propshaft Bearing HsgPart No. 3852868
14Ring | 0.102 In., Propshaft Bearing HsgPart No. 3852869
14Ring | 0.104 In., Propshaft Bearing HsgPart No. 3852870
14Ring | 0.106 In., Propshaft Bearing HsgPart No. 3852871
14Ring | 0.108 In., Propshaft Bearing HsgPart No. 3852872
14Ring | 0.110 In., Propshaft Bearing HsgPart No. 3852873
14Ring | 0.112 In., Propshaft Bearing HsgPart No. 3852874
14Ring | 0.114 In., Propshaft Bearing HsgPart No. 3852875
14Ring | 0.116 In., Propshaft Bearing HsgPart No. 3852876
14Ring | 0.118 In., Propshaft Bearing HsgPart No. 3852877
14Ring | 0.120 In., Propshaft Bearing HsgPart No. 3852878
14Ring | 0.122 In., Propshaft Bearing HsgPart No. 3852879
14Ring | 0.124 In., Propshaft Bearing HsgPart No. 3852880
14Ring | 0.096 In., Propshaft Bearing HsgPart No. 3852881
14Ring | 0.098 In., Propshaft Bearing HsgPart No. 3852882
15Countershaft | LowerPart No. 3851342
16Roller Bearing | Lower DriveshaftPart No. 3854249
17Roller Bearing | Upper DriveshaftPart No. 3854250
18Shim | Pinion Position, 0.003 InPart No. 3852889
18Shim | Pinion Position, 0.004 InPart No. 3852890
18Shim | Pinion Position, 0.005 InPart No. 3852891
18Shim | Pinion Position, 0.010 InPart No. 3852892
19Housing | Propeller ShaftPart No. 3853492
20Screw | Propshaft Bearing Hsg To GearcasePart No. 3853272
21Propeller ShaftPart No. 3852271
22Seal | Water Supply Tube To GearcasePart No. 3854595
23O-Ring | Gearcase To Upper Gear HsgPart No. 3852866
24O-Ring | Gearcase To Upper Gear Hsg, Oil SumpPart No. 3852959
25Plug | Oil Drain, Gear HsgPart No. 3854539
26O-Ring | Gearcase PlugPart No. 3855081
27Anode | Propeller Shaft Bearing HsgPart No. 3852970
28Retainer | AnodePart No. 3852971
29Screw | Anode To PropshaftPart No. 3852972
30Screw | Anode Retainer To Propshaft Brg HsgPart No. 3853309
31Washer | Anode To PropshaftPart No. 3852973
32Retainer | Bearing, Lower Vertical DriveshaftPart No. 3855636
33Retainer | Propeller Shaft HsgPart No. 3853371
34Screw | Propeller Shaft Retainer To GearcasePart No. 3852478
35Plug | Trim Tab Hole, Lower GearcasePart No. 3850662
36Screw | Trim TabPart No. 3852008
37Trimming Fin | 1 .85,1.97, DieselPart No. 3854402
38Screw | Gearcase To Gear Hsg, MiddlePart No. 3854806
38Screw | Gearcase To Upper Gear Hsg, RearPart No. 3852349
39Screw | Gearcase To Gear Hsg, Front, Port & StbdPart No. 3854807
40Screw | Gearcase To Upper Gear Hsg, RearPart No. 3852960
40Screw | Gearcase To Gear Hsg, RearPart No. 3854805
41Splined SleevePart No. 3852268
42Split Pin | PropellerPart No. 3852056
43Spacer | Propeller NutPart No. 3852350
44Bushing | PropellerPart No. 3852020
45Propeller Nut | PropellerPart No. 3850984
46Tube | Water SupplyPart No. 3854795
47SealPart No. 3852315
48Propeller | 15½ X 13Part No. 3850298
48Propeller | 15½ X 15Part No. 3850299
48Propeller | 15 X 17Part No. 3850300
48Propeller | 14½ X 19Part No. 3850301
48Propeller | 14¼ X 21Part No. 3850302
48Propeller | 14¼ X 23Part No. 3850303
48Propeller | 15 ½ X 14Part No. 3850304
48PROPELLER | 15 X 15Part No. 3850305
48Propeller | 15 X 16Part No. 3850306
48Propeller | 15 X 17Part No. 3850307
48Propeller | 14 ½ X 19Part No. 3850308
48Propeller | 14¼ X 21Part No. 3850309
48Propeller | 14 ¼ X 23Part No. 3850310
48Propeller | 15 X 17Part No. 3850311
48Propeller | 14 ½ X 19Part No. 3850312
48Propeller | 14 ¼ X 21Part No. 3850313
48Propeller | 14 ¼ X 23Part No. 3850314
48Propeller | 15 X 15Part No. 3850315
48PROPELLER | 15 X 17Part No. 3850316
48Propeller | 14 ½ X 19Part No. 3850317
48Propeller | 14 ¼ X 21Part No. 3850318
48PROPELLER | 14¼ X 23Part No. 3850319
48PROPELLER | 15 X 17Part No. 3850320
48Propeller | 14 ¼ X 19Part No. 3850321
48Propeller | 14 ¼ X 21Part No. 3850322
48Propeller | 14¼ X 23Part No. 3850323
49Bushing | PropellerPart No. 3850324
49Bushing | PropellerPart No. 3850325
50Sleeve | BushingPart No. 3850831
51Ring | ConvergingPart No. 3854241
52Zinc Anode | ZincPart No. 3855411
52Anode | AluminiumPart No. 3863193
52Magnesium Anode | MagnesiumPart No. 3855412
53Washer | AnodePart No. 3852182
54Hexagon Screw | Anode To GearcasePart No. 3852186
55KitPart No. 3855275
VOLVO _ 3854805 _ SCREW

Returns Policy

All returns must be authorized. Items returned prior authorization will not be accepted.

Defective new equipment may be returned for warranty repair/exchange to us within five (5) days of the shipment receipt date.  After five (5) days, returns will be handled by direct contact and in accordance with the warranty terms of the item's manufacturer.  Items that have malfunctioned due to mishandling, electrical overload, etc., will be subject to a repair charge. 

Non-Defective new equipment will be authorized for return within five (5) days of the shipment receipt date if the equipment is still in new, re-sellable condition with the original manual(s), accessories, packing material and carton. We reserve the right to reject returns in which there is no original packaging, missing accessories, damage or visible signs of usage of the item.  A restocking fee of up to 25% of purchase price may apply.  Special orders and dangerous goods are non-returnable.

**There's a 20% Restocking Fee on All Returned Palmgren Products in Original Packaging

To get your RMA, simply call (800) 364-4637 for a return authorization number or email sales@palmerpower.com .

(Do not write anything on the manufacturer's original package or use as a shipping carton. Include all accessories, manuals and warranties.) Please include a copy of the packing list or invoice with a reason for the return. Your return authorization number is valid for thirty days.

To check the status of your return, please email us at sales@palmerpower.com. Please be sure to include your RMA number. For more information please check our FAQ page.

Shipping

We can ship to virtually any address in the world. Note that there are restrictions on some products, and some products cannot be shipped to international destinations.

When you place an order, we will estimate shipping and delivery dates for you based on the availability of your items and the shipping options you choose. Depending on the shipping provider you choose, shipping date estimates may appear on the shipping quotes page.

Please also note that the shipping rates for many items we sell are weight-based. The weight of any such item can be found on its detail page. To reflect the policies of the shipping companies we use, all weights will be rounded up to the next full pound.

Boat Services & Repairs in Houston

We will service your boat whether you bought it from us or not. Our award-winning boat service department has a full-time staff of seasoned, factory-certified technicians dedicated to ensuring that your boat runs well for years to come. Our team is trained to correctly diagnose issues, advise you of any developing problems, and address any unique service issues your boat may require. Whether you need complex engine work and repairs, canvas and upholstery, boat tune Up, electronics installation or repair, or boat detailing, our technicians will work quickly to keep you out of the shop and on the water. Not only does our service department provide the highest quality service, we also have a large parts department for the do-it-yourself types. Ask about our inventory of parts and aftermarket additions to make your own repairs or upgrades.

Learn More

boat repair service boat Sterndrive repair

Frequently Asked Questions

  • How do I request a quote?
    To request a quote for pricing on any Palmer Power's products, please see our request a quote page. Fill out and submit our quote form and one of our representatives will contact you when your quote is ready.
  • Do you have any Minimum Order Restriction?
    Palmer Power Does not have any Minimum Order Restriction.
  • Will my order be subject to sales tax?
    Estimated state sales tax will appear within your shopping cart for all shipments within the United states unless a signed official state tax exemption certificate is furnished to Palmer Power.
  • How do I check my Order Status?
    To check the status of an online order, email sales@palmerpower.com. Please be sure to include your order number.
  • How do I Return items?

    All returns must be authorized. Items returned prior authorization will not be accepted. International customers must ship any returns to us freight and duty prepaid. Return freight charges for International shipments will be the responsibility of the customer.

    Defective new equipment may be returned for warranty repair/exchange to us within five (5) days of the shipment receipt date. After five (5) days, returns will be handled by direct contact and in accordance with the warranty terms of the item's manufacturer. Items that have malfunctioned due to mishandling, electrical overload, etc., will be subject to a repair charge.

    Non-Defective new equipment will be authorized for return within five (5) days of the shipment receipt date if the equipment is still in new, re-sellable condition with the original manual(s), accessories, packing material and carton. We reserve the right to reject returns in which there is no original packaging, missing accessories, damage or visible signs of usage of the item. A restocking fee of up to 25% of purchase price may apply. Special orders and dangerous goods are non-returnable.

    (Do not write anything on the manufacturer's original package or use as a shipping carton. Include all accessories, manuals and warranties.) Please include a copy of the packing list or invoice with a reason for the return. Your return authorization number is valid for thirty days.

  • What payment options do I have?

    Palmer Power accepts a variety of payment options for your convenience. For prepayment, we accept all major credit cards (Visa, MasterCard, Discover and American Express), Purchase Orders, and international wire transfers. We also offer credit terms to existing customers.

Fast Delivery
Dealer Program
Secure Shopping
30-Day Free Returns