YANMAR 119000-51550 Cover, Rack | PalmerPower
close
close
click to zoom in
  • Guaranteed Fitment

    Always the correct part

  • In-House Experts

    We know our products

  • Boat Repair Service

    Diagnostics, Repairs, and Maintenance

  • Fast Delivery

YANMAR 119000-51550 Cover, Rack

Write a Review
$6.64
SKU:
119000-51550
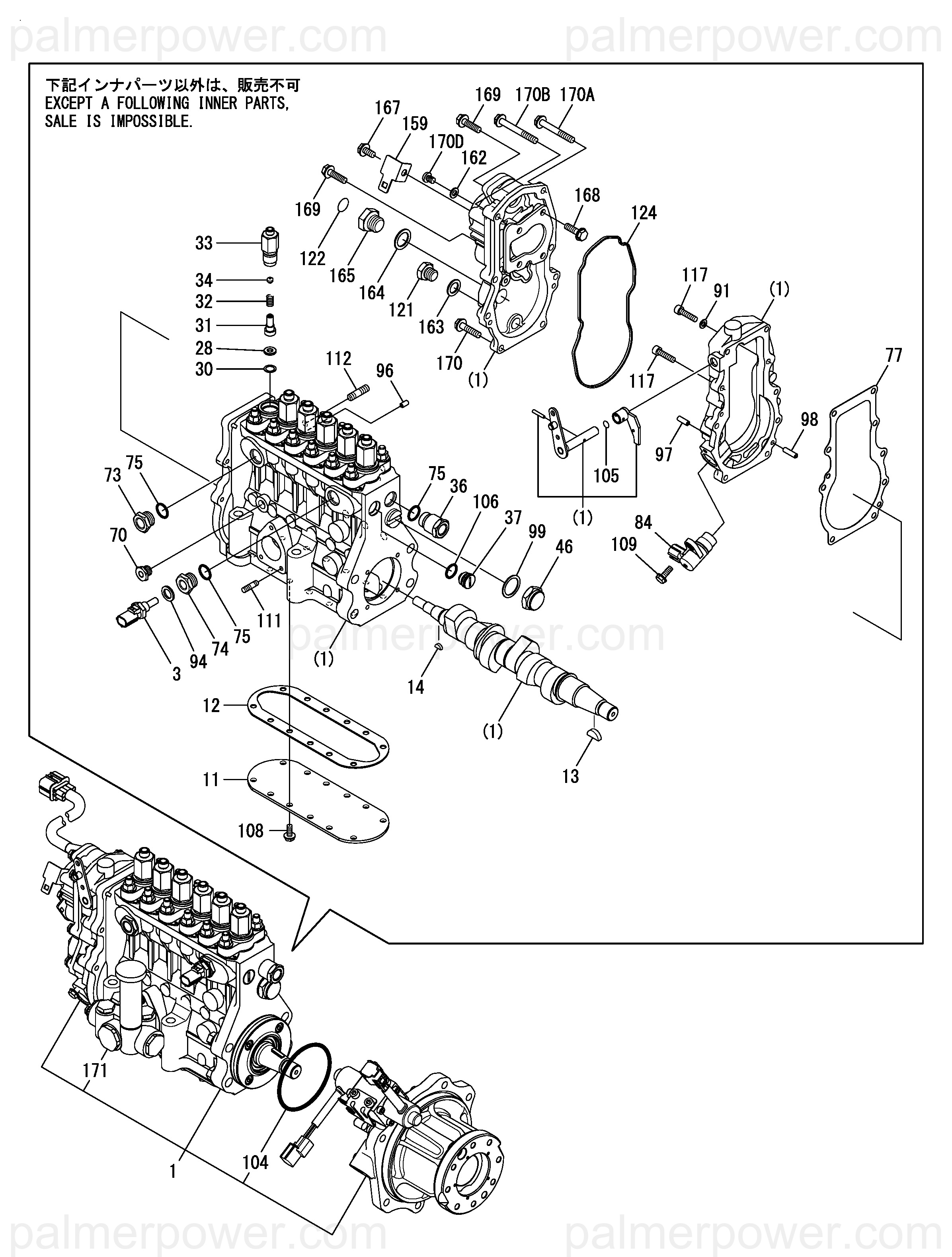
Schematic Object Key:
46

YANMAR 119000-51550 Cover, Rack

$6.64

Disclaimer: Please note that the items featured in the image (schematic diagram) are not sold as a bundled set. To facilitate your search, kindly refer to the schematic object key provided below in order to locate a specific item within the image.

YANMAR 119000-51550 Cover, Rack

Schematic Object Key : 46

Product Description : COVER 119000-51550

Disclaimer: Each item listed in the table below is available for individual purchase and is not sold as part of a package or set.

Other Components:

Ref Description Part No.
1B PUMP ASSY, INJECTION 719578-51350
3 SENSOR, WATER TEMP. 119254-44910
11 COVER 119593-51080
12 GASKET 119593-51090
13 KEY, 5X19 144626-51090
14 FEATHER KEY, 3X10 158553-51090
28 SPACER 119578-51280
30 GASKET, DELIVERY 119578-51290
31 VALVE ASSY, DELIVERY 119578-51300
32 SPRING, DELIVERY 119578-51330
33 HOLDER, DELIVERY 119578-51340
34 STOPPER, VALVE 119578-51370
36 BUSH, M14XM18 119578-51410
37 PLUG, DEFLECTOR 158600-51410
46 COVER 119000-51550
70 BUSH 121850-51700
73 PLUG 121952-51900
74 BUSH, M12XM18 119578-51940
75 O-RING, 4D19016 24356-190160
77 GASKET 119578-61050
84 SENSOR 158557-61720
91 WASHER, SEAL 6 22190-060002
94 WASHER, SEAL 12 22190-120002
96 PIN, SPRING 5.0X10 22351-050010
97 PIN, SPRING 5.0X16 22351-050016
98 PIN, SPRING 5.0X16 22351-050016
99 GASKET, 22X1.0 23414-220029
104 O-RING, 4EG85.0 24327-000850
105 O-RING, 1AS8.0 24341-000080
106 O-RING 119717-51420
108 BOLT, M6X 14 PLATED 26106-060142
109 BOLT, M6X 16 PLATED 26106-060162
111 STUD, M6X 16 26216-060162
111-1 STUD 129155-51020
112 STUD, M8X 20 26216-080202
117 BOLT, M6X 25 26450-060252
121 PLUG, M12X1.5 129054-42450
122 LABEL 124610-51970
124 GASKET 129465-61071
159 BRACKET, CONNECTOR 119578-61881
162 WASHER, SEAL 6 22190-060002
163 WASHER, SEAL 12 22190-120002
164 WASHER, SEAL 16 22190-160002
165 PLUG, 16 23887-160002
167 BOLT, M6X 12 PLATED 26106-060122
168 BOLT, M6X 20 PLATED 26106-060202
169 BOLT, M6X 22 PLATED 26106-060222
170 BOLT, M6X 25 PLATED 26106-060252
170A BOLT, M6X 45 PLATED 26106-060452
170B BOLT, M6X 50 PLATED 26106-060502
170D SCREW, M6X 8 26557-060082
171 PUMP, FUEL FEED 127691-52010

YANMAR 119000-51550 Cover, Rack

Returns Policy

All returns must be authorized. Items returned prior authorization will not be accepted.

Defective new equipment may be returned for warranty repair/exchange to us within five (5) days of the shipment receipt date.  After five (5) days, returns will be handled by direct contact and in accordance with the warranty terms of the item's manufacturer.  Items that have malfunctioned due to mishandling, electrical overload, etc., will be subject to a repair charge. 

Non-Defective new equipment will be authorized for return within five (5) days of the shipment receipt date if the equipment is still in new, re-sellable condition with the original manual(s), accessories, packing material and carton. We reserve the right to reject returns in which there is no original packaging, missing accessories, damage or visible signs of usage of the item.  A restocking fee of up to 25% of purchase price may apply.  Special orders and dangerous goods are non-returnable.

**There's a 20% Restocking Fee on All Returned Palmgren Products in Original Packaging

To get your RMA, simply call (800) 364-4637 for a return authorization number or email sales@palmerpower.com .

(Do not write anything on the manufacturer's original package or use as a shipping carton. Include all accessories, manuals and warranties.) Please include a copy of the packing list or invoice with a reason for the return. Your return authorization number is valid for thirty days.

To check the status of your return, please email us at sales@palmerpower.com. Please be sure to include your RMA number. For more information please check our FAQ page.

Shipping

We can ship to virtually any address in the world. Note that there are restrictions on some products, and some products cannot be shipped to international destinations.

When you place an order, we will estimate shipping and delivery dates for you based on the availability of your items and the shipping options you choose. Depending on the shipping provider you choose, shipping date estimates may appear on the shipping quotes page.

Please also note that the shipping rates for many items we sell are weight-based. The weight of any such item can be found on its detail page. To reflect the policies of the shipping companies we use, all weights will be rounded up to the next full pound.

Boat Services & Repairs in Houston

We will service your boat whether you bought it from us or not. Our award-winning boat service department has a full-time staff of seasoned, factory-certified technicians dedicated to ensuring that your boat runs well for years to come. Our team is trained to correctly diagnose issues, advise you of any developing problems, and address any unique service issues your boat may require. Whether you need complex engine work and repairs, canvas and upholstery, boat tune Up, electronics installation or repair, or boat detailing, our technicians will work quickly to keep you out of the shop and on the water. Not only does our service department provide the highest quality service, we also have a large parts department for the do-it-yourself types. Ask about our inventory of parts and aftermarket additions to make your own repairs or upgrades.

Learn More

boat repair service boat Sterndrive repair

Frequently Asked Questions

  • How do I request a quote?
    To request a quote for pricing on any Palmer Power's products, please see our request a quote page. Fill out and submit our quote form and one of our representatives will contact you when your quote is ready.
  • Do you have any Minimum Order Restriction?
    Palmer Power Does not have any Minimum Order Restriction.
  • Will my order be subject to sales tax?
    Estimated state sales tax will appear within your shopping cart for all shipments within the United states unless a signed official state tax exemption certificate is furnished to Palmer Power.
  • How do I check my Order Status?
    To check the status of an online order, email sales@palmerpower.com. Please be sure to include your order number.
  • How do I Return items?

    All returns must be authorized. Items returned prior authorization will not be accepted. International customers must ship any returns to us freight and duty prepaid. Return freight charges for International shipments will be the responsibility of the customer.

    Defective new equipment may be returned for warranty repair/exchange to us within five (5) days of the shipment receipt date. After five (5) days, returns will be handled by direct contact and in accordance with the warranty terms of the item's manufacturer. Items that have malfunctioned due to mishandling, electrical overload, etc., will be subject to a repair charge.

    Non-Defective new equipment will be authorized for return within five (5) days of the shipment receipt date if the equipment is still in new, re-sellable condition with the original manual(s), accessories, packing material and carton. We reserve the right to reject returns in which there is no original packaging, missing accessories, damage or visible signs of usage of the item. A restocking fee of up to 25% of purchase price may apply. Special orders and dangerous goods are non-returnable.

    (Do not write anything on the manufacturer's original package or use as a shipping carton. Include all accessories, manuals and warranties.) Please include a copy of the packing list or invoice with a reason for the return. Your return authorization number is valid for thirty days.

  • What payment options do I have?

    Palmer Power accepts a variety of payment options for your convenience. For prepayment, we accept all major credit cards (Visa, MasterCard, Discover and American Express), Purchase Orders, and international wire transfers. We also offer credit terms to existing customers.

Fast Delivery
Dealer Program
Secure Shopping
30-Day Free Returns