YANMAR 126616-61160 Link, B - Palmer Power
close
close
click to zoom in
  • Guaranteed Fitment

    Always the correct part

  • In-House Experts

    We know our products

  • Boat Repair Service

    Diagnostics, Repairs, and Maintenance

  • Fast Delivery

YANMAR 126616-61160 Link, B

Write a Review
$83.02
SKU:
126616-61160
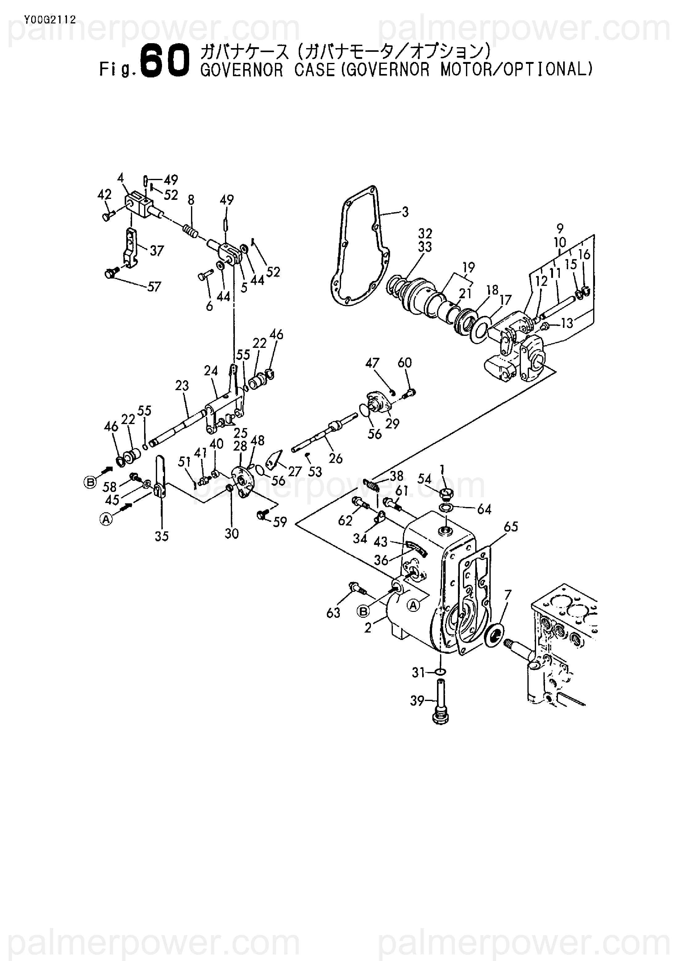
Schematic Object Key:
5

YANMAR 126616-61160 Link, B

$83.02

Disclaimer: Please note that the items featured in the image (schematic diagram) are not sold as a bundled set. To facilitate your search, kindly refer to the schematic object key provided below in order to locate a specific item within the image.

YANMAR 126616-61160 Link, B

Schematic Object Key : 5

Product Description : LINK, B

Disclaimer: Each item listed in the table below is available for individual purchase and is not sold as part of a package or set.

Other Components:

Ref Description Part No.
1 LABEL 144626-51930
2 CASE, GOVERNOR 126674-61010
3 GASKET 144626-61070
3-1 GASKET, CASE COVER 144626-61071
4 LINK, A 126616-61140
5 LINK, B 126616-61160
6 PIN, LINK B 126616-61180
7 SEAL, OIL 144626-61180
8 SPRING, LINK 126616-61190
9 WEIGHT ASSY,GOVERNOR 144606-61200
10 WEIGHT ASSY,GOVERNOR 148609-61200
11 PIN, GOVERNOR WEIGHT 135210-61221
12 BUSH, WEIGHT PIN 135210-61230
13 RETAINER, WEIGHT 135210-61240
15 WASHER, 10 22117-100000
16 RING, 10 22242-000100
17 WASHER 140623-61310
18 THRUST BEARING 135210-61320
19 SHIFTER ASSY 148609-61330
21 BUSH, RETAINER 140673-61350
22 BUSH, 1ST LEVER 144626-61431
23 SHAFT,GOVERNOR LEVER 144626-61510
24 LEVER, GOVERNOR 126616-61530
25 RETAINER, 1ST LEVER 135210-61540
26 SHAFT ASSY, LEVER 126616-61560
27 LEVER, STOP 126616-61570
28 BEARING, 2ND LEVER A 148616-61570
29 BEARING, 2ND LEVER B 148616-61640
30 SEAL, VC081404 148616-61650
31 O-RING, 2019 144626-61700
32 SPRING, GOVERNOR 148606-61721
33 SPRING, GOVERNOR 126674-61720
34 PLATE, RETURN SPRING 144626-61790
35 HANDLE,FUEL SHUT-OFF 135210-61830
36 PLATE 144626-61840
37 LINK, RACK CONECTING 126616-61850
38 SPRING, STOP LEVER 126616-61860
39 BUSH 126674-61910
40 RETAINER, STOPPER 126616-61950
41 BOLT 126616-61960
42 PIN, GOVERNOR LINK 180110-66410
43 RIVET 137900-91451
44 WASHER 6 22111-060000
45 WASHER 6 22111-060000
46 RING, 11 22242-000110
47 RING, E- 7 22272-000070
48 PIN, PARALLEL M6X12 22312-060120
49 PIN, SPRING 3.0X16 22351-030016
50 PIN, SPRING 3.0X20 22351-030020
51 COTTER PIN 1.6X15 22411-160150
52 PIN, COTTER 2.5X12 22417-250120
53 KEY, WOODRUFF 3X10 22522-030100
54 PLUG, 16 23887-160002
55 O-RING, 1AP8.0 24311-000080
56 O-RING 2 P-20.0 24312-000200
57 BOLT, M6X 14 PLATED 26106-060142
58 BOLT, M6X 16 PLATED 26106-060162
59 BOLT, M6X 16 PLATED 26106-060162
60 BOLT, M6X 16 PLATED 26106-060162
61 BOLT, M8X 18 PLATED 26106-080182
62 BOLT, M8X 25 PLATED 26106-080252
63 BOLT, M8X 25 PLATED 26106-080252
64 SEAL WASHER 16 43400-500500
65 GASKET 144626-61050

Returns Policy

All returns must be authorized. Items returned prior authorization will not be accepted.

Defective new equipment may be returned for warranty repair/exchange to us within five (5) days of the shipment receipt date.  After five (5) days, returns will be handled by direct contact and in accordance with the warranty terms of the item's manufacturer.  Items that have malfunctioned due to mishandling, electrical overload, etc., will be subject to a repair charge. 

Non-Defective new equipment will be authorized for return within five (5) days of the shipment receipt date if the equipment is still in new, re-sellable condition with the original manual(s), accessories, packing material and carton. We reserve the right to reject returns in which there is no original packaging, missing accessories, damage or visible signs of usage of the item.  A restocking fee of up to 25% of purchase price may apply.  Special orders and dangerous goods are non-returnable.

**There's a 20% Restocking Fee on All Returned Palmgren Products in Original Packaging

To get your RMA, simply call (800) 364-4637 for a return authorization number or email sales@palmerpower.com .

(Do not write anything on the manufacturer's original package or use as a shipping carton. Include all accessories, manuals and warranties.) Please include a copy of the packing list or invoice with a reason for the return. Your return authorization number is valid for thirty days.

To check the status of your return, please email us at sales@palmerpower.com. Please be sure to include your RMA number. For more information please check our FAQ page.

Shipping

We can ship to virtually any address in the world. Note that there are restrictions on some products, and some products cannot be shipped to international destinations.

When you place an order, we will estimate shipping and delivery dates for you based on the availability of your items and the shipping options you choose. Depending on the shipping provider you choose, shipping date estimates may appear on the shipping quotes page.

Please also note that the shipping rates for many items we sell are weight-based. The weight of any such item can be found on its detail page. To reflect the policies of the shipping companies we use, all weights will be rounded up to the next full pound.

Boat Services & Repairs in Houston

We will service your boat whether you bought it from us or not. Our award-winning boat service department has a full-time staff of seasoned, factory-certified technicians dedicated to ensuring that your boat runs well for years to come. Our team is trained to correctly diagnose issues, advise you of any developing problems, and address any unique service issues your boat may require. Whether you need complex engine work and repairs, canvas and upholstery, boat tune Up, electronics installation or repair, or boat detailing, our technicians will work quickly to keep you out of the shop and on the water. Not only does our service department provide the highest quality service, we also have a large parts department for the do-it-yourself types. Ask about our inventory of parts and aftermarket additions to make your own repairs or upgrades.

Learn More

boat repair service boat Sterndrive repair

Frequently Asked Questions

  • How do I request a quote?
    To request a quote for pricing on any Palmer Power's products, please see our request a quote page. Fill out and submit our quote form and one of our representatives will contact you when your quote is ready.
  • Do you have any Minimum Order Restriction?
    Palmer Power Does not have any Minimum Order Restriction.
  • Will my order be subject to sales tax?
    Estimated state sales tax will appear within your shopping cart for all shipments within the United states unless a signed official state tax exemption certificate is furnished to Palmer Power.
  • How do I check my Order Status?
    To check the status of an online order, email sales@palmerpower.com. Please be sure to include your order number.
  • How do I Return items?

    All returns must be authorized. Items returned prior authorization will not be accepted. International customers must ship any returns to us freight and duty prepaid. Return freight charges for International shipments will be the responsibility of the customer.

    Defective new equipment may be returned for warranty repair/exchange to us within five (5) days of the shipment receipt date. After five (5) days, returns will be handled by direct contact and in accordance with the warranty terms of the item's manufacturer. Items that have malfunctioned due to mishandling, electrical overload, etc., will be subject to a repair charge.

    Non-Defective new equipment will be authorized for return within five (5) days of the shipment receipt date if the equipment is still in new, re-sellable condition with the original manual(s), accessories, packing material and carton. We reserve the right to reject returns in which there is no original packaging, missing accessories, damage or visible signs of usage of the item. A restocking fee of up to 25% of purchase price may apply. Special orders and dangerous goods are non-returnable.

    (Do not write anything on the manufacturer's original package or use as a shipping carton. Include all accessories, manuals and warranties.) Please include a copy of the packing list or invoice with a reason for the return. Your return authorization number is valid for thirty days.

  • What payment options do I have?

    Palmer Power accepts a variety of payment options for your convenience. For prepayment, we accept all major credit cards (Visa, MasterCard, Discover and American Express), Purchase Orders, and international wire transfers. We also offer credit terms to existing customers.

Fast Delivery
Dealer Program
Secure Shopping
30-Day Free Returns