YANMAR 126652-02300 Main Bearing | PalmerPower
close
close
click to zoom in
  • Guaranteed Fitment

    Always the correct part

  • In-House Experts

    We know our products

  • Boat Repair Service

    Diagnostics, Repairs, and Maintenance

  • Fast Delivery

YANMAR 126652-02300 Main Bearing

Write a Review
$153.34
SKU:
126652-02300
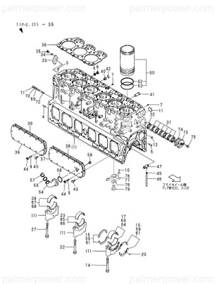
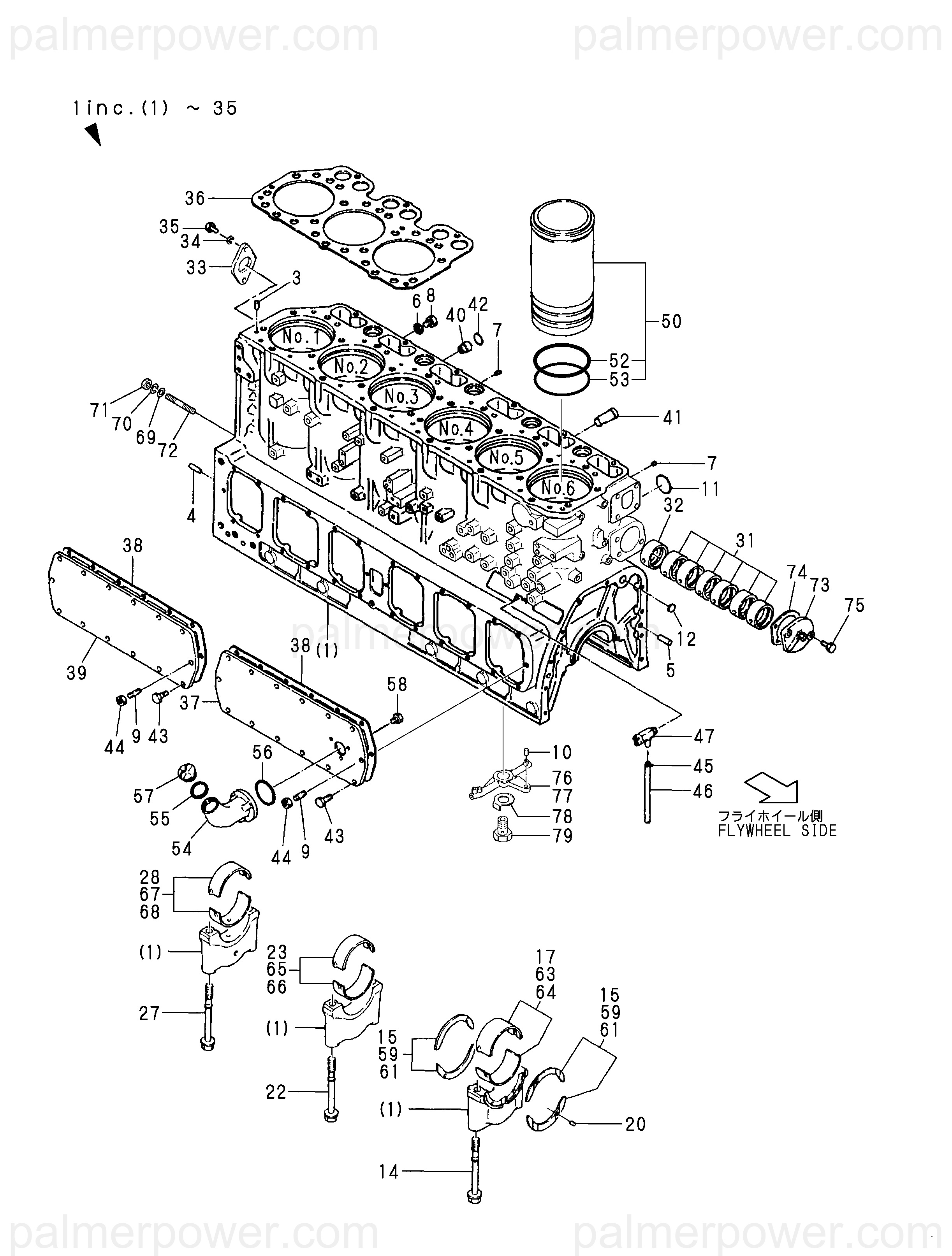
Schematic Object Key:
67

YANMAR 126652-02300 Main Bearing

$153.34

Disclaimer: Please note that the items featured in the image (schematic diagram) are not sold as a bundled set. To facilitate your search, kindly refer to the schematic object key provided below in order to locate a specific item within the image.

YANMAR 126652-02300 Main Bearing

Schematic Object Key : 67

Product Description : MAIN METAL 0.25 126652-02300

Disclaimer: Each item listed in the table below is available for individual purchase and is not sold as part of a package or set.

Other Components:

Ref Description Part No.
1 BLOCK ASSY, CYLINDER 726650-01564
3 PIN, PARALLEL M10X25 22312-100250
4 PIN, PARALLEL M10X32 22312-100320
5 PIN, PARALLEL M12X36 22312-120360
6 GASKET, 12X1.0 23414-120016
7 PLUG, R01 23876-010000
8 PLUG, 12 23887-120002
9 STUD, M8X 16 26216-080162
10 PIN, PARALLEL M6X10 22312-060100
11 PLUG 50 27231-500000
12 PLUG, 22 27241-220000
14 BOLT 126650-02070
15 METAL,THRUST 126650-02190
17 MAIN METAL 126652-02240
20 PIN, PARALLEL M6X 8 22312-060080
22 BOLT 126650-02070
23 MAIN METAL 126634-02180
27 BOLT 126650-02070
28 MAIN METAL 126652-02180
31 BUSH, CAMSHAFT 126650-02400
32 BUSH, CAMSHAFT 126650-02410
33 METAL, CAMSHAFT 126650-02420
34 WASHER, SPRING 10 22217-100000
35 BOLT, M10X 22 PLATED 26106-100222
36 GASKET, HEAD 126650-01334
37 COVER, SIDE A 126630-01400
38 GASKET, COVER 126650-01411
39 COVER, BLOCK 126650-01420
40 CONNECTOR 123672-01850
41 PIPE 126650-01860
42 O-RING, 4DP29.0 24316-000290
43 BOLT, M8X 16 PLATED 26106-080162
44 NUT, M8 26366-080002
45 CLAMP, 17 23010-017000
46 PIPE, 12X 500 23061-120500
47 COCK ASSY, 3/8 43600-500311
50 LINER ASSY, CYLINDER 726650-01901
52 O-RING, LINER 126650-01301
53 O-RING, LINER 126650-01311
54 FEEDER, OIL 128610-01660
55 GASKET 101704-01760
56 O-RING 2 G-70.0 24322-000700
57 CAP, OIL 39 24798-390000
58 BOLT, M8X 14 PLATED 26106-080142
59 METAL,THRUST 0.25 126650-02340
61 METAL,THRUST 0.5 126650-02350
63 MAIN METAL 0.25 126652-02320
64 MAIN METAL 0.5 126652-02330
65 MAIN METAL 0.25 126634-02300
66 MAIN METAL 0.5 126634-02310
67 MAIN METAL 0.25 126652-02300
68 MAIN METAL 0.5 126652-02310
69 WASHER, 8 22137-080000
70 WASHER, SPRING 8 22217-080000
71 NUT, LOCK M8 26756-080002
72 STUD, M8X65 126650-01950
73 COVER 126650-09012
74 GASKET 126650-09023
75 BOLT, M10X 22 PLATED 26106-100222
77 BODY, NOZZLE 126680-39330
78 WASHER 144626-39370
79 JOINT BOLT 10 23851-100000

YANMAR 126652-02300 Main Bearing

Returns Policy

All returns must be authorized. Items returned prior authorization will not be accepted.

Defective new equipment may be returned for warranty repair/exchange to us within five (5) days of the shipment receipt date.  After five (5) days, returns will be handled by direct contact and in accordance with the warranty terms of the item's manufacturer.  Items that have malfunctioned due to mishandling, electrical overload, etc., will be subject to a repair charge. 

Non-Defective new equipment will be authorized for return within five (5) days of the shipment receipt date if the equipment is still in new, re-sellable condition with the original manual(s), accessories, packing material and carton. We reserve the right to reject returns in which there is no original packaging, missing accessories, damage or visible signs of usage of the item.  A restocking fee of up to 25% of purchase price may apply.  Special orders and dangerous goods are non-returnable.

**There's a 20% Restocking Fee on All Returned Palmgren Products in Original Packaging

To get your RMA, simply call (800) 364-4637 for a return authorization number or email sales@palmerpower.com .

(Do not write anything on the manufacturer's original package or use as a shipping carton. Include all accessories, manuals and warranties.) Please include a copy of the packing list or invoice with a reason for the return. Your return authorization number is valid for thirty days.

To check the status of your return, please email us at sales@palmerpower.com. Please be sure to include your RMA number. For more information please check our FAQ page.

Shipping

We can ship to virtually any address in the world. Note that there are restrictions on some products, and some products cannot be shipped to international destinations.

When you place an order, we will estimate shipping and delivery dates for you based on the availability of your items and the shipping options you choose. Depending on the shipping provider you choose, shipping date estimates may appear on the shipping quotes page.

Please also note that the shipping rates for many items we sell are weight-based. The weight of any such item can be found on its detail page. To reflect the policies of the shipping companies we use, all weights will be rounded up to the next full pound.

Boat Services & Repairs in Houston

We will service your boat whether you bought it from us or not. Our award-winning boat service department has a full-time staff of seasoned, factory-certified technicians dedicated to ensuring that your boat runs well for years to come. Our team is trained to correctly diagnose issues, advise you of any developing problems, and address any unique service issues your boat may require. Whether you need complex engine work and repairs, canvas and upholstery, boat tune Up, electronics installation or repair, or boat detailing, our technicians will work quickly to keep you out of the shop and on the water. Not only does our service department provide the highest quality service, we also have a large parts department for the do-it-yourself types. Ask about our inventory of parts and aftermarket additions to make your own repairs or upgrades.

Learn More

boat repair service boat Sterndrive repair

Frequently Asked Questions

  • How do I request a quote?
    To request a quote for pricing on any Palmer Power's products, please see our request a quote page. Fill out and submit our quote form and one of our representatives will contact you when your quote is ready.
  • Do you have any Minimum Order Restriction?
    Palmer Power Does not have any Minimum Order Restriction.
  • Will my order be subject to sales tax?
    Estimated state sales tax will appear within your shopping cart for all shipments within the United states unless a signed official state tax exemption certificate is furnished to Palmer Power.
  • How do I check my Order Status?
    To check the status of an online order, email sales@palmerpower.com. Please be sure to include your order number.
  • How do I Return items?

    All returns must be authorized. Items returned prior authorization will not be accepted. International customers must ship any returns to us freight and duty prepaid. Return freight charges for International shipments will be the responsibility of the customer.

    Defective new equipment may be returned for warranty repair/exchange to us within five (5) days of the shipment receipt date. After five (5) days, returns will be handled by direct contact and in accordance with the warranty terms of the item's manufacturer. Items that have malfunctioned due to mishandling, electrical overload, etc., will be subject to a repair charge.

    Non-Defective new equipment will be authorized for return within five (5) days of the shipment receipt date if the equipment is still in new, re-sellable condition with the original manual(s), accessories, packing material and carton. We reserve the right to reject returns in which there is no original packaging, missing accessories, damage or visible signs of usage of the item. A restocking fee of up to 25% of purchase price may apply. Special orders and dangerous goods are non-returnable.

    (Do not write anything on the manufacturer's original package or use as a shipping carton. Include all accessories, manuals and warranties.) Please include a copy of the packing list or invoice with a reason for the return. Your return authorization number is valid for thirty days.

  • What payment options do I have?

    Palmer Power accepts a variety of payment options for your convenience. For prepayment, we accept all major credit cards (Visa, MasterCard, Discover and American Express), Purchase Orders, and international wire transfers. We also offer credit terms to existing customers.

Fast Delivery
Dealer Program
Secure Shopping
30-Day Free Returns